Каталог запасных частей к технике: Versatile серии 2000. 07A12 Привод 12 МКПП

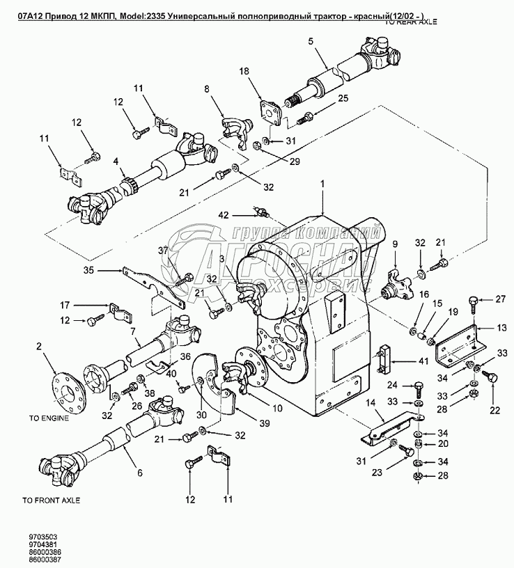
07A12 Привод 12 МКПП

zoom-in zoom-out enlarge shrink circle-right circle-left file-text2 info cart
1
2
3
3
3
4
5
6
6
6
7
18
8
9
9
10
11
11
12
13
13
14
15
15
15
15
16
17
7
18
19
20
21
27
21
27
21
27
22
22
22
22
23
24
25
26
21
27
28
29
30
31
31
31
31
32
33
34
35
36
37
38
38
39
40
41
41
42
42
42
42
42
43
43
43
44
44
44
45
46
47
48
49
50
51
52
52
53
Изображение Артикул товара Наименование Наличие Единица измерения Количество Цена Корзина
1
86025253 МКПП без ВОМ L4WD Под заказ -
2
86025252 МКПП с ВОМ L4WD Под заказ -
3
86032586 Коробка передач в сборе SYN TM78 12-ти скоростная Под заказ -
4
86017513 Фланец DYNAFLEX 600 SER Под заказ -
5
86017514 Фланец DYNAFLEX 400 SER Под заказ -
6
86017515 Фланец Под заказ -
7
9706530 СКОБА Под заказ -
8
86001004 Карданный вал в сборе, серия 1610 (синий) Под заказ -
9
86027862 Вал карданный, серия 1610 Под заказ -
10
86028084 Карданный вал, серия 1610 Под заказ -
11
9707104 Карданный вал в сборе, серия 1610 неокрашенный Под заказ -
12
86027858 Вал карданный, серия 1610 Под заказ -
13
9704379 Карданный вал в сборе, серия 1610 Под заказ -
14
86027866 Вал карданный в сборе, длина 637мм, серия 1610 Под заказ -
15
9704294 Карданный вал в сборе 1610 SERIES Под заказ -
16
86029957 Вал карданный, серия 1610 535М Под заказ -
17
86027856 Вал карданный в сборе, серия 1610 Под заказ -
18
9706530 СКОБА Под заказ -
19
9707250 Вилка рычага серии 1610 Под заказ -
20
86030622 Вилка карданного вала серии 1610 Под заказ -
21
V88469 Кронштейн карданного вала 1610 Под заказ -
22
86000226 Болт 0.375NFX0.750 P&O Под заказ -
23
9705891 Кронштейн КПП L4WD Под заказ -
24
9705231 Кронштейн Под заказ -
25
9704762 Кольцо Под заказ -
26
9704764 Втулка внутр.диам. 25.4мм, длина 43.0, резина Под заказ -
27
V88469 Кронштейн карданного вала 1610 Под заказ -
28
86018363 Уплотнитель, креп. 4 болтами, внутр. O 55,50 Под заказ шт 6 417 ₽6 417 ₽
29
9704761 Резиновая прокладка крепления трансмиссии Под заказ -
30
V60614 Изолятор Под заказ -
31
V106543 Болт Gr-5, 0.625dm-18UNFx1.25dm Под заказ -
32
88747 Болт G5 3/4dm-10x3.25dm Под заказ -
33
88062 Болт Gr-5 0.625dm-11x1.50dm Под заказ -
34
280210 Болт G5 3/4dm-10x4dm Под заказ -
35
120091 Болт M16x2x60 Cl-8.8 Под заказ -
36
280853 Болт G8 0.50х1.25 Под заказ -
37
9707515 Болт G5 5/16dm-18x1-3/4dm Под заказ -
38
86534279 Гайка шестигранная FLG 0.75 10 GR8 PL Под заказ -
39
86012007 Контргайка с нейлоновой вставкой M16 CLASS10 P Под заказ -
40
44183 Шайба 13.00X24.00X2.5 HDN PL Под заказ -
41
V44253 Шайба 17.00x30.00x3.00 Hdn Pl, сталь Под заказ -
42
9671405 ШАЙБА Под заказ -
43
86503612 Шайба 21.00X37.00X3.00 HDN Под заказ -
44
86050249 Стальная шайба 0.781 Под заказ -
45
9706859 Кольцо уплотнительное Под заказ -
46
9706860 Опора карданного вала Под заказ -
47
86512260 Болт шестигранный FLG USR M12 X 50 PL Под заказ -
48
43436 Гайка M12 Usr Pl Под заказ -
49
9672899 Диск тормозной 508x19 Под заказ -
50
87689 Болт шестигранный 0.50x1.50GR5 PL Под заказ -
51
86035430 Указатель уровня жидкости Под заказ -
52
9705718 Стекло смотровое уровня масла Под заказ -
53
V55699 Датчик нейтрального положения рыгала переключения передач Под заказ -
Содержащиеся в справочниках-каталогах запасные части и детали не предлагаются к продаже, а носят исключительно информационный характер


Наши преимущества