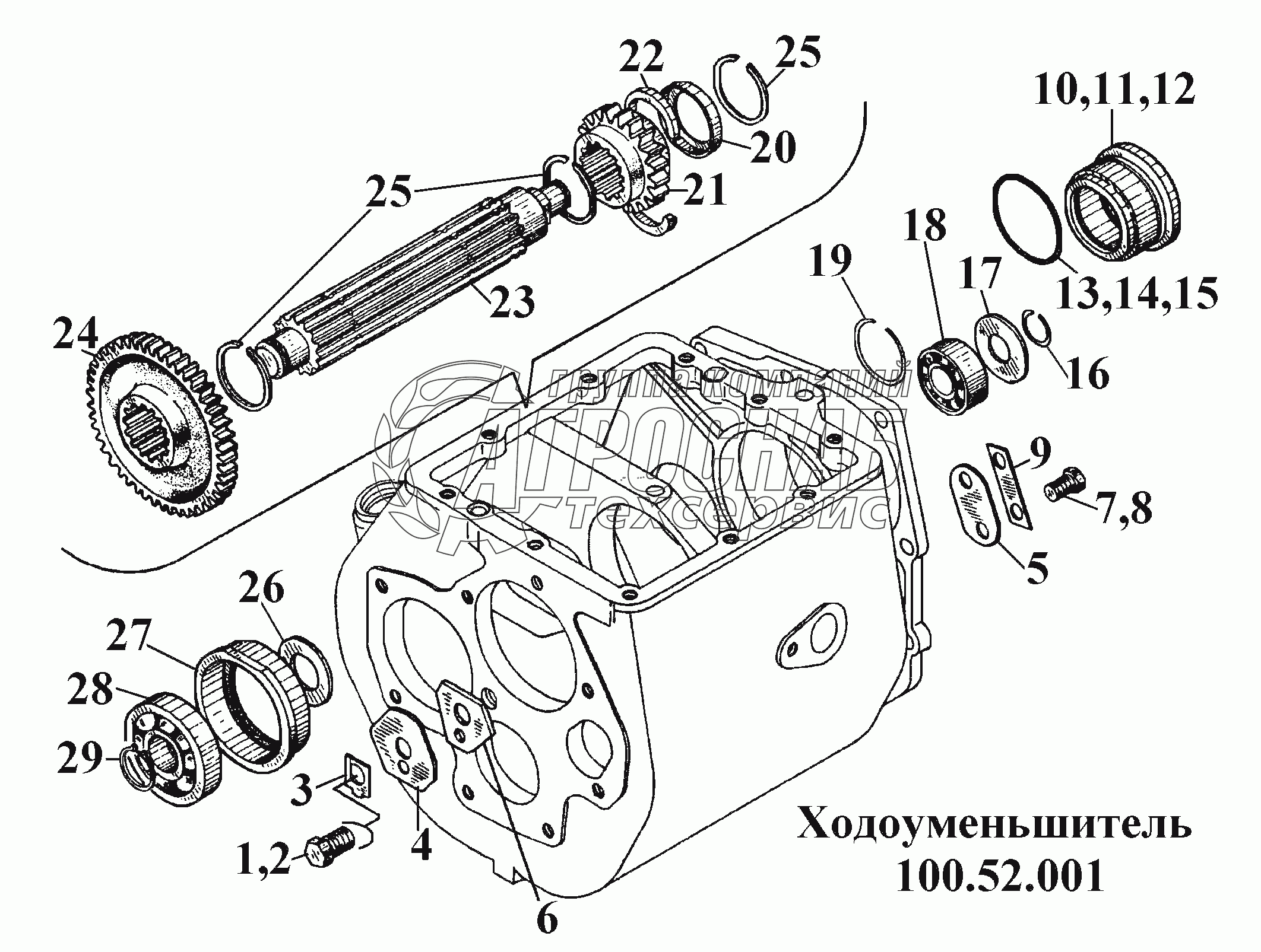
Каталог запасных частей к технике: ВгТЗ ВТ-100Д. Ходоуменьшитель 100.52.001 (3)

Ходоуменьшитель 100.52.001 (3)

zoom-in zoom-out enlarge shrink circle-right circle-left file-text2 info cart
1
2
3
4
5
6
7
8
9
10
11
12
13
14
15
16
17
18
19
20
21
22
23
24
25
25
26
27
28
29
Изображение Артикул товара Наименование Наличие Единица измерения Количество Цена Корзина
1
M14x1,5gx32.88.35.016 Болт Под заказ -
2
M14x1,5gx32.88.35.029 Болт Под заказ -
3
77.52.272-1 Пластина замковая Под заказ -
4
77.52.270 Пластина стопорная Под заказ -
5
77.52.238-1Б Планка стопорная Под заказ -
6
77.52.241-2 Пластина запорная Под заказ -
7
M10.6gx25.88.35.016 Болт Под заказ -
8
M10.6gx25.88.35.029 Болт Под заказ -
9
77.52.239 Пластина замковая Под заказ -
10
77.52.237-2 Стакан подшипника Под заказ -
11
77.52.237-2-10 Стакан подшипника Под заказ -
12
77.52.237-2-20 Стакан подшипника Под заказ -
13
71.38.184А Кольцо уплотнительное Под заказ -
14
71.38.184А-10 Кольцо уплотнительное Под заказ -
15
71.38.184А-20 Кольцо уплотнительное Под заказ -
16
54.05.436 Кольцо пружинное Под заказ -
17
77.52.265 Шайба Под заказ -
18
7032605К Подшипник Под заказ -
19
77.52.269 Кольцо стопорное Под заказ -
20
К77 58.219 Колпачок защитный Под заказ -
21
77.52.213-1 Шестерня Под заказ -
22
К77.58.220 Полукольцо Под заказ -
23
К77.58.218А Вал пониженных скоростей Под заказ -
24
77.52.212-1 Шестерня Под заказ -
25
КУН55 Кольцо упорное наружное Под заказ -
26
77.37.157 Шайба упорная Под заказ -
27
77.37.108 Стакан подшипника В наличии шт 181 ₽181 ₽
28
407К Подшипник ГОСТ 8338-75 Под заказ -
29
В35 Кольцо ГОСТ 13942-68 Под заказ -
Содержащиеся в справочниках-каталогах запасные части и детали не предлагаются к продаже, а носят исключительно информационный характер


Наши преимущества