Каталог запасных частей к технике: ВгТЗ ДТ-75В, ДТ-75БВ, ДТ75Н. Сливной клапан

Сливной клапан

zoom-in zoom-out enlarge shrink circle-right circle-left file-text2 info cart
1
2
3
4
5
6
7
8
9
10
Изображение Артикул товара Наименование Наличие Единица измерения Количество Цена Корзина
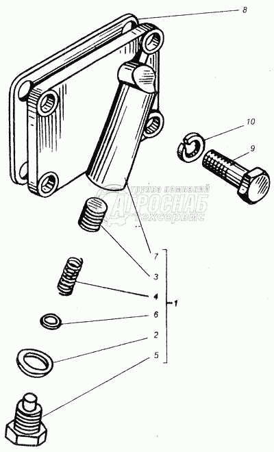
1
14-10С14 Клапан сливной Под заказ -
2
14-1036 Плунжер Под заказ -
3
14-1037-А Пружина сливного клапана Под заказ -
4
14-1059-01 Прокладка Под заказ -
5
14-1063-1 Пробка резьбовая Под заказ -
6
14-1064 Прокладка Под заказ -
7
14-1074-Б Корпус сливного клапана Под заказ -
8
СМД1-1022 Прокладка Под заказ -
9
М12-6gх30.56.05 Болт ГОСТ 7796-70 Под заказ -
10
12.65Г.05 Шайба ГОСТ 6402-70 Под заказ -
Содержащиеся в справочниках-каталогах запасные части и детали не предлагаются к продаже, а носят исключительно информационный характер


Наши преимущества