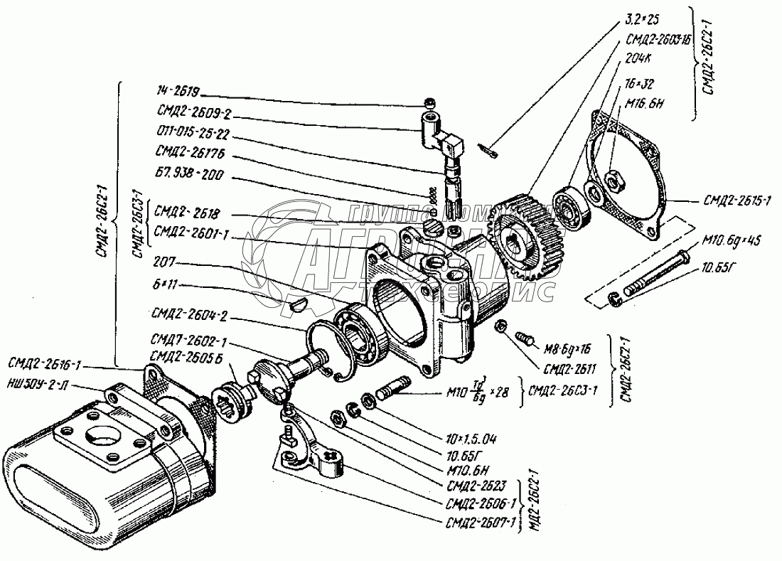
Каталог запасных частей к технике: ВгТЗ ДТ-75Н. Установка гидронасоса НШ50У-2-Л

Установка гидронасоса НШ50У-2-Л

zoom-in zoom-out enlarge shrink circle-right circle-left file-text2 info cart
1
2
3
3
3
3
4
5
6
7
8
9
9
10
11
12
13
14
15
16
17
19
20
21
22
23
23
24
25
26
27
28
29
30
31
32
33
Изображение Артикул товара Наименование Наличие Единица измерения Количество Цена Корзина
1
10х1,5.04 Шайба Под заказ -
2
207 Подшипник Под заказ -
3
СМД2-26С2-1 Привод гидронасоса Под заказ -
4
СМД2-2615-1 Прокладка Под заказ -
5
СМД2-2616-1 Прокладка Под заказ -
6
СМД2-2617Б Пружина Под заказ -
7
СМД2-2609-2 Рычаг включения Под заказ -
8
СМД2-2607-1 Сухарик Под заказ -
9
10.65Г Шайба ГОСТ 6402-70 Под заказ -
10
204К Подшипник Под заказ -
11
47 5352 1779 Шайба стопорная 16х32 Под заказ -
12
СМД2-2611 Шайба уплотняющая Под заказ -
13
Б 7.938-200 Шарик Под заказ -
14
М10(Т03/6g)х28 Шпилька Под заказ -
15
3.2х25 Шплинт Под заказ -
16
6х11 Шпонка сегментная Под заказ -
17
М10.6gх45 Болт Под заказ -
18
М10.6gх95 Болт Под заказ -
19
СМД2-2618 Ограничитель Под заказ -
20
НШ50У-2-Л Насос шестеренный НШ50У-2-Л Под заказ -
21
СМД2-2605Б Муфта кулачковая Под заказ -
22
СМД2-2601-1 Корпус привода Под заказ -
23
СМД2-26С3-1 Корпус Под заказ -
24
СМД2-2623 Кольцо предохранительное Под заказ -
25
СМД2-2604-2 Кольцо В72 Под заказ -
26
011-015-25-22 Кольцо Под заказ -
27
СМД2-2603-1Б Колесо зубчатое привода гидронасоса Под заказ -
28
14-2619 Заглушка Под заказ -
29
М16.6Н Гайка Под заказ -
30
М10.6Н Гайка Под заказ -
31
М8.6gх16 Болт Под заказ -
32
СМД2-2606-1 Вилка Под заказ -
33
СМД7-2602-1 Вал привода гидравлического насоса Под заказ -
Содержащиеся в справочниках-каталогах запасные части и детали не предлагаются к продаже, а носят исключительно информационный характер


Наши преимущества