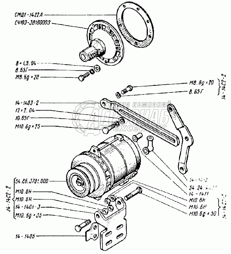
Каталог запасных частей к технике: ВгТЗ ДТ-75Н. Установка генератора и счетчика моточасов

Установка генератора и счетчика моточасов

zoom-in zoom-out enlarge shrink circle-right circle-left file-text2 info cart
1
2
3
3
4
5
6
7
8
9
10
11
12
13
13
13
14
15
16
16
16
16
17
17
18
19
Изображение Артикул товара Наименование Наличие Единица измерения Количество Цена Корзина
1
14-1411 Наконечник изоляционный Под заказ -
2
8х1,5.04 Шайба Под заказ -
3
8.65Г Шайба ГОСТ 6402-70 Под заказ -
4
12х2.04 Шайба Под заказ -
5
10.65Г Шайба ГОСТ 6402-70 Под заказ -
6
14-1405 Шайба Под заказ -
7
СЧ103-3818000Э Счетчик моточасов Под заказ -
8
СМД1-1422А Прокладка Под заказ -
9
14-1403-2 Натяжитель Под заказ -
10
54.24.445Б Наконечник изоляционный Под заказ -
11
М10.6gх25 Болт Под заказ -
12
14-1412 Кронштейн натяжителя Под заказ -
13
14-14С2-2 Кронштейн генератора в сборе Под заказ -
14
14-1401-3 Кронштейн генератора Под заказ -
15
54.86.3701.000 Генератор Под заказ -
16
М10.6Н Гайка Под заказ -
17
М8.6gх20 Болт Под заказ -
18
М10.6gх50 Болт Под заказ -
19
М10.6gх35 Болт Под заказ -
Содержащиеся в справочниках-каталогах запасные части и детали не предлагаются к продаже, а носят исключительно информационный характер


Наши преимущества