| № | Изображение | Артикул товара | Наименование | Наличие | Единица измерения | Количество | Цена | Корзина | |
|---|---|---|---|---|---|---|---|---|---|
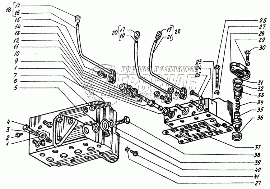
| 1 | 78.64.001 | Установка распределителя | Под заказ | - | |||||
| 2 | Пробка КГ 1/4" ГОСТ 12720-67 | Пробка КГ 1/4" ГОСТ 12720-67 | Под заказ | - | |||||
| 3 | 77.64.106А | Угольник поворотный | Под заказ | - | |||||
| 4 | 77.64.114 | Шайба малая | Под заказ | - | |||||
| 5 | 77.64.105 | Болт | Под заказ | - | |||||
| 6 | Р80-3-004-10 | Корпус распределителя | Под заказ | - | |||||
| 7 | 017-021-25-2-2 | Кольцо уплотнительное | Под заказ | - | |||||
| 8 | Н.036.04.005 | Штуцер проходной | Под заказ | - | |||||
| 9 | Р75-064 | Кольцо нижнее | Под заказ | - | |||||
| 10 | Р75-054Б | Рычаг | Под заказ | - | |||||
| 11 | Шпонка 3х6,5 ГОСТ 24071-80 | Шпонка 3х6,5 ГОСТ 24071-80 | Под заказ | - | |||||
| 12 | НШ16-0505037 | Кольцо уплотнительное | Под заказ | - | |||||
| 13 | Р75-065 | Кольцо верхнее | Под заказ | - | |||||
| 14 | Р75-056М | Чехол | Под заказ | - | |||||
| 15 | Шайба 12 65Г ГОСТ 6402-70 | Шайба 12 65Г ГОСТ 6402-70 | Под заказ | - | |||||
| 16 | Гайка М12х1,25.4.016 ГОСТ 11860-73 | Гайка М12х1,25.4.016 ГОСТ 11860-73 | Под заказ | - | |||||
| 17 | 78.64.011-1 | Рычаг левый | Под заказ | - | |||||
| 18 | А13.05.000 | Рукоятка управления | Под заказ | - | |||||
| 19 | 78.64.014-1 | Рычаг левый | Под заказ | - | |||||
| 20 | 78.64.012-1 | Рычаг средний | Под заказ | - | |||||
| 21 | 78.64.015-1 | Рычаг средний | Под заказ | - | |||||
| 22 | 78.64.013-1 | Рычаг правый | Под заказ | - | |||||
| 23 | 78.64.016-1 | Рычаг правый | Под заказ | - | |||||
| 24 | Р75-3-022Б | Крышка верхняя | Под заказ | - | |||||
| 25 | Болт М8-6gх16 ГОСТ 7796-70 | Болт М8-6gх16 ГОСТ 7796-70 | Под заказ | - | |||||
| 26 | Болт М8х2х55.56 ГОСТ 7795-70 | Болт М8х2х55.56 ГОСТ 7795-70 | Под заказ | - | |||||
| 27 | Р75-071Г | Упор | Под заказ | - | |||||
| 28 | Шайба 10 65Г ГОСТ 6402-70 | Шайба 10 65Г ГОСТ 6402-70 | Под заказ | - | |||||
| 29 | Шайба 8Т 65Г ГОСТ 6402-70 | Шайба 8Т 65Г ГОСТ 6402-70 | Под заказ | - | |||||
| 30 | Р75-077 | Кольцо V-35х30-2 ГОСТ 9833-61 | Под заказ | - | |||||
| 31 | НШ10-0101031 | Кольцо уплотнительное | Под заказ | - | |||||
| 32 | Р75-073А | Направляющая клапана | Под заказ | - | |||||
| 33 | Р75-072 | Пружина перепускного клапана | Под заказ | - | |||||
| 34 | Р80-3-41 | Клапан перепускной в сборе | Под заказ | - | |||||
| 35 | Р80-040-10 | Гнездо | Под заказ | - | |||||
| 36 | Р75-3-038 | Прокладка верхняя | Под заказ | - | |||||
| 37 | 77.64.108 | Болт поворотного угольника | Под заказ | - | |||||
| 38 | 77.64.115 | Шайба большая | Под заказ | - | |||||
| 39 | 77.64.107А | Угольник поворотный | Под заказ | - | |||||
| 40 | Болт М10-6gх18.58.016 ГОСТ 7796-70 | Болт М10-6gх18.58.016 ГОСТ 7796-70 | Под заказ | - |