Каталог запасных частей к технике: ВгТЗ ДТ-75МВ. Маслоочиститель полнопоточный центробежный

Маслоочиститель полнопоточный центробежный

zoom-in zoom-out enlarge shrink circle-right circle-left file-text2 info cart
Изображение Артикул товара Наименование Наличие Единица измерения Количество Цена Корзина
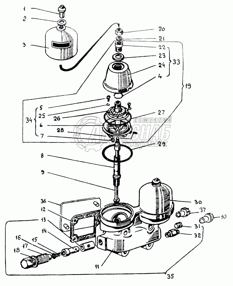
1
03-10С2А Центрифуга в сборе Под заказ -
2
03-10С14 Центрифуга в сборе Под заказ -
3
03-10С6-1 Колпак с табличкой Под заказ -
4
14-1008-Г Остов ротора Под заказ -
5
14-1012-А Ось ротора Под заказ -
6
03-1004А Трубка маслоотводящая Под заказ -
7
03-1001Б Корпус Под заказ -
8
6Т2-1009 Прокладка Под заказ -
9
03-1022-1 Стакан Под заказ -
10
03-1027-1 Клапан Под заказ -
11
03-1025-2 Болт Под заказ -
12
14-10С3Б Ротор в сборе Под заказ -
13
14-1018-А Шайба упорная Под заказ -
14
14-1013В-1 Гайка ротора Под заказ -
15
14-1009Г-1 Крышка ротора Под заказ -
16
14-10С8Б Маслоотражатель Под заказ -
17
14-1014Д Колпак Под заказ -
18
03-1014 Штуцер Под заказ -
19
14-10С12-Б Крышка ротора Под заказ -
20
14-10С10-Б Остов ротора Под заказ -
21
03-10С4А Корпус в сборе Под заказ -
Содержащиеся в справочниках-каталогах запасные части и детали не предлагаются к продаже, а носят исключительно информационный характер


Наши преимущества