Каталог запасных частей к технике: Versatile серии GENESIS. 17A01 Прицепное устройство

17A01 Прицепное устройство

zoom-in zoom-out enlarge shrink circle-right circle-left file-text2 info cart
1
2
3
4
4
5
5
6
7
8
9
9
10
11
12
13
14
15
16
17
17
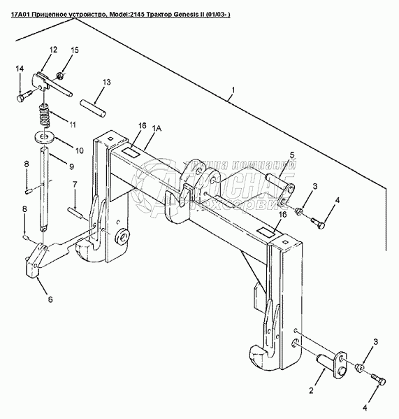
Изображение Артикул товара Наименование Наличие Единица измерения Количество Цена Корзина
1
86015309 Механизм сцепки Genesis Под заказ -
2
86015310 Рама механизма сцепки Под заказ -
3
86504096 Палец Под заказ -
4
86504093 Втулка диам.0.75 длина 0.78 1/2dmNC Под заказ -
5
87670 Болт 0.50dmx1.25GR5 PL Под заказ -
6
86504095 Палец Под заказ -
7
86504100 Затвор крюка Под заказ -
8
87697 Ось 1/2dmх1/2dm Под заказ -
9
87940 Штифт 5/16dmх1 1/4 dm Под заказ -
10
86504099 Ось Под заказ -
11
87381 Шайба Sae P .75 Na2032 Под заказ -
12
86504097 Пружина Под заказ -
13
86505200 Ручка Под заказ -
14
86504094 Ось Под заказ -
15
87657 Болт 0.31х1.25 Gr-5 Под заказ -
16
280736 Контргайка 5/16dm - 18 Под заказ -
17
86014091 Информационная табличка прицепного механизма Под заказ -
Содержащиеся в справочниках-каталогах запасные части и детали не предлагаются к продаже, а носят исключительно информационный характер


Наши преимущества