Каталог запасных частей к технике: Versatile серии GENESIS. 11B01 Передние рабочие фары

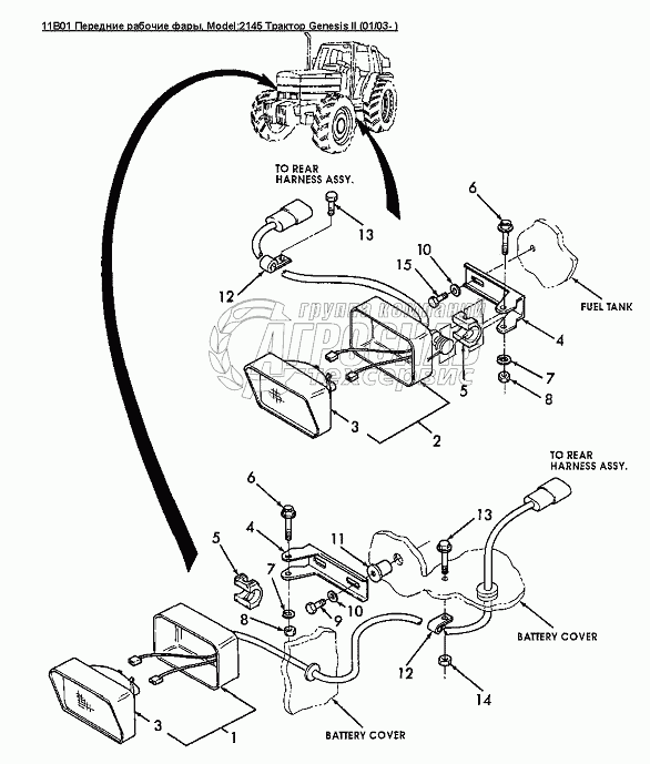
11B01 Передние рабочие фары

zoom-in zoom-out enlarge shrink circle-right circle-left file-text2 info cart
1
2
3
3
4
4
5
5
6
6
7
7
8
8
9
10
10
11
12
12
13
13
14
15
Изображение Артикул товара Наименование Наличие Единица измерения Количество Цена Корзина
1
9846126 Лампа правая в сборе 50 ВТ Под заказ -
2
9846125 Лампа 50Вт Под заказ -
3
9848640 Лампа 50 Вт (на крыше кабины) Под заказ -
4
86501123 Крепление фонаря Под заказ -
5
86501124 Зажим крепления фонаря Под заказ -
6
86500655 Болт M8х50мм Под заказ -
7
80681 Шайба 0.31PL Под заказ -
8
86629542 Контргайка М8х1.25 Под заказ -
9
43128 Болт M8x1.25x30 CL8.8 Под заказ -
10
412328 Шайба М8 Под заказ -
11
9841195 Гайка специальная М8х1.25 Под заказ -
12
272535 Хомут 0.25 Под заказ -
13
9804256 Болт M6x20 Cl-8.8 Под заказ -
14
353308 Контргайка M6 Под заказ -
15
16043224 Болт CL 8.8, M8 x 1.25 x 16 Под заказ -
Содержащиеся в справочниках-каталогах запасные части и детали не предлагаются к продаже, а носят исключительно информационный характер


Наши преимущества