Каталог запасных частей к технике: Versatile серии GENESIS. 06A05b Подогреватель, Модель: 2145

06A05b Подогреватель, Модель: 2145

zoom-in zoom-out enlarge shrink circle-right circle-left file-text2 info cart
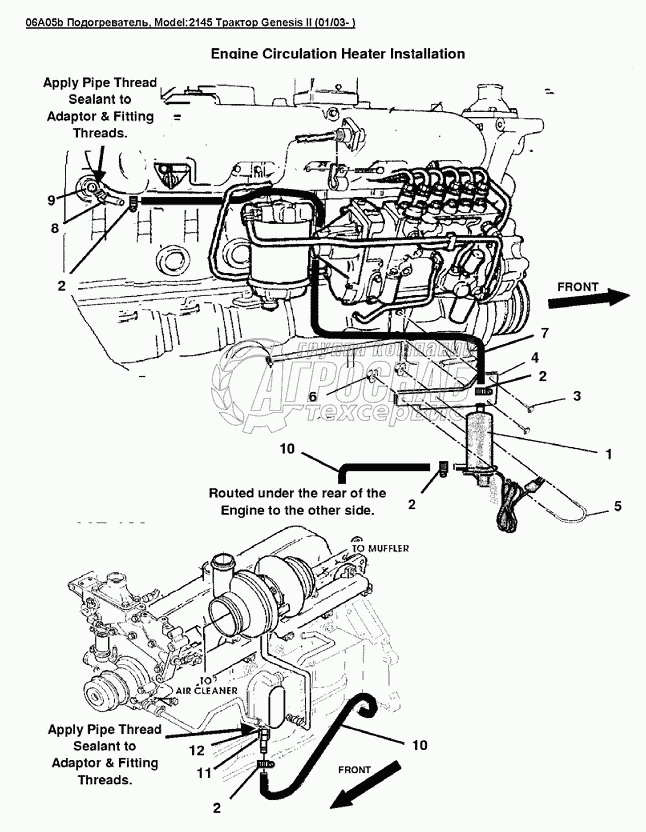
1
2
3
4
5
6
7
8
9
9
10
Изображение Артикул товара Наименование Наличие Единица измерения Количество Цена Корзина
1
86033368 Подогреватель 750Вт 120В Под заказ -
2
86033376 Подогреватель Под заказ -
3
86033369 Кронштейн подогревателя Под заказ -
4
86017346 U-образный болт 68 x 89mm,, M8 x 1.25 Под заказ -
5
9804277 Гайка M8 Cl-8 Pl Под заказ -
6
86368SRV Трубка 0.625dmх600мм Под заказ -
7
86033328 Фитинг 45-5/8x1/2npt Под заказ -
8
V17194 Фитинг 3/4-1/2in Nptf Под заказ -
9
84224SRV Трубка 0.625dmх1225мм Под заказ -
10
86033377 Адаптер рукава 1/8Mnpt x 1/4Fnpt Под заказ -
Содержащиеся в справочниках-каталогах запасные части и детали не предлагаются к продаже, а носят исключительно информационный характер


Наши преимущества