| № | Изображение | Артикул товара | Наименование | Наличие | Единица измерения | Количество | Цена | Корзина | |
|---|---|---|---|---|---|---|---|---|---|
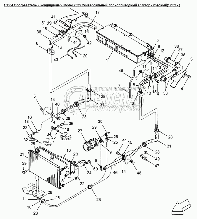
| 1 | NS | Левая боковина в сборе | Под заказ | - | |||||
| 2 | 86000745 | Вкладыш задний правый | Под заказ | - | |||||
| 3 | 86000744 | Вкладыш задний левый | Под заказ | - | |||||
| 4 | 9804258 | Болт M8x20 Cl-8.8 | Под заказ | - | |||||
| 5 | 86505868 | Гайка шестигранная USR M 8 PL | Под заказ | - | |||||
| 6 | 9707354 | Уплотнение рукавов кондиционера | Под заказ | - | |||||
| 7 | 86000943 | Дренажная трубка | Под заказ | - | |||||
| 8 | 86011398 | Шланг АС 5/8 X 4840 J2064D | Под заказ | - | |||||
| 9 | 86031255 | Уплотнительное кольцо, внут.диам.0.551dm | Под заказ | - | |||||
| 10 | 86030071 | Трубка кондиционера 5/16 X 4665 J2064C | Под заказ | - | |||||
| 11 | 9827060 | Кольцо уплотнительное 301IDx.070THK | Под заказ | - | |||||
| 12 | 86013087 | Медные трубки 1/2 | Под заказ | - | |||||
| 13 | 86013086 | Медные трубки 1/4 | Под заказ | - | |||||
| 14 | V86529 | Хомут 1.00dm | Под заказ | - | |||||
| 15 | V33721 | Хомут 7/8dm | Под заказ | - | |||||
| 16 | 86011880 | Шланг высокого давления 5/8 X 5300 | Под заказ | - | |||||
| 17 | 9790676 | Рукав 0.625 | Под заказ | - | |||||
| 18 | 9706921 | Хомут 1/2dm-1.375dm | Под заказ | - | |||||
| 19 | 86013101 | Водяной клапан | Под заказ | - | |||||
| 20 | 86013810 | Кабель отопителя | Под заказ | - | |||||
| 21 | 86029822 | Конденсор | Под заказ | - | |||||
| 22 | 86030073 | Трубка кондиционера 5/16x5200 J2064C | Под заказ | - | |||||
| 23 | 9705765 | Ресивер кондиционера | Под заказ | - | |||||
| 24 | 71690 | Крепежная скоба | Под заказ | - | |||||
| 25 | 86030072 | Трубка кондиционера 13/32x4000 J2064C | Под заказ | - | |||||
| 26 | 9827058 | Уплотнительное кольцо зеленое 70-Duro ID-0.42in | Под заказ | - | |||||
| 27 | 9705764 | Компрессор системы кондиционирования | Под заказ | шт | 34 634.40 ₽34 634.40 ₽ | ||||
| 28 | 2747 | Накладка соединительная, нейлоновая, регулируемая | Под заказ | - | |||||
| 29 | 9707391 | Фитинг компрессора №10 | Под заказ | - | |||||
| 30 | 9707390 | Фитинг №8 | Под заказ | - | |||||
| 31 | 9707360 | Защитный рукав, ширина 92мм, длина 700мм, нейлон | Под заказ | - | |||||
| 32 | 86010532 | Шланговое соединение 5/8x1/2NPT | Под заказ | - | |||||
| 33 | 14602 | Фитинг 1/2dm NPT | Под заказ | - | |||||
| 34 | 83961305 | Кран отопителя | Под заказ | - | |||||
| 35 | 88088 | Адаптер 1/2MNPFTx3/8SWFNPSM | Под заказ | - | |||||
| 36 | 86013885 | Шланг высокого давления 5/8 X 4200 | Под заказ | - | |||||
| 37 | 86018785 | Трубка | Под заказ | - | |||||
| 38 | 86001145 | Изолирующая медная труба | Под заказ | - | |||||
| 39 | 263117 | Соединительный трос, нейлон | Под заказ | - | |||||
| 40 | 51026 | Болт M8x12 Cl-8.8 | Под заказ | - | |||||
| 41 | 9804261 | Болт M10x1.50x25 Cl-8.8 | Под заказ | - | |||||
| 42 | 9804261 | Болт M10x1.50x25 Cl-8.8 | Под заказ | - | |||||
| 43 | 104409 | Гайка M10 x 1.5 | Под заказ | - | |||||
| 44 | 86019369 | Кабель управления | Под заказ | - | |||||
| 45 | 86000156 | Пружинный зажим | Под заказ | - | |||||
| 46 | 86001604 | Трубка дренажная резиновая Duro-65 | Под заказ | - | |||||
| 47 | 86012470 | Изолирующая трубка, длина 44,0 | Под заказ | - | |||||
| 48 | V86490 | Хомут 1.50dm | Под заказ | - | |||||
| 49 | 43435 | Гайка M10 Usr Pl | Под заказ | - | |||||
| 50 | 86511323 | Шайба 10.77X20.00X2.00 PL | Под заказ | - | |||||
| 51 | 86511841 | Болт M8x16, 8.8 | Под заказ | - | |||||
| 52 | 86020394 | Крепежное приспособление 0.173 | Под заказ | - |