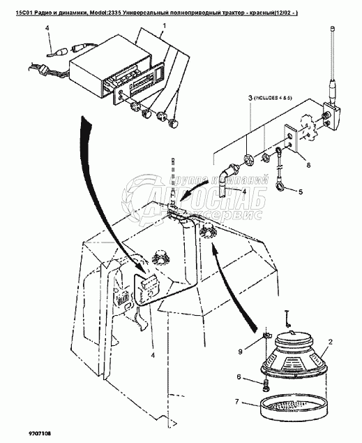
Каталог запасных частей к технике: Versatile серии 2000. 15C01 Радио и динамики

15C01 Радио и динамики

zoom-in zoom-out enlarge shrink circle-right circle-left file-text2 info cart
3
4
5
6
7
8
8
9
10
11
12
13
Изображение Артикул товара Наименование Наличие Единица измерения Количество Цена Корзина
1
86023028 Жгут магнитолы, L4WD & Genesis Под заказ -
2
9846290DS Комплект деталей радио Под заказ -
3
86023024 Магнитола кассетная, AM/FM L4WD + Genesis Под заказ -
4
86023025 Магнитола DELUXE кассетная, AM/FM L4WD + Genesis Под заказ -
5
86023026 Магнитола DELUXE CD, AM/FM L4WD + Genesis Под заказ -
6
86505909 Динамик 6dm круглый Под заказ -
7
86015802 Набор проводов антенны и креплений Под заказ -
8
86015977 Антенна радио Lth-128.7in x 90deg Под заказ -
9
86015978 Массовый провод Под заказ -
10
86511331 Самонарезающий винт #8 18X3/4 с плоскоконической Под заказ -
11
86000998 Решетка динамика Под заказ -
12
86015979 Опорная плита антенны Под заказ -
13
V62473 Гайка специальная Под заказ -
Содержащиеся в справочниках-каталогах запасные части и детали не предлагаются к продаже, а носят исключительно информационный характер


Наши преимущества