| № | Изображение | Артикул товара | Наименование | Наличие | Единица измерения | Количество | Цена | Корзина | |
|---|---|---|---|---|---|---|---|---|---|
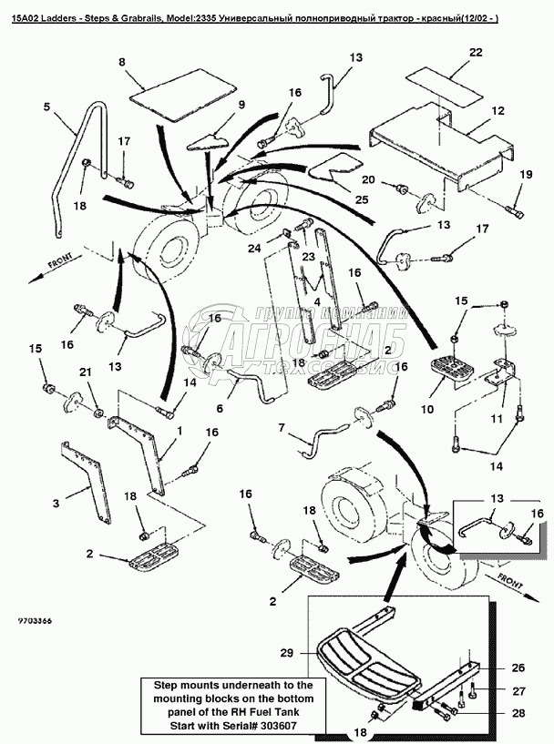
| 1 | 86027804 | Левый кронштейн подножки L4WD | Под заказ | - | |||||
| 2 | 86026027 | Левый кронштейн подножки L4WD | Под заказ | - | |||||
| 3 | 86015582 | Подножка | В наличии | шт | 1 466 ₽1 466 ₽ | ||||
| 4 | 86026034 | Правый кронштейн подножки L4WD | Под заказ | - | |||||
| 5 | 86027811 | Правый кронштейн подножки L4WD | Под заказ | - | |||||
| 6 | 86026033 | Боковина лестницы, ширина 102мм длина 900мм | Под заказ | - | |||||
| 7 | 86027810 | Боковые поручни основной лестницы, красные | Под заказ | - | |||||
| 8 | 86026032 | Поручень основной, диам. 31.75мм | Под заказ | - | |||||
| 9 | 86027809 | Перила основные красные | Под заказ | - | |||||
| 10 | 86027808 | Поручень левый красный | Под заказ | - | |||||
| 11 | 86026031 | Поручень левый, диам. 19.05мм | Под заказ | - | |||||
| 12 | 86026030 | Поручень правый, диам. 19.05мм | Под заказ | - | |||||
| 13 | 86027807 | Поручень правый, диам. 19.05мм | Под заказ | - | |||||
| 14 | 9706446 | Подножка | Под заказ | - | |||||
| 15 | 9707285 | Ступенька задней рамы | Под заказ | - | |||||
| 16 | 86017296 | Накладка алюминиевая | Под заказ | - | |||||
| 17 | 86026029 | Кронштейн подножки | Под заказ | - | |||||
| 18 | 86027806 | Крепление подножки (красн.) | Под заказ | - | |||||
| 19 | 86026028 | Щит L4WD | Под заказ | - | |||||
| 20 | 86027805 | Щит L4WD | Под заказ | - | |||||
| 21 | 9707314 | Поручень L4WD | Под заказ | - | |||||
| 22 | 43168 | Болт M16x40.8 Cl-8.8 | Под заказ | - | |||||
| 23 | 9804280 | Гайка M16 Cl-8 Pl | Под заказ | - | |||||
| 24 | 9840672 | Болт M10x1.50x30 | Под заказ | - | |||||
| 25 | 9804264 | Винт с гексагональной головкой с фланцами Cl-8.8 P | Под заказ | - | |||||
| 26 | 9672413 | Контргайка металлическая М10 | Под заказ | - | |||||
| 27 | 9670288 | Болт M12x35 | Под заказ | - | |||||
| 28 | 86512497 | Гайка M12 Gr10 Plt | Под заказ | - | |||||
| 29 | 140020 | Шайба | Под заказ | - | |||||
| 30 | 9707226 | Противоскользящая накладка на задней раме | Под заказ | - | |||||
| 31 | 9804263 | Винт с гексагональной головкой с фланцами M10x40 | Под заказ | - | |||||
| 32 | 86511323 | Шайба 10.77X20.00X2.00 PL | Под заказ | - | |||||
| 33 | 86001386 | Подножка задней рамы | Под заказ | - | |||||
| 34 | 86034844 | Квадратная трубка для крепления правой ступени | Под заказ | - | |||||
| 35 | 9804265 | Болт M10x1.5x60 Cl 8.8 | Под заказ | - | |||||
| 36 | 9671487 | Болт M 12х1.75х50 Cl-8.8 | Под заказ | - | |||||
| 37 | 86032187 | Ступенька красная | Под заказ | - |