| № | Изображение | Артикул товара | Наименование | Наличие | Единица измерения | Количество | Цена | Корзина | |
|---|---|---|---|---|---|---|---|---|---|
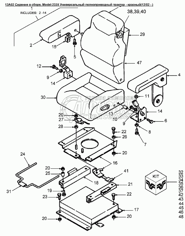
| 1 | 86520864 | Сидение | Под заказ | - | |||||
| 2 | 86000946 | Подлокотник сиденья | Под заказ | - | |||||
| 3 | 86502169 | Лампа 12-16В 0.33А | Под заказ | - | |||||
| 4 | 86000701 | Подлокотники л/п сидения оператора | Под заказ | - | |||||
| 5 | 86000702 | Болт | Под заказ | - | |||||
| 6 | 87626 | Болт G5 5/16dm-18 x 2-3/4dm | Под заказ | - | |||||
| 7 | 9707515 | Болт G5 5/16dm-18x1-3/4dm | Под заказ | - | |||||
| 8 | 87362 | Шайба 0.310 Pl, сталь | Под заказ | - | |||||
| 9 | 81541 | Шайба 0.500x1.250x0.083 Pl | Под заказ | - | |||||
| 10 | 280244 | Болт Gr-5 7/16dm-14x3/4 | Под заказ | - | |||||
| 11 | 86000705 | Шайба диам.внутр.0.390 наруж.1.120, сталь | Под заказ | - | |||||
| 12 | 280117 | Болт G5, 7/16dm-14х2dm | Под заказ | - | |||||
| 13 | 86508379 | Втулка | Под заказ | - | |||||
| 14 | 86020711 | Ремень безопасности,, Genesis | Под заказ | - | |||||
| 15 | 86000681 | Переключатель | Под заказ | - | |||||
| 16 | 86502163 | Поворотная плита | Под заказ | - | |||||
| 17 | 86000683 | Изолятор | Под заказ | - | |||||
| 18 | 86000684 | Правая направляющая основания сидения оператора | Под заказ | - | |||||
| 19 | 84792 | Болт 5/16dm-18x3/4dm | Под заказ | - | |||||
| 20 | 9635082 | Гайка 0.312nc Gr5 Pl | Под заказ | - | |||||
| 21 | 86000690 | Левая направляющая основания сидения оператора | Под заказ | - | |||||
| 22 | 9627874 | Болт G5 5/16dm-18х5/8dm | Под заказ | - | |||||
| 23 | 88275 | Болт G5 5/16dm-18x1-1/4dm | Под заказ | - | |||||
| 24 | 86000692 | Тяга фиксатора | Под заказ | - | |||||
| 25 | 86508383 | Втулка | Под заказ | - | |||||
| 26 | 87362 | Шайба 0.310 Pl, сталь | Под заказ | - | |||||
| 27 | 86502159 | Датчик присутствия оператора | Под заказ | - | |||||
| 28 | 86508380 | Кольцо | Под заказ | - | |||||
| 29 | 86502171 | Чехол | Под заказ | - | |||||
| 30 | 86502170 | Подушка сидения | Под заказ | - | |||||
| 31 | 86508210 | Рукоятка | Под заказ | - | |||||
| 32 | 86502156 | Комплект рычагов | Под заказ | - | |||||
| 33 | 86502157 | Рукоятки сидения в сборе | Под заказ | - | |||||
| 34 | 86502158 | Амортизатор | Под заказ | - | |||||
| 35 | 86502164 | Комплект деталей регулировки высоты сидения | Под заказ | - | |||||
| 36 | 86502172 | Спинка и подушка сидения | Под заказ | - | |||||
| 37 | 86508207 | Рама спинки сидения | Под заказ | - | |||||
| 38 | 9845771 | Комплект кнопок | Под заказ | - | |||||
| 39 | 86502167 | Подлокотник | Под заказ | - | |||||
| 40 | 86502168 | Подлокотник | Под заказ | - | |||||
| 41 | 86502166 | Подлокотник | Под заказ | - | |||||
| 42 | 86502160 | Комплект деталей направляющей | Под заказ | - | |||||
| 43 | 86013420 | Спинка сидения ASM L4WD | Под заказ | - | |||||
| 44 | 86595866 | Ящик для документов | Под заказ | - |