| № | Изображение | Артикул товара | Наименование | Наличие | Единица измерения | Количество | Цена | Корзина | |
|---|---|---|---|---|---|---|---|---|---|
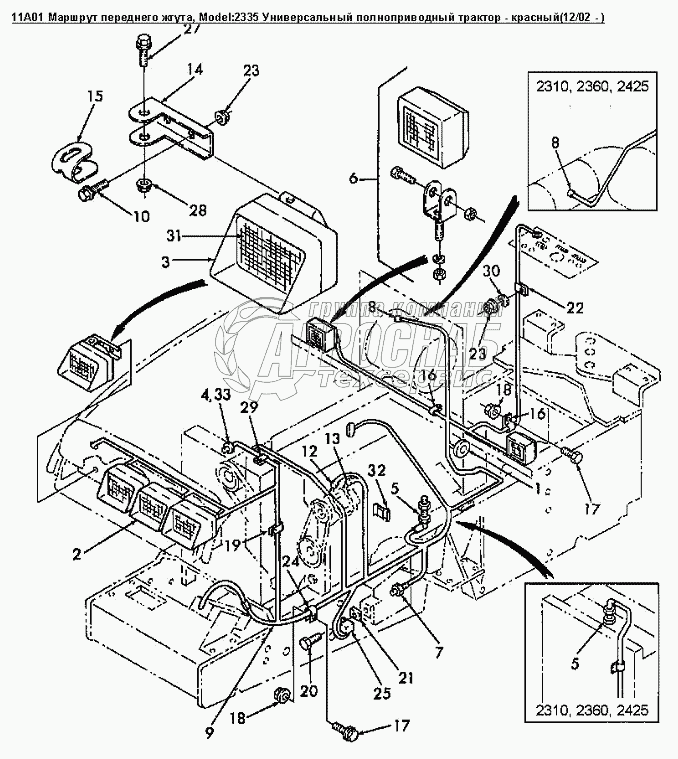
| 1 | 9821300 | Кронштейн звукового сигнала в сборе | Под заказ | - | |||||
| 2 | 9707427 | Фара рабочая 3х5 левая | В наличии | шт | 3 226 ₽3 226 ₽ | ||||
| 3 | 9707428 | Фара рабочая 3х5 правая | Под заказ | - | |||||
| 4 | 86018955 | Датчик уровня охлаждающей жидкости | Под заказ | - | |||||
| 5 | 86031593 | Датчик уровня охлаждающей жидкости | Под заказ | - | |||||
| 6 | 9706428 | Датчик уровня охлаждающей жидкости 3/8-16Ptf | Под заказ | - | |||||
| 7 | 9673053 | Датчик магнитный | Под заказ | - | |||||
| 8 | 9706418 | Фара рабочая 4х6 | Под заказ | - | |||||
| 9 | 9672944 | Переключатель температуры 210 F | Под заказ | - | |||||
| 10 | V103356 | Датчик разряжения | Под заказ | - | |||||
| 11 | 86013882 | Жгут, двигатель N11 и 8.3 ltr | Под заказ | - | |||||
| 12 | 86018854 | Жгут, двигатель N14 | Под заказ | - | |||||
| 13 | 86029887 | Жгут проводов двигателя QSM11 | Под заказ | - | |||||
| 14 | 86511479 | Болт шестигранный FLG USR M 8 X 20 PL | Под заказ | - | |||||
| 15 | 9707484 | Переключатель - давление Nc 300/200 Psig L4WD | Под заказ | - | |||||
| 16 | 9707483 | Переключатель, давление 40/4PSI | Под заказ | шт | 3 811 ₽3 811 ₽ | ||||
| 17 | 86501123 | Крепление фонаря | Под заказ | - | |||||
| 18 | 86501124 | Зажим крепления фонаря | Под заказ | - | |||||
| 19 | 86511954 | Хомут 1 1/16 | Под заказ | - | |||||
| 20 | 9840672 | Болт M10x1.50x30 | Под заказ | - | |||||
| 21 | 86050279 | Гайка шестигранная M10 класс 10 PL | Под заказ | - | |||||
| 22 | 86050307 | Р-образный зажим с покрытием o 0,75 двойной | Под заказ | - | |||||
| 23 | 86511953 | Болт шестигранный FLG USR M 6 X 25 PL | Под заказ | - | |||||
| 24 | 86012004 | Гайка М6 | Под заказ | - | |||||
| 25 | 9706732 | Хомут 3/4dm | Под заказ | - | |||||
| 26 | 86507066 | Гайка шестигранная FLG M8 класс 10 PL | Под заказ | - | |||||
| 27 | 9672530 | Хомут 0.50dm | Под заказ | - | |||||
| 28 | 9843767 | Реле пуска 75 А | Под заказ | - | |||||
| 29 | 86511481 | Болт шестигранный FLG M 8 X 50 8.8PL | Под заказ | - | |||||
| 30 | 86505868 | Гайка шестигранная USR M 8 PL | Под заказ | - | |||||
| 31 | 86050266 | Хомут 3/8 | Под заказ | - | |||||
| 32 | 43730 | Шайба М8 | Под заказ | - | |||||
| 33 | 86507528 | Фонарь 50Вт, 3х5 | Под заказ | - | |||||
| 34 | V33721 | Хомут 7/8dm | Под заказ | - | |||||
| 35 | V20399 | Фитинг 3/8NPTx1/4FNPT | Под заказ | - |