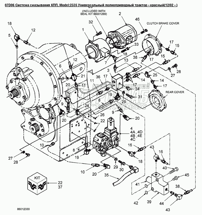
Каталог запасных частей к технике: Versatile серии 2000. 07D06 Система смазывания КПП

07D06 Система смазывания КПП

zoom-in zoom-out enlarge shrink circle-right circle-left file-text2 info cart
1
2
3
4
5
6
7
8
9
10
11
12
13
13
14
14
15
15
16
16
17
17
18
19
19
20
20
21
21
22
49
22
49
22
49
22
49
22
49
23
48
23
48
23
48
24
24
25
25
25
25
26
27
27
29
30
31
32
32
33
33
34
34
35
36
37
38
39
40
41
42
43
43
44
45
46
47
23
48
23
48
22
49
50
51
Изображение Артикул товара Наименование Наличие Единица измерения Количество Цена Корзина
1
86001335 Переходник Под заказ -
2
86019984 Насос Под заказ -
3
86001254 Коллектор Под заказ -
4
86018366 Клапан контрольный системы смазывания МКПП Под заказ -
5
9617020 Пробка 1/4-18 Под заказ -
6
9625178 Пробка 9/16dm, сталь Под заказ -
7
9617873 Кольцо уплотнительное 9/16 IDX11/16 THK NITRI Под заказ -
8
86002987 Дроссель 1/4 - 18 NPTF, диам.5.1 Под заказ -
9
86017354 Золотник контрольного клапана Под заказ -
10
86001347 Дроссель M8х1.25 - 8 диам.1.8 Под заказ -
11
86001271 Ввертыш М8х1.25 внут.диам.4 Под заказ -
12
86001046 Дроссель M8х1.25 диам.2.5 Под заказ -
13
86001255 Трубка масляная 3/4, КПП Под заказ -
14
86001256 Трубка масляная 5/8, КПП Под заказ -
15
86001257 Трубка масляная 5/8, КПП Под заказ -
16
86001258 Трубка масляная 3/8, КПП L4WD Под заказ -
17
86001259 Трубка масляная 3/8 Под заказ -
18
86001260 Трубка масляная 3/8, задняя, КПП Под заказ -
19
86011722 Трубка масляная 3/8, КПП L4WD Под заказ -
20
86001262 Трубка масляная 3/8, 1-го промежуточного вала КПП Под заказ -
21
86019050 Трубка гидравлическая Под заказ -
22
76350 Штуцер 9/16mjicx9/16morb Под заказ -
23
76344 Фитинг 90, 9/16mjicx9/16orb -18unf Под заказ -
24
322894 Фитинг 90, 1-1/16 Jicx1-1/16 Orb Под заказ -
25
164910 Патрубок 90 7/8MJICx7/8ORB В наличии шт 587 ₽587 ₽
26
163335 Тройник 9/16dm-18UNF Под заказ -
27
86001267 Уплотнение Под заказ -
28
86001338 Уплотнительное кольцо JIS B2401 G100 Под заказ -
29
V86576 Хомут 0.625 Под заказ -
30
86050346 P-образный зажим с покрытием, o 0.38 Под заказ -
31
86516151 Штифт 8х16 Под заказ -
32
9824259 Шайба диам.внут.6.62, наруж.12.0, толщина 1.6мм, сталь Под заказ -
33
378056 Болт M6x1.0x10.0 Cl 8.8 Под заказ -
34
378244 Шайба М10 Под заказ -
35
120074 Болт M10x1.50x90 Cl-8.8 Pl Под заказ -
36
43144 Болт CL8.8, M10 x 1.5 x 70 Под заказ -
37
9670066 Болт M12x1.75x30 Cl-8.8 Под заказ -
38
86509605 Болт М12х1.75х85 Под заказ -
39
76349 Пробка 9/16 ORB Под заказ -
40
86050012 Рукав гидравлический в сборе 100R1 ID-1.00in Lg- Под заказ -
41
9790711 Рукав 1/4dmx400 100R1 Под заказ -
42
86020168 Набор уплотнений и прокладок Под заказ -
43
86019051 Трубка тормоза КПП Под заказ -
44
86019052 Корпус Под заказ -
45
86508618 Болт M10 X 45 Под заказ -
46
86018786 Клапан контейнерный Под заказ -
47
86020169 Уплотнительное кольцо, нитрил JIS B2401 P10A Под заказ -
48
76344 Фитинг 90, 9/16mjicx9/16orb -18unf Под заказ -
49
76350 Штуцер 9/16mjicx9/16morb Под заказ -
50
9672438 Пробка 7/16 - 20 Под заказ -
51
9706729 Винт с гексагональной головкой 0.44 x 1.00 Gr-5 Pl Под заказ -
Содержащиеся в справочниках-каталогах запасные части и детали не предлагаются к продаже, а носят исключительно информационный характер


Наши преимущества