| № | Изображение | Артикул товара | Наименование | Наличие | Единица измерения | Количество | Цена | Корзина | |
|---|---|---|---|---|---|---|---|---|---|
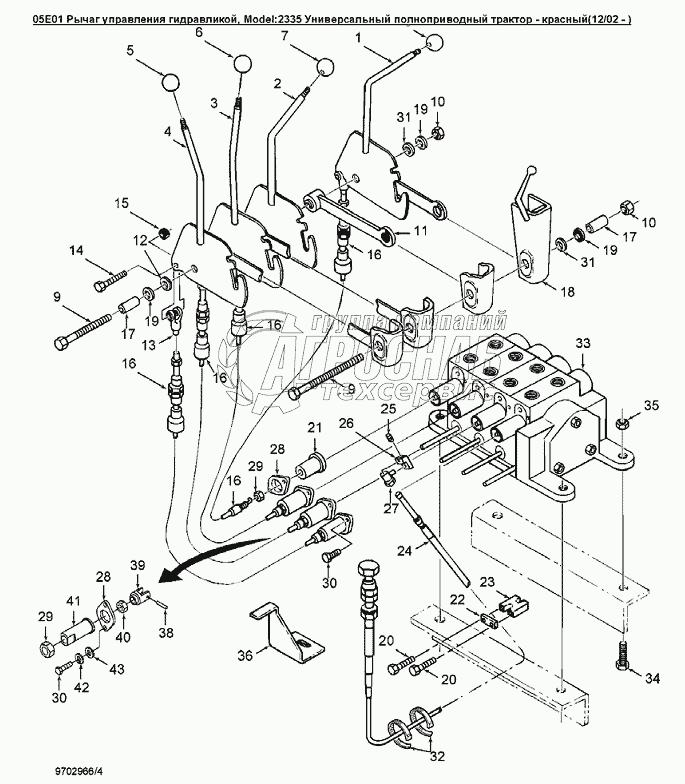
| 1 | 86018862 | Рычаг золотника первой секции | Под заказ | - | |||||
| 2 | 86018863 | Рычаг золотника второй секции | Под заказ | - | |||||
| 3 | 86018864 | Рычаг золотника третьей секции | Под заказ | - | |||||
| 4 | 86018865 | Рычаг золотника четвертой секции | Под заказ | - | |||||
| 5 | 9672785 | Рукоятка | Под заказ | - | |||||
| 6 | 86001123 | Головка рычага зеленая | Под заказ | - | |||||
| 7 | 9672786 | Рукоятка | Под заказ | - | |||||
| 8 | 9673057 | Рукоятка | Под заказ | - | |||||
| 9 | 280505 | Болт G5 3/8dm-16x7-1/2dm | Под заказ | - | |||||
| 10 | 80463 | Контргайка 0.38NC GR5 PL | Под заказ | - | |||||
| 11 | 9705879 | Пластина | Под заказ | - | |||||
| 12 | 86050295 | Шайба 0.406X1.625X0.083 PL | Под заказ | - | |||||
| 13 | 9705847 | Вилка троса 1/4 28UNF | Под заказ | - | |||||
| 14 | 86533411 | Болт шестигранный 0.25x0.88GR5 PL | Под заказ | - | |||||
| 15 | 86532 | Контргайка 1/4dm-0.20 | Под заказ | - | |||||
| 16 | 86013990 | Трос клапана распределителя | Под заказ | - | |||||
| 17 | 86516740 | Втулка диам.внутр.0.376 наруж. 0.626 длина 0.75dm | Под заказ | - | |||||
| 18 | 9705881 | Рычаг блокировки | Под заказ | - | |||||
| 19 | 87016 | Шайба Sae 0.380 Pl, сталь | Под заказ | - | |||||
| 20 | 86508567 | Болт шестигранный M 5x45 8.8PL | Под заказ | - | |||||
| 21 | 86019409 | Электромуфта | Под заказ | - | |||||
| 22 | V109286 | Пластина 14х39х2мм | Под заказ | - | |||||
| 23 | V109287 | Изолятор | Под заказ | - | |||||
| 24 | 86012110 | Трос регулятора расхода жидкости распределителя | Под заказ | - | |||||
| 25 | 86050296 | Установочный винт с шестигран. головкой M8x8 PL | Под заказ | - | |||||
| 26 | 86011983 | Приводной рычаг регулятора расхода | В наличии | шт | 1 407 ₽1 407 ₽ | ||||
| 27 | 9672950 | Сферический шарнир | В наличии | шт | 319 ₽319 ₽ | ||||
| 28 | 9700572 | Фланец, алюминиевый | Под заказ | - | |||||
| 29 | 87313 | Гайка 0.75UNF GR2 PL | Под заказ | - | |||||
| 30 | 86019392 | Нарезной болт 0.25x1.12 GR8 | Под заказ | - | |||||
| 31 | 9672659 | Шайба 0.375 | Под заказ | - | |||||
| 32 | 263117 | Соединительный трос, нейлон | Под заказ | - | |||||
| 33 | 86012576 | Гидрораспределитель, 5 секций | Под заказ | - | |||||
| 34 | 86012578 | Гидрораспределитель, 4 секции | Под заказ | - | |||||
| 35 | 9804263 | Винт с гексагональной головкой с фланцами M10x40 | Под заказ | - | |||||
| 36 | 86514720 | Контргайка с нейлоновой вставкой M10 CLASS10PL | Под заказ | - | |||||
| 37 | 86029293 | Кронштейн упора рычага | Под заказ | - | |||||
| 38 | 86019393 | Пружинный штифт, диметр 6,длина 20.00 | Под заказ | - | |||||
| 39 | 86019394 | Вилка, замыкаемая болтом | Под заказ | - | |||||
| 40 | 88098 | Гайка G2, 1/4dm-28 | Под заказ | - | |||||
| 41 | 86019409 | Электромуфта | Под заказ | - | |||||
| 42 | 80682 | Шайба 0.250PL | Под заказ | - | |||||
| 43 | 80701 | Шайба 0.312x0.734x0.065 Pl, сталь | Под заказ | - |