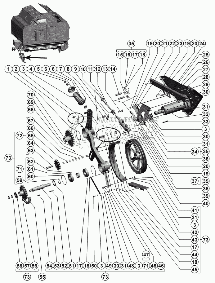
Каталог запасных частей к технике: РСМ-10Б "Дон-1500Б". Привод выгрузного шнека

Привод выгрузного шнека

zoom-in zoom-out enlarge shrink circle-right circle-left file-text2 info cart
1
2
3
3
3
3
3
4
5
67
6
6
7
8
9
10
11
12
13
14
15
16
17
17
17
18
18
18
19
19
19
20
20
20
21
22
23
24
25
26
27
28
29
30
30
30
31
69
31
69
31
69
31
69
32
33
34
35
35
35
36
37
38
39
40
41
42
43
44
45
46
46
47
48
49
50
51
52
53
54
55
56
57
58
59
60
61
62
63
64
65
66
5
67
68
31
69
70
71
71
72
73
73
73
73
Изображение Артикул товара Наименование Наличие Единица измерения Количество Цена Корзина
1
C108 ГОСТ 13942-86 Кольцо Под заказ -
2
2.2.45.Ц6.хр ГОСТ 19853-74 Маслёнка Под заказ -
3
С.10.01.019 ГОСТ 11371-78 Шайба Под заказ -
4
РСМ-10.01.45.631 Пружина Под заказ -
5
М16-6H.6.019 ГОСТ 5915-70 Гайка Под заказ -
6
РСМ-10.01.45.588 Стакан Под заказ -
7
РСМ-10.01.45.017 Втулка Под заказ -
8
М14-6H.6.019 ГОСТ 5915-70 Гайка Под заказ -
9
РСМ-10.01.00.505А Кронштейн Под заказ -
10
РСМ-10.01.45.980 Тяга М16 Под заказ -
11
C 16х4.01.019 ГОСТ 6958-78 Шайба Под заказ -
12
РСМ-10.01.45.607 Гайка М16 Под заказ -
13
М14-6gx50.88.35.019 ГОСТ 7798-70 Болт Под заказ -
14
ДО13М-1 П4МЗ.850.023 ТУ Датчик оборотов Под заказ -
15
РСМ-10.12.00.002 Прокладка Под заказ -
16
РСМ-10.01.45.524 Хомут Под заказ -
17
М8-6H.6.019 ГОСТ 5915-70 Гайка М8-6H.6.019 ГОСТ 5915-70 Под заказ -
18
8Т 65Г 019 ГОСТ 6402-70 Шайба Под заказ -
19
М12-6H.6.019 ГОСТ 5915-70 Гайка Под заказ -
20
12Т 65Г 019 ГОСТ 6402-70 Шайба Под заказ -
21
С.12х2.01.019 ГОСТ 11371-78 Шайба Под заказ -
22
РСМ-10.01.45.725 Угольник Под заказ -
23
М12-6gx60.88.35.019 ГОСТ 7798-70 Болт Под заказ -
24
РСМ-10.01.45.515 Шайба Под заказ -
25
РСМ-10.01.45.500Б Труба Под заказ -
26
РСМ-10.01.45.020Д Каркас Под заказ -
27
М12-6gx70.88.35.019 ГОСТ 7798-70 Болт Под заказ -
28
М12-6gx80.88.35.019 ГОСТ 7798-70 Болт Под заказ -
29
M10x25 ТУ23.4617472.06-91 Болт Под заказ -
30
10Т 65Г 019 ГОСТ 6402-70 Шайба Под заказ -
31
М10-6H.6.019 ГОСТ 5915-70 Гайка Под заказ -
32
РСМ-10.01.45.600 Шнек бункера Под заказ -
33
14x9x70 ГОСТ 23360-78 Шпонка Под заказ -
34
РСМ-10.01.45.430Д Кронштейн Под заказ -
35
РСМ-10.01.45.700В Кронштейн Под заказ -
36
М12-6gx35.88.35.019 ГОСТ 7798-70 Болт Под заказ -
37
M8x20 ТУ23.4617472.06-91 Болт Под заказ -
38
РСМ-10Б.09.59.010 Гидроцилиндр Под заказ -
39
С.14х3.01.019 ГОСТ 11371-78 Шайба Под заказ -
40
3,2x20.019 ГОСТ 397-79 Шплинт Под заказ -
41
РСМ-10.01.45.420В Шкив Под заказ -
42
РСМ-100.19.00.802 Втулка Под заказ -
43
РСМ-10.01.00.492A Щиток Под заказ -
44
РСМ-10.01.00.660А Кожух Под заказ -
45
С.8х1,4.01.019 ГОСТ 11371-78 Шайба Под заказ -
46
М8-6gx25.88.35.019 ГОСТ 7798-70 Болт Под заказ -
47
РСМ-10.01.45.970 Рычаг Под заказ -
48
М10-6gx105.88.35.019 ГОСТ 7798-70 Болт Под заказ -
49
РСМ-10.01.00.597 Пластина Под заказ -
50
М10-6gx25.88.35.019 ГОСТ 7798-70 Болт Под заказ -
51
C 42х3,9.01.019 ГОСТ 10450-78 Шайба Под заказ -
52
54-61810 Шпонка специальная Под заказ -
53
РСМ-10.01.45.634 Ось Под заказ -
54
12x8x45 ГОСТ 23360-78 Шпонка Под заказ -
55
ПР-25,4-65 ТУ 23.2.05790417-014-01 Цепь 119 звеньев, том числе 1С и3П (Цепь 181.03.00.800) Под заказ -
56
РСМ-10.01.45.790 Звездочка z-21 t-25,4 Под заказ -
57
C 24х6.01.019 ГОСТ 6958-78 Шайба Под заказ -
58
М24х2-6H.04.019 ГОСТ 5916-70 Гайка Под заказ -
59
РСМ-10.01.45.021 Втулка Под заказ -
60
B100 ГОСТ 13943-86 Кольцо Под заказ -
61
180309С17 ГОСТ 8882-75 Подшипник Под заказ -
62
РСМ-10.01.45.018А Втулка Под заказ -
63
H.206.20.002 Ось Под заказ -
64
54-151-3-3 Звездочка z-14 t-25,4 или Н206.08.000А Под заказ -
65
54-00781 Втулка или 80440 Под заказ -
66
C 20х1.01.019 ГОСТ 10450-78 Шайба Под заказ -
67
М16-6H.6.019 ГОСТ 5915-70 Гайка Под заказ -
68
М10х25.22Н ТУ 23.4617472.07-91 Винт Под заказ -
69
М10-6H.6.019 ГОСТ 5915-70 Гайка Под заказ -
70
РСМ-10.01.45.990 Звездочка z-24 t-25,4 Под заказ -
71
РСМ-10.01.45.960 Рычаг Под заказ -
72
РСМ-10.01.45.800 Звёздочка натяжная Под заказ -
73
РСМ-10.01.45.950А Привод выгрузного шнека Под заказ -
Содержащиеся в справочниках-каталогах запасные части и детали не предлагаются к продаже, а носят исключительно информационный характер


Наши преимущества