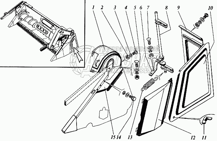
Каталог запасных частей к технике: РСМ Дон 1500Б. Щитки ограждения левой боковины жатки

Щитки ограждения левой боковины жатки

zoom-in zoom-out enlarge shrink circle-right circle-left file-text2 info cart
1
2
3
4
5
6
7
8
9
10
11
12
13
14
15
Изображение Артикул товара Наименование Наличие Единица измерения Количество Цена Корзина
1
3518050-16530 Кожух Под заказ -
2
М8.6Н.6.019 Гайка Под заказ -
3
8Т.65Г.019 Шайба Под заказ -
4
8х20 Штифт Под заказ -
5
С8х1,4.01.019 Шайба Под заказ -
6
3518050-14946 Кронштейн Под заказ -
7
М8х25 Болт Под заказ -
8
3518050-12800А Шарнир Под заказ -
9
3518050-12960Б Кожух Под заказ -
10
3518050-12940А Щит ограждения Под заказ -
11
54-2-157-02 Гайка Под заказ -
12
3518050-16510 Щиток Под заказ -
13
3518050-16421А Пружина Под заказ -
14
М8х20 Болт Под заказ -
15
3518050-12200Б Козырек верхний Под заказ -
Содержащиеся в справочниках-каталогах запасные части и детали не предлагаются к продаже, а носят исключительно информационный характер


Наши преимущества