| № | Изображение | Артикул товара | Наименование | Наличие | Единица измерения | Количество | Цена | Корзина | |
|---|---|---|---|---|---|---|---|---|---|
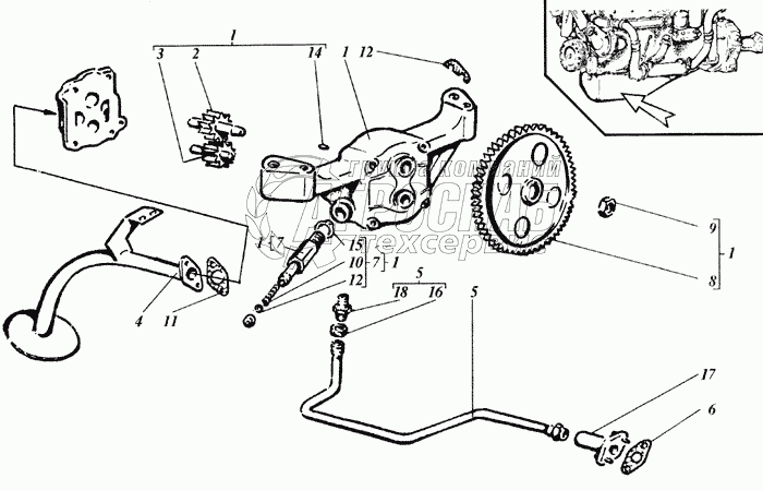
| 1 | 461-51-09с2 | Насос масляный | Под заказ | - | |||||
| 2 | 11Т-09с5 | Колесо зубчатое | Под заказ | - | |||||
| 3 | 11Т-09с6 | Колесо зубчатое | Под заказ | - | |||||
| 4 | 461-51-09с15-20 | Труба маслозаборная | Под заказ | - | |||||
| 5 | 4601-09с16-2 | Труба | Под заказ | - | |||||
| 6 | 01-09с17А | Прокладка | Под заказ | - | |||||
| 7 | МН-09с20 | Клапан редукционный нагнетающей секции | Под заказ | шт | 47 ₽47 ₽ | ||||
| 8 | 4402-0903 | Колесо зубчатое | Под заказ | - | |||||
| 9 | 11Т-0908 | Гайка | Под заказ | - | |||||
| 10 | МН-0922 | Пружина | Под заказ | - | |||||
| 11 | 01-0929А | Прокладка | Под заказ | - | |||||
| 12 | МН-0931 | Прокладка регулировочная | Под заказ | - | |||||
| 13 | 01-0941А | Шайба регулировочная | Под заказ | - | |||||
| 14 | 01-0944-01 | Штифт | Под заказ | - | |||||
| 15 | МН-0949 | Шайба стопорная | Под заказ | - | |||||
| 16 | 4601-0973-01 | Гайка накидная | Под заказ | - | |||||
| 17 | 4601-0974 | Фланец | Под заказ | - | |||||
| 18 | 4601-0150-01 | Штуцер | Под заказ | - |