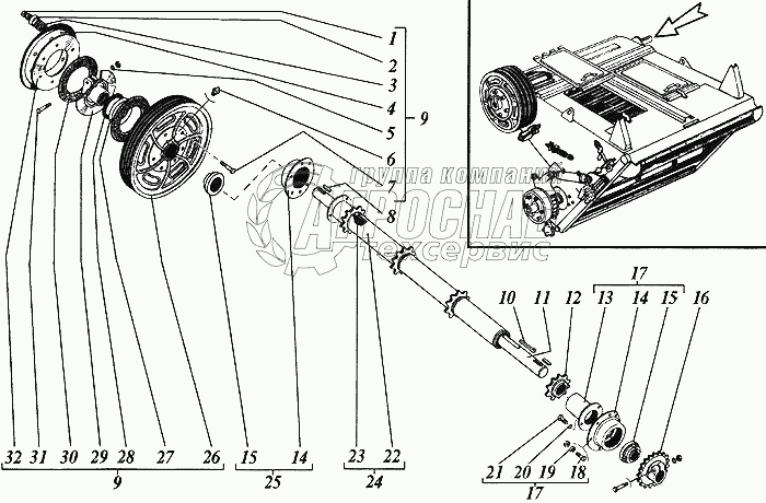
Каталог запасных частей к технике: РСМ Дон 1500А. Вал верхний наклонной камеры

Вал верхний наклонной камеры

zoom-in zoom-out enlarge shrink circle-right circle-left file-text2 info cart
1
2
3
4
5
6
7
8
9
9
10
11
12
13
14
15
16
17
18
19
20
21
22
22
23
23
24
25
26
26
27
28
29
30
31
32
33
34
35
36
37
38
39
40
41
42
43
44
45
46
Изображение Артикул товара Наименование Наличие Единица измерения Количество Цена Корзина
1
М12-6Н.6.919 Гайка Под заказ -
2
3518060-14932 Шайба Под заказ -
3
54-62163 Пружина В наличии шт 117 ₽117 ₽
4
3518060-14992А Щиток Под заказ -
5
12Т.65Г.019 Шайба Под заказ -
6
1,2.Ц6Хр Масленка Под заказ -
7
М12-6gх90.88.35.019 Болт Под заказ -
8
2-14х9х70 Шпонка Под заказ -
9
РСМ-10.27.02.010 Шкив Под заказ -
10
61141-03 Шпонка или 61141 или 61141-01 -02 -04 -05 -06 Под заказ -
11
61141 Шпонка или 61141-01 -02-03 -04 -05 -06 Под заказ -
12
61141-01 Шпонка или 61141 или 61141-02 -03 -04 -05 -06 Под заказ -
13
61141-02 Шпонка или 61141 или 61141-01 -03 -04 -05 -06 Под заказ -
14
61141-04 Шпонка или 61141 или 61141-01 -02 -03 -05 -06 Под заказ -
15
61141-05 Шпонка или 61141 или 61141-01 -02 -03 -04 -06 Под заказ -
16
61141-06 Шпонка или 61141 или 61141-01 -02 -03 -04 -05 Под заказ -
17
3518060-16442В Вал Под заказ -
18
3518050-16442В Вал Под заказ -
19
РСМ-10.27.02.301 Звездочка z-10 t-38,0 Под заказ -
20
3518090-18460А-01 Кожух Под заказ -
21
РСМ-10.27.02.201 Фланец или 3518060-13059 Под заказ -
22
3518060-13059 Фланец или РСМ-10.27.02.201 Под заказ -
23
680210А2К7С17 Подшипник или 680210А2НК7С27 Под заказ -
24
680210А2НК7С27 Подшипник или 680210А2К7С17 Под заказ -
25
3518060-18440А Звездочка z=20 t-25,4 Под заказ -
26
3518060-181260А-01 Фланец с кожухом Под заказ -
27
М10х1,25.6gх35.48.019 Винт Под заказ -
28
М10х1,25-7Н.8.019 Гайка Под заказ -
29
8Т.65Г.019 Шайба Под заказ -
30
М8-6gх16.88.35.019 Болт Под заказ -
31
3518060-14561В-04 Кожух Под заказ -
32
3518060-14561В-05 Кожух Под заказ -
33
3518060-14726Б-01 Кожух Под заказ -
34
3518060-14726Б Кожух Под заказ -
35
3518060-10044А Кольцо Под заказ -
36
3518050-18460Б-01 Кожух в сборе Под заказ -
37
3518060-18430Б-05 Кожух в сборе Под заказ -
38
3518060-18430Б-04 Кожух в сборе Под заказ -
39
РСМ-10.27.02.070 Опора Под заказ -
40
РСМ-10.27.02.040 Шкив Под заказ -
41
3518060-14928 Обойма Под заказ -
42
СП-115-94-8,5 Кольцо Под заказ -
43
3518060-18680А Ступица трения Под заказ -
44
54-01069 Накладка фрикционная Под заказ -
45
М12-6gх75.88.35.019 Болт Под заказ -
46
3518060-14929 Диск нажимной Под заказ -
Содержащиеся в справочниках-каталогах запасные части и детали не предлагаются к продаже, а носят исключительно информационный характер


Наши преимущества