Каталог запасных частей к технике: РСМ Дон 1500А. Установка гидронасоса

Установка гидронасоса

zoom-in zoom-out enlarge shrink circle-right circle-left file-text2 info cart
1
1
2
3
4
5
6
7
8
9
10
11
12
13
13
14
15
16
17
Изображение Артикул товара Наименование Наличие Единица измерения Количество Цена Корзина
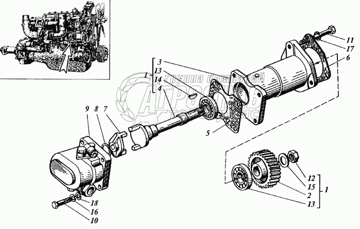
1
СМД9А-26С5 Привод гидронасоса Под заказ -
2
СМД9А-2630Б Колесо зубчатое Под заказ -
3
СМД9А-2628А Корпус привода Под заказ -
4
СМД9А-2629 Валик Под заказ шт 149 ₽149 ₽
5
СМД1-2613А Прокладка Под заказ -
6
СМД1-1327 Прокладка Под заказ -
7
14-2605-1 Муфта ведомая Под заказ -
8
15-2612 Кольцо установочное Под заказ -
9
НШ-10Е-3-0101002-16 Насос шестеренный Под заказ -
10
М8-6gх30.88 Болт Под заказ -
11
М12-6gх90.88 Болт Под заказ -
12
М16-6Н.6 Гайка Под заказ -
13
205 Подшипник Под заказ -
14
6х11 Шпонка Под заказ -
15
16х32 Шайба стопорная Под заказ -
16
865Г05 Шайба Под заказ -
17
1265Г05 Шайба Под заказ -
Содержащиеся в справочниках-каталогах запасные части и детали не предлагаются к продаже, а носят исключительно информационный характер


Наши преимущества