| № | Изображение | Артикул товара | Наименование | Наличие | Единица измерения | Количество | Цена | Корзина | |
|---|---|---|---|---|---|---|---|---|---|
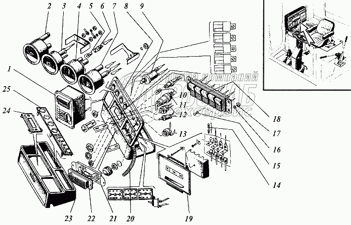
| 1 | БИЧ-А | Блок измерения частоты вращения или БИЧ-М | Под заказ | - | |||||
| 2 | БИЧ-М | Блок измерения частоты вращения или БИЧ-А | В наличии | шт | 5 786 ₽5 786 ₽ | ||||
| 3 | УК170М-У-ХЛ | Приемник указатель давления | Под заказ | - | |||||
| 4 | 33.3810010 | Приемник указатель давления или УК170М-У-ХЛ | Под заказ | - | |||||
| 5 | АП170А | Указатель тока | Под заказ | - | |||||
| 6 | УК171М-У-ХЛ | Приемник указатель температуры | Под заказ | - | |||||
| 7 | 36.3807010 | Приемник указатель температуры или УК171М-У-ХЛ | Под заказ | - | |||||
| 8 | УК170М-У-ХЛ | Приемник указатель давления | Под заказ | - | |||||
| 9 | 34.3806010 | Приемник указатель уровня топлива или УК170М-У-ХЛ | Под заказ | - | |||||
| 10 | А24-1 | Лампа | Под заказ | - | |||||
| 11 | ЛВ211-329 | Патрон со штекером | Под заказ | - | |||||
| 12 | РСМ-10.04.19.070 | Каркас | Под заказ | - | |||||
| 13 | ВК322 | Выключатель | Под заказ | - | |||||
| 14 | 124.380310 | Фонарь контрольной лампы (зеленый) | Под заказ | - | |||||
| 15 | 123.380310 | Фонарь контрольной лампы (красный) | Под заказ | - | |||||
| 16 | ВК354 | Выключатель | Под заказ | - | |||||
| 17 | 11.3704 | Выключатель кнопочный | Под заказ | - | |||||
| 18 | ПД50В | Элемент кнопочный | Под заказ | - | |||||
| 19 | ПР11-К3722210 | Предохранитель | Под заказ | - | |||||
| 20 | ВМ5-8gх10.48.019 | Винт | Под заказ | - | |||||
| 21 | 5Т.65Г.019 | Шайба (кол-во деталей - по потребности) | Под заказ | - | |||||
| 22 | М16-6Н.6.019 | Гайка | Под заказ | - | |||||
| 23 | 53.3710-01-17 | Выключатель | Под заказ | - | |||||
| 24 | РСМ-10.04.19.040А | Фальшпанель | Под заказ | - | |||||
| 25 | РСМ-10Б.10.10.030 | Жгут щитка приборов | Под заказ | - | |||||
| 26 | 141.3717 | Фонарь | Под заказ | - | |||||
| 27 | А24-5-1 | Лампа | Под заказ | - | |||||
| 28 | РСМ-10.04.19.001В | Маска | Под заказ | - | |||||
| 29 | РСМ-10.04.19.020Б | Фальшпанель | Под заказ | - | |||||
| 30 | РСМ-10.04.19.008А | Фальшпанель | Под заказ | - |