| № | Изображение | Артикул товара | Наименование | Наличие | Единица измерения | Количество | Цена | Корзина | |
|---|---|---|---|---|---|---|---|---|---|
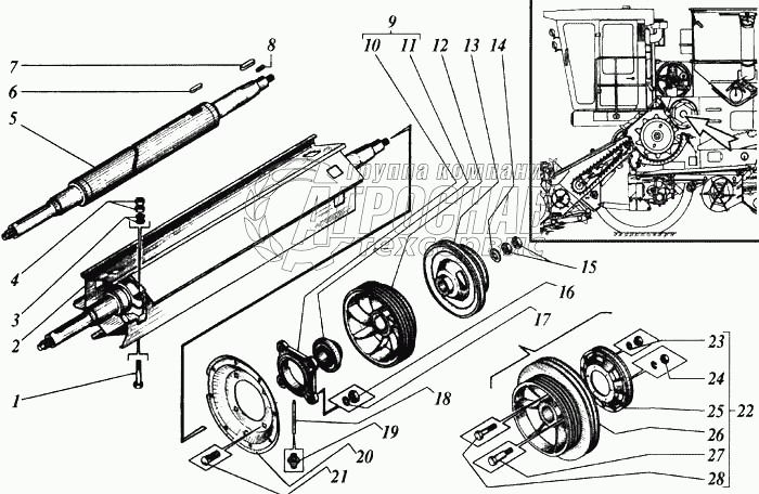
| 1 | М16-6gх120.88.35.019 | Болт | Под заказ | - | |||||
| 2 | М16-6gх95.88.35.019 | Болт (соответственно для этой группы) или М16-6gх120.88.35.019 | Под заказ | - | |||||
| 3 | РСМ-10.01.21.110 | Битер отбойный или РСМ-10.01.21.010А | Под заказ | - | |||||
| 4 | РСМ-10.01.21.010А | Битер отбойный (соответственно для этой группы) или РСМ-10.01.21.110 | Под заказ | - | |||||
| 5 | РСМ-10.01.21.404 | Шайба | Под заказ | - | |||||
| 6 | М16-6Н.6.019 | Гайка | Под заказ | - | |||||
| 7 | РСМ-10.01.21.140 | Вал сварной или РСМ-10.01.21.602А | Под заказ | - | |||||
| 8 | РСМ-10.01.21.602А | Вал цельный (соответственно для этой группы) или РСМ-10.01.21.140 | Под заказ | - | |||||
| 9 | 10х8х70 | Шпонка | Под заказ | - | |||||
| 10 | 18х11х90 | Шпонка | Под заказ | - | |||||
| 11 | 14х9х56 | Шпонка | Под заказ | - | |||||
| 12 | Н.027.01.160 | Подшипник в сборе или опора или РСМ-10.01.15.330 | В наличии | шт | 6 514 ₽6 514 ₽ | ||||
| 13 | РСМ-10.01.21.090 | Подшипник или опора Н.027.01.160 | Под заказ | - | |||||
| 14 | РСМ-10.01.21.103 | Корпус подшипника | Под заказ | - | |||||
| 15 | 11314 | Подшипник | Под заказ | - | |||||
| 16 | РСМ-10.01.21.170 | Шкив для комбайнов с копнителем или РСМ-10.01.21.108 | Под заказ | - | |||||
| 17 | РСМ-10.01.21.108 | Шкив для комбайнов с копнителем или РСМ-10.01.21.170 | Под заказ | - | |||||
| 18 | РСМ-10.01.21.080А | Шкив для комбайнов с копнителем или РСМ-10.01.21.170 или РСМ-10.01.21.108 | Под заказ | - | |||||
| 19 | РСМ-10.01.21.106 | Шкив привода контрприводов | Под заказ | - | |||||
| 20 | С24х6.01.019 | Шайба | Под заказ | - | |||||
| 21 | М24х2-6Н.04.35.019 | Гайка | Под заказ | - | |||||
| 22 | М16-6Н.6.019 | Гайка | Под заказ | - | |||||
| 23 | 16Т.65Г.019 | Шайба | Под заказ | - | |||||
| 24 | 44Б-80243 | Трубка | Под заказ | шт | 830 ₽830 ₽ | ||||
| 25 | 1.2.Ц6хр | Масленка | Под заказ | - | |||||
| 26 | РСМ-10.01.21.403 | Фланец | Под заказ | - | |||||
| 27 | М16х50 | Болт | Под заказ | - | |||||
| 28 | РСМ-10.14.00.530 | Шкив для комбайна с измельчителем или РСМ-10.14.00.510 | Под заказ | - | |||||
| 29 | РСМ-10.14.00.170А | Шкив для комбайна с измельчителем или РСМ-10.14.00.510 или РСМ-10.14.00.530 | Под заказ | - | |||||
| 30 | РСМ-10.14.00.510 | Шкив для комбайна с измельчителем или РСМ-10.14.00.530 | Под заказ | - | |||||
| 31 | 10Т.65Г.019 | Шайба | Под заказ | - | |||||
| 32 | М10-6Н.6.019 | Гайка | Под заказ | - | |||||
| 33 | РСМ-10.14.00.001Б | Шкив для комбайна с измельчителем (привода заднего контрпривода) | Под заказ | - | |||||
| 34 | РСМ-10.14.00.180В | Шкив для комбайна с измельчителем | Под заказ | - | |||||
| 35 | РСМ-10.14.00.612А | Болт | Под заказ | - | |||||
| 36 | М10-6gх50.88.35.019 | Болт | Под заказ | - |