Каталог запасных частей к технике: РСМ Дон 1200Б. Шкив вариатора нижний

Шкив вариатора нижний

zoom-in zoom-out enlarge shrink circle-right circle-left file-text2 info cart
1
2
2
3
4
5
6
7
8
9
10
11
11
12
13
14
15
16
17
18
19
20
20
21
22
23
24
25
26
27
28
29
30
31
32
33
34
35
36
37
38
39
Изображение Артикул товара Наименование Наличие Единица измерения Количество Цена Корзина
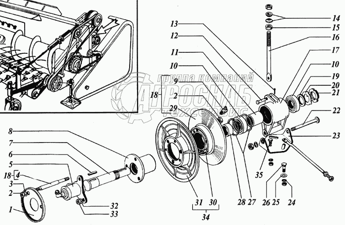
1
РСМ-10.08.01.514 Диск Под заказ -
2
М14х1,5-6Н.6.019 Гайка Под заказ -
3
14Т.65Г.019 Шайба Под заказ -
4
РСМ-10.08.01.631 Шпилька L=122 мм Под заказ -
5
ГА-83.000 Гидроцилиндр Под заказ -
6
12х8х63 Шпонка Под заказ -
7
РСМ-10.08.01.625 Вал Под заказ -
8
РСМ-10.08.01.103 Ступица Под заказ -
9
1.2Ц6хр Масленка Под заказ -
10
180508К2С17 Подшипник или 180508К10С27 Под заказ -
11
180508К10С27 Подшипник или 180508К2С17 Под заказ -
12
РСМ-10.08.01.816А-01 Втулка Под заказ -
13
6-12В12х55.35.Ц9хр Ось Под заказ -
14
3,2х20.019 Шплинт Под заказ -
15
РСМ-100.05.06.601 Шайба или РСМ-10.08.01.602 Под заказ -
16
РСМ-10.08.01.602 Шайба или РСМ-100.05.06.б01 Под заказ -
17
М16.6.019 Гайка Под заказ -
18
РСМ-10.08.01.626А Винт Под заказ -
19
РСМ-10.08.01.104А Корпус Под заказ -
20
РСМ-10.08.01.700 Диск подвижный Под заказ -
21
РСМ-10.08.01.816А-02 Втулка Под заказ -
22
Н39.01.019 Шайба Под заказ -
23
М39х1,5-6Н.05.019 Гайка Под заказ -
24
РСМ-10.08.01.450 Болт или М16-6gх150.88.019 Под заказ -
25
М16-6gх150.88.019 Болт или РСМ-10.08.01.450 Под заказ -
26
РСМ-10.08.01.470А Плита Под заказ -
27
16Т.65Г.019 Шайба Под заказ -
28
С16х3,9.01.019 Шайба Под заказ -
29
3518050-15245 Шайба или С16х3,9.01.019 Под заказ -
30
М16х40.46.019 Болт Под заказ -
31
С80 Кольцо В наличии шт 84 ₽84 ₽
31
С80 Кольцо В наличии шт 41 ₽41 ₽
32
РСМ-10.08.01.816А Втулка Под заказ -
33
РСМ-10.08.01.102 Диск Под заказ -
34
РСМ-10.08.01.632 Болт Под заказ -
35
РСМ-10.08.01.106 Диск Под заказ -
36
12Т.65Г.019 Шайба Под заказ -
37
М12-6Н.6.019 Гайка Под заказ -
38
РСМ-10.08.01.710 Диск неподвижный Под заказ -
39
М12-6gх25.88.35.019 Болт Под заказ -
Содержащиеся в справочниках-каталогах запасные части и детали не предлагаются к продаже, а носят исключительно информационный характер


Наши преимущества