| № | Изображение | Артикул товара | Наименование | Наличие | Единица измерения | Количество | Цена | Корзина | |
|---|---|---|---|---|---|---|---|---|---|
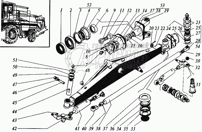
| 1 | РСМ-10.02.02.170А-01 | Шарнир поперечной тяги | Под заказ | - | |||||
| 2 | РСМ-10.02.02.190-01 | Кулак поворотный правый | Под заказ | шт | 40 150 ₽40 150 ₽ | ||||
| 3 | 7610 | Подшипник | Под заказ | - | |||||
| 4 | 7613 | Подшипник | Под заказ | - | |||||
| 5 | РСМ-10.02.02.425 | Кольцо упорное | Под заказ | - | |||||
| 6 | 1.2-75х100-1 | Манжета | Под заказ | - | |||||
| 7 | РСМ-10.02.02.426 | Обойма | Под заказ | - | |||||
| 8 | РСМ-10.02.02.605А | Кольцо сальника | Под заказ | - | |||||
| 9 | 1.2.Ц6хр | Масленка | Под заказ | - | |||||
| 10 | М8х6gх20.35.88.019 | Болт | Под заказ | - | |||||
| 11 | Н130.02.604 | Гайка | Под заказ | - | |||||
| 12 | 8Т.65Г.019 | Шайба | Под заказ | - | |||||
| 13 | РСМ-10.02.02.616 | Болт колеса | Под заказ | - | |||||
| 14 | РСМ-10.02.02.009А | Колпак ступицы | Под заказ | - | |||||
| 15 | РСМ-10.02.02.001 | Прокладка | Под заказ | - | |||||
| 16 | РСМ-10.02.02.204В | Ступица | Под заказ | - | |||||
| 17 | РСМ-10.02.02.634А | Гайка | Под заказ | - | |||||
| 18 | РСМ-10.02.02.417 | Шайба | Под заказ | - | |||||
| 19 | РСМ-10.02.02.632Б | Втулка | Под заказ | - | |||||
| 20 | РСМ-10.02.02.646-01 | Кулак поворотный | Под заказ | - | |||||
| 21 | РСМ-10.02.02.646 | Кулак поворотный | Под заказ | - | |||||
| 22 | РСМ-10.02.02.012А | Втулка | Под заказ | - | |||||
| 23 | М30х2-6Н.6.019 | Гайка | Под заказ | - | |||||
| 24 | 6,3х63.019 | Шплинт | Под заказ | - | |||||
| 25 | РСМ-8.02.02.204А | Балка моста | Под заказ | - | |||||
| 26 | РСМ-10.02.02.020А | Балка моста | Под заказ | - | |||||
| 27 | М20х1,5-6Н.04.019 | Гайка | Под заказ | - | |||||
| 28 | С20х5.01.019 | Шайба | Под заказ | - | |||||
| 29 | 1С47 | Кольцо | Под заказ | - | |||||
| 30 | РСМ-10.02.02.007А | Кольцо | Под заказ | - | |||||
| 31 | ШСП-30 | Подшипник или ШС-30 | Под заказ | - | |||||
| 32 | ШС-30 | Подшипник или ШСП-30 | Под заказ | - | |||||
| 33 | РСМ-10.02.02.638А | Корпус шарнира | Под заказ | - | |||||
| 34 | М22х1,5-6Н.04.019 | Гайка | Под заказ | - | |||||
| 35 | РСМ-10.02.02.806А | Втулка | Под заказ | - | |||||
| 36 | РСМ-10.02.02.633А | Ось | Под заказ | - | |||||
| 37 | РСМ-10.02.02.631А | Рычаг | В наличии | шт | 4 081 ₽4 081 ₽ | ||||
| 38 | РСМ-10.02.02.411 | Заглушка | Под заказ | - | |||||
| 39 | РСМ-10.02.02.408 | Обойма подшипника | Под заказ | - | |||||
| 40 | РСМ-10.02.02.013 | Шайба подшипника | Под заказ | шт | 882 ₽882 ₽ | ||||
| 41 | РСМ-10.02.02.415 | Шайба опорная | Под заказ | шт | 685 ₽685 ₽ | ||||
| 42 | РСМ-10.02.02.409А | Колпак | Под заказ | - | |||||
| 43 | РСМ-8.02.02.210А | Труба | Под заказ | - | |||||
| 44 | РСМ-10.02.02.210А | Труба | Под заказ | - | |||||
| 45 | М22х1,5-6Н.04.019 | Гайка | Под заказ | - | |||||
| 46 | РСМ-10.02.02.638А-01 | Корпус шарнира | Под заказ | - | |||||
| 47 | РСМ-12.09.02.010 | Гидроцилиндр или ГЦ50.200.16.000-01 | Под заказ | - | |||||
| 48 | ГЦ50.200.16.000-01 | Гидроцилиндр или РСМ-12.09.02.010 | Под заказ | - | |||||
| 49 | РСМ-10.02.02.631А-01 | Рычаг | Под заказ | - | |||||
| 50 | 12х8х11 | Шпонка | Под заказ | - | |||||
| 51 | РСМ-10.02.02.805А | Шкворень | Под заказ | - | |||||
| 52 | РСМ-10.02.02.635А | Клин шкворня | Под заказ | - | |||||
| 53 | 12Т.65Г.019 | Шайба | Под заказ | - | |||||
| 54 | М10-6Н.6.019 | Гайка | Под заказ | - | |||||
| 55 | РСМ-10.02.02.011 | Заглушка | Под заказ | - | |||||
| 56 | РСМ-10.02.02.413А | Шайба | Под заказ | - | |||||
| 57 | РСМ-10.02.02.414А | Шайба | Под заказ | - | |||||
| 58 | РСМ-10.02.02.140А | Крышка | Под заказ | - | |||||
| 59 | РСМ-10.02.02.130 | Сальник с обоймой и манжетой (1,2-75х100-1) ступицы колеса | Под заказ | - | |||||
| 60 | РСМ-10.02.02.190 | Кулак поворотный левый | Под заказ | - | |||||
| 61 | РСМ-10.02.02.170А | Шарнир гидроцилиндра поворота и поперечной тяги | Под заказ | - |