| № | Изображение | Артикул товара | Наименование | Наличие | Единица измерения | Количество | Цена | Корзина | |
|---|---|---|---|---|---|---|---|---|---|
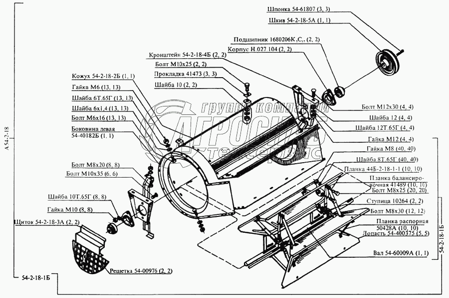
| 1 | 54-400375 | Лопасть | Под заказ | - | |||||
| 2 | 44Б-2-18-1-1 | Планка | Под заказ | - | |||||
| 3 | 41489 | Планка балансировачная | Под заказ | - | |||||
| 4 | 50428А | Планка распорная | Под заказ | - | |||||
| 5 | 1680206К7С17 | Подшипник или 1680206К10С27 | Под заказ | - | |||||
| 6 | 41473 | Прокладка | Под заказ | - | |||||
| 7 | 54-00976 | Решетка | Под заказ | - | |||||
| 8 | 10264 | Ступица | Под заказ | - | |||||
| 9 | 54-2-18-4Б | Кронштейн | Под заказ | - | |||||
| 10 | 8Т.65Г | Шайба | Под заказ | - | |||||
| 11 | Шайба 6х1,4 | Шайба 6х1,4 | Под заказ | - | |||||
| 12 | 54-2-18-5А | Шкив | Под заказ | - | |||||
| 13 | 54-61807 | Шпонка | Под заказ | - | |||||
| 14 | 54-2-18-3А | Щиток | Под заказ | - | |||||
| 15 | Болт М8х30 | Болт М8х30 | Под заказ | - | |||||
| 16 | А54-2-18 | - | Под заказ | - | |||||
| 17 | 54-40182Б | Боковина левая | Под заказ | - | |||||
| 18 | Болт М10х35 | Болт М10х35 | Под заказ | - | |||||
| 19 | Болт М6х16 | Болт М6х16 | Под заказ | - | |||||
| 20 | Болт М8х25 | Болт М8х25 | Под заказ | - | |||||
| 21 | 54-2-18-1Б | - | В наличии | шт | 4 226 ₽4 226 ₽ | ||||
| 22 | 54-60009А | Вал | Под заказ | - | |||||
| 23 | А54-2-18А | Вентилятор | Под заказ | - | |||||
| 24 | Гайка М6 | Гайка М6 | Под заказ | - | |||||
| 25 | 54-2-18-2Б | Кожух | Под заказ | - | |||||
| 26 | Н.027.104 | Корпус подшипника | В наличии | шт | 611 ₽611 ₽ | ||||
| 26 | Н.027.104 | Корпус подшипника | Под заказ | шт | 481 ₽481 ₽ |