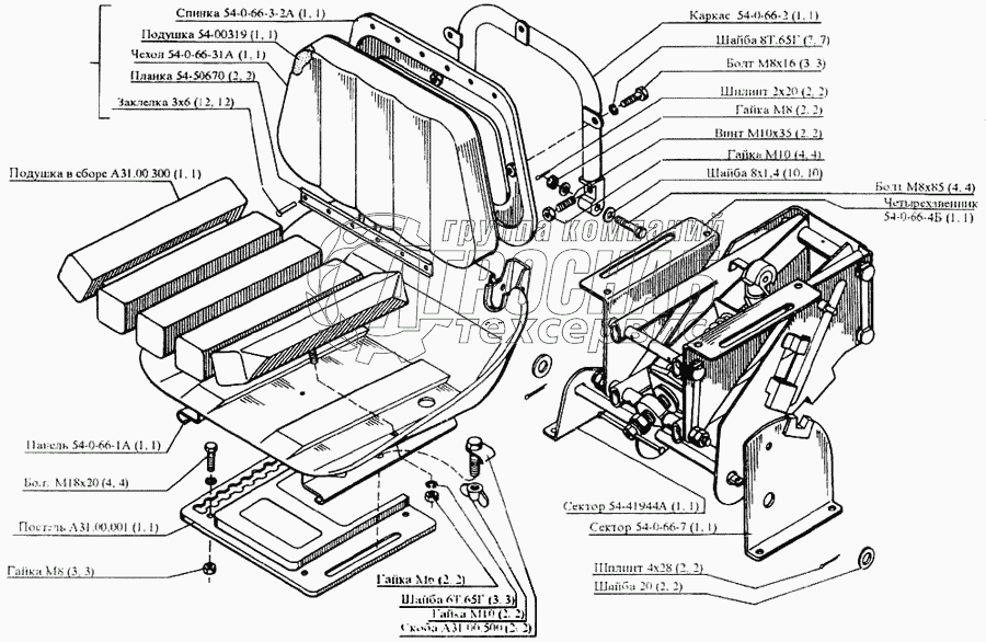
Каталог запасных частей к технике: РСМ CK-5М-1 «Нива». Откидное сиденье водителя

Откидное сиденье водителя

zoom-in zoom-out enlarge shrink circle-right circle-left file-text2 info cart
1
2
3
Изображение Артикул товара Наименование Наличие Единица измерения Количество Цена Корзина
1
8Т.65Г Шайба Под заказ -
2
1 Проволока Под заказ -
3
Гайка М6 Гайка М6 Под заказ -
Содержащиеся в справочниках-каталогах запасные части и детали не предлагаются к продаже, а носят исключительно информационный характер


Наши преимущества