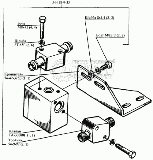
Каталог запасных частей к технике: РСМ CK-5М-1 «Нива». Клапан

Клапан

zoom-in zoom-out enlarge shrink circle-right circle-left file-text2 info cart
1
2
3
4
5
6
7
Изображение Артикул товара Наименование Наличие Единица измерения Количество Цена Корзина
1
Болт М8х12 Болт М8х12 Под заказ -
2
Болт М8х45 Болт М8х45 Под заказ -
3
54-118-9-35 Клапан предохранительный Под заказ -
4
ГА-33000Г Клапан предохранительный Под заказ -
5
54-42-325Б Кронштейн Под заказ -
6
54-9-97 Тройник Под заказ -
7
8Т.65Г Шайба Под заказ -
Содержащиеся в справочниках-каталогах запасные части и детали не предлагаются к продаже, а носят исключительно информационный характер


Наши преимущества