Каталог запасных частей к технике: РСМ CK-5М-1 «Нива». Капот соломотряса

Капот соломотряса

zoom-in zoom-out enlarge shrink circle-right circle-left file-text2 info cart
1
2
3
4
5
6
7
8
10
11
12
13
14
Изображение Артикул товара Наименование Наличие Единица измерения Количество Цена Корзина
1
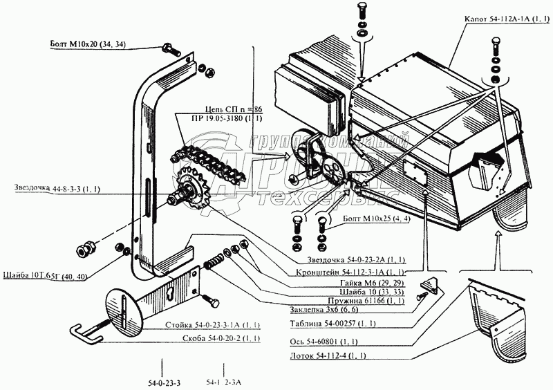
54-112-3-1А Кронштейн Под заказ -
2
ПР 19.05-3180 Цепь СП n=86 Под заказ -
3
54-00257 Таблица Под заказ -
4
54-0-23-3-1А Стойка Под заказ -
5
54-0-20-2 Скоба Под заказ -
6
54-60801 Ось Под заказ -
7
54-112-4 Лоток Под заказ -
8
54-0-23-3 Стойка Под заказ -
9
54-112А Капот соломотряса Под заказ -
10
54-112А-1А Капот Под заказ -
11
54-0-23-2А Звездочка Под заказ -
12
44-8-3-3 Звездочка Под заказ -
13
Гайка М6 Гайка М6 Под заказ -
14
54-112-3А - Под заказ -
Содержащиеся в справочниках-каталогах запасные части и детали не предлагаются к продаже, а носят исключительно информационный характер


Наши преимущества