| № | Изображение | Артикул товара | Наименование | Наличие | Единица измерения | Количество | Цена | Корзина | |
|---|---|---|---|---|---|---|---|---|---|
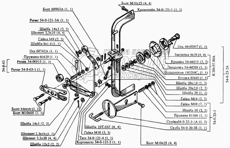
| 1 | 180204С9 | Подшипник | Под заказ | - | |||||
| 2 | 60429 | Пружина | Под заказ | - | |||||
| 3 | 54-00915 | Ролик | Под заказ | - | |||||
| 4 | 54-0-121-3А | Рычаг | Под заказ | - | |||||
| 5 | 54-8-63-1 | Рычаг | Под заказ | - | |||||
| 6 | 54-0-23-3-1А | Стойка | Под заказ | - | |||||
| 7 | 54-0-121-4 | Тяга | Под заказ | - | |||||
| 8 | 60742А | Ось | Под заказ | - | |||||
| 9 | Шайба 12х2 | Шайба 12х2 | Под заказ | - | |||||
| 10 | Шайба 14х3 | Шайба 14х3 | Под заказ | - | |||||
| 11 | Шайба 20х1,0 | Шайба 20х1,0 | Под заказ | - | |||||
| 12 | Шайба 20х2,0 | Шайба 20х2,0 | Под заказ | - | |||||
| 13 | 54-8-63 | Рычаг | Под заказ | - | |||||
| 14 | Н.206.07.00А | - | Под заказ | - | |||||
| 15 | 54-0-121А | Автомат сбрасывания копны | Под заказ | - | |||||
| 16 | 60962А | Болт | Под заказ | - | |||||
| 17 | Болт М8х90 | Болт М8х90 | Под заказ | - | |||||
| 18 | 80440 | Втулка или 54-00781 | Под заказ | - | |||||
| 19 | 54-0-23-3 | Стойка | Под заказ | - | |||||
| 20 | Гайка М14 | Гайка М14 | Под заказ | - | |||||
| 21 | Заклепка 4х18 | Заклепка 4х18 | Под заказ | - | |||||
| 22 | 54-0-23-2А | Звездочка | Под заказ | - | |||||
| 23 | 54-44299 | Звездочка | Под заказ | - | |||||
| 24 | 54-0-121-2 | Коромысло | Под заказ | - | |||||
| 25 | 54-0-121-1 | Кронштейн | Под заказ | - | |||||
| 26 | 54-44515 | Крышка | Под заказ | - | |||||
| 27 | 44-60007 | Ось | Под заказ | - |