| № | Изображение | Артикул товара | Наименование | Наличие | Единица измерения | Количество | Цена | Корзина | |
|---|---|---|---|---|---|---|---|---|---|
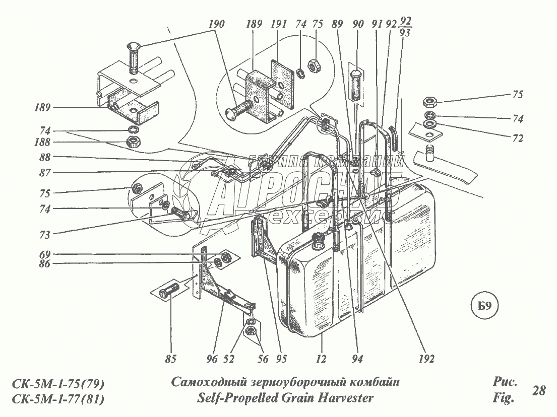
| 1 | 54-11В | Бак топливный | Под заказ | - | |||||
| 2 | 11371 С10.01.019 | Шайба | Под заказ | - | |||||
| 3 | 5915 М10-7Н.6.019 | Гайка | Под заказ | - | |||||
| 4 | 5915 М12-7Н.6.019 | Гайка | Под заказ | - | |||||
| 5 | 11371 С8х1,4.01.019 | Шайба | Под заказ | - | |||||
| 6 | 7798 М8-8gх20.88.35.019 | Болт | Под заказ | - | |||||
| 7 | 6402 8Т.65Г.019 | Шайба | Под заказ | - | |||||
| 8 | 5915 М8-7Н.6.019 | Гайка | Под заказ | - | |||||
| 9 | 7798 М12-8gх30.88.35.019 | Болт | Под заказ | - | |||||
| 10 | 6402 12Т.65Г.019 | Шайба | Под заказ | - | |||||
| 11 | 54-0-172 | Топливопровод | Под заказ | - | |||||
| 12 | 54-0-171 | Топливопровод | Под заказ | - | |||||
| 13 | 54-01162 | Прокладка | Под заказ | - | |||||
| 14 | 65-60390А | Болт | Под заказ | - | |||||
| 15 | 54-00111А | Подкладка хомута | Под заказ | - | |||||
| 16 | 54-0-4Б | Хомут | Под заказ | - | |||||
| 17 | 54-00606 | Прокладка | Под заказ | - | |||||
| 18 | 54-51081А | Полоса | Под заказ | - | |||||
| 19 | 54-0-48В | Опора топливного бака | Под заказ | - | |||||
| 20 | 54-0-46Г | Опора | Под заказ | - | |||||
| 21 | 5915 М8-6Н.6.019 | Гайка | Под заказ | - | |||||
| 22 | 54-51011 | Планка | Под заказ | - | |||||
| 23 | М8х30 | Болт | Под заказ | - | |||||
| 24 | РСМ-10.05.16.502 | Накладка | Под заказ | - | |||||
| 25 | 54-0-173 | Трубопровод | Под заказ | - |