Каталог запасных частей к технике: РСМ CK-5М-1 «Нива». Прицеп ПУН-15.010В

Прицеп ПУН-15.010В

zoom-in zoom-out enlarge shrink circle-right circle-left file-text2 info cart
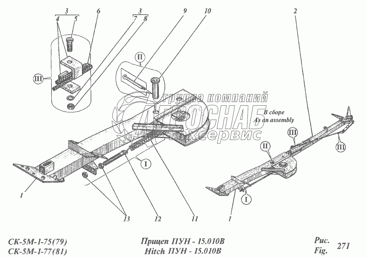
1
1
2
3
3
4
5
6
7
8
9
10
11
12
13
Изображение Артикул товара Наименование Наличие Единица измерения Количество Цена Корзина
1
ПУН 15.130Б Опора Под заказ -
2
ПУН 15.020А Захват комбайновый Под заказ -
3
АП-2-3А Зажим Под заказ -
4
АП-4062 Планка Под заказ -
5
7798 М10-8gх30.88.35.019 Болт Под заказ -
6
ПУН 15.050 Тяга Под заказ -
7
6402 10Т.65Г.019 Шайба Под заказ -
8
М10-7Н.6.019 Гайка Под заказ -
9
397 5x32.019 Шплинт Под заказ -
10
ПУН 15.601 Палец Под заказ -
11
АП-6001А Пружина Под заказ -
12
ПУН 15.617А Болт специальный Под заказ -
13
5915 М12-6Н.6.019 Гайка Под заказ -
Содержащиеся в справочниках-каталогах запасные части и детали не предлагаются к продаже, а носят исключительно информационный характер


Наши преимущества