Каталог запасных частей к технике: ПТЗ K-744P1. Электрооборудование двигателя

Электрооборудование двигателя

zoom-in zoom-out enlarge shrink circle-right circle-left file-text2 info cart
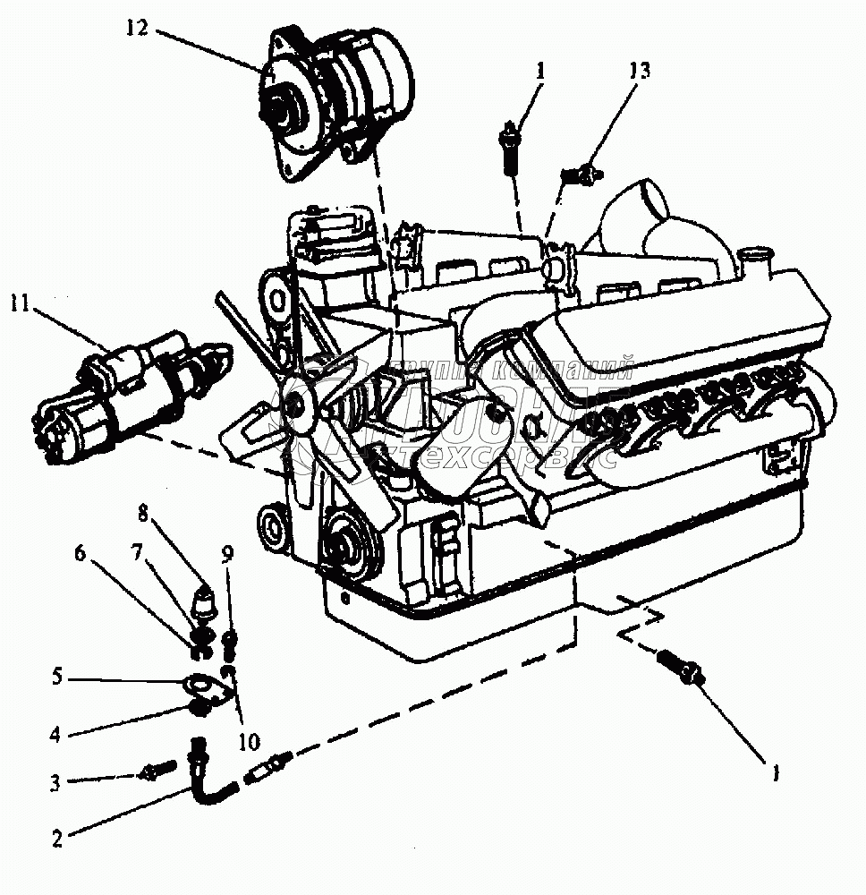
1
1
2
3
4
5
6
7
8
9
10
11
12
13
Изображение Артикул товара Наименование Наличие Единица измерения Количество Цена Корзина
1
[Датчик ТМ 100] Датчик ТМ 100 Под заказ -
2
734-3800020 Рукав Под заказ -
3
[Датчик ММ 106 Б] Датчик ММ 106 Б Под заказ -
4
[Шайба А20.01.019] Шайба А20.01.019 Под заказ -
5
700А.38.00.011-2 Кронштейн Под заказ -
6
[Шайба 20.65Г.05 ГОСТ 6402-70] Шайба 20.65Г.05 ГОСТ 6402-70 Под заказ -
7
[Гайка М20х1,5-6Н.8С.019 ГОСТ 5929-70] Гайка М20х1,5-6Н.8С.019 ГОСТ 5929-70 Под заказ -
8
[Датчик давления 18.38.29010] Датчик давления 18.38.29010 Под заказ -
9
[Болт М8-6gх16.56.019 ГОСТ 7808-70] Болт М8-6gх16.56.019 ГОСТ 7808-70 Под заказ -
10
[Шайба 8.65Г.05 ГОСТ 6402-70] Шайба 8.65Г.05 ГОСТ 6402-70 Под заказ -
11
[Стартер 25.3708-01] Стартер 25.3708-01 Под заказ -
12
[Генератор 5702.3701] Генератор 5702.3701 Под заказ -
13
[Сигнализатор ТМ 104] Сигнализатор ТМ 104 Под заказ -
Содержащиеся в справочниках-каталогах запасные части и детали не предлагаются к продаже, а носят исключительно информационный характер


Наши преимущества