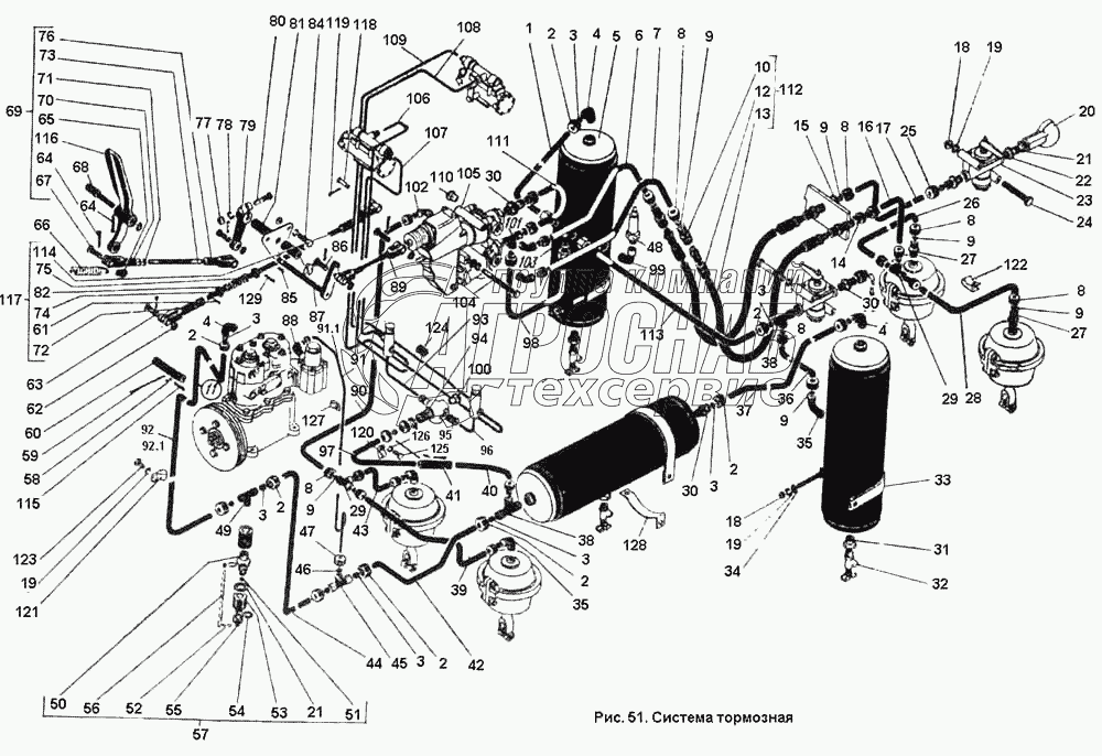
Каталог запасных частей к технике: ПТЗ К-701. Система тормозная

Система тормозная

zoom-in zoom-out enlarge shrink circle-right circle-left file-text2 info cart
2
3
3
3
3
3
3
3
4
4
4
4
4
4
4
5
5
5
6
7
8
9
9
9
9
9
9
10
10
10
10
10
10
11
12
13
14
15
16
17
18
19
19
20
20
20
21
22
22
23
24
25
26
27
28
28
29
30
30
31
31
31
32
33
34
35
36
36
37
38
39
39
40
41
42
43
44
45
46
47
48
49
50
51
52
53
54
55
56
57
58
59
60
61
62
63
64
65
65
66
67
68
69
70
71
72
73
74
75
76
77
78
79
80
81
82
83
85
86
87
88
89
90
91
92
93
94
95
96
97
98
99
100
101
102
103
104
105
106
107
108
109
110
111
112
113
114
115
116
117
119
120
121
122
123
124
125
126
127
128
129
130
131
Изображение Артикул товара Наименование Наличие Единица измерения Количество Цена Корзина
1
701.35.00.000-2 Система тормозная Под заказ -
2
700А.35.00.033-51 Труба Под заказ -
3
Гайка 1-14 ГОСТ 9122-67 Гайка 1-14 ГОСТ 9122-67 Под заказ -
4
Муфта 14 ГОСТ 9121-67 Муфта 14 ГОСТ 9121-67 Под заказ -
5
Угольник 14 ГОСТ 9115-67 Угольник 14 ГОСТ 9115-67 Под заказ -
6
700.35.13.000-1 Баллон воздушный в сборе Под заказ -
7
700А.35.00.033-67 Труба Под заказ -
8
700А.35.00.033-08 Труба Под заказ -
9
Гайка 1-10 ГОСТ 9122-67 Гайка 1-10 ГОСТ 9122-67 Под заказ -
10
Муфта 9 ГОСТ 9121-67 Муфта 9 ГОСТ 9121-67 Под заказ -
11
700А.35.00.048 Ниппель Под заказ -
12
701.35.00.012-14 Труба Под заказ -
13
700.35.06.089 Муфта Под заказ -
14
Рукав 10Х17.5-15 ГОСТ 10362-76: L=1000мм Рукав 10Х17.5-15 ГОСТ 10362-76: L=1000мм Под заказ -
15
Шайба 16.65Г ГОСТ 6402-70 Шайба 16.65Г ГОСТ 6402-70 Под заказ -
16
Ганка М16Х1.5 ГОСТ 5929-70 Ганка М16Х1.5 ГОСТ 5929-70 Под заказ -
17
700А.35.00.033-09 Труба Под заказ -
18
700А.35.00.033-12 Труба Под заказ -
19
Гайка М8 ГОСТ 5927-70 Гайка М8 ГОСТ 5927-70 Под заказ -
20
Шайба 8.65Г ГОСТ 6402-70 Шайба 8.65Г ГОСТ 6402-70 Под заказ -
21
700.35.00.140-1 Головка соединительная в сборе Под заказ -
22
700.35.00.069 Прокладка Под заказ -
23
700.35.06.019-1 Штуцер специальный Под заказ -
24
700.35.00.130-1 Кран разобщительный Кр20 Под заказ шт 0 ₽
25
Болт М8Х70 ГОСТ 7811-70 Болт М8Х70 ГОСТ 7811-70 Под заказ -
26
Штуцер 2-10 ГОСТ 9113-67 Штуцер 2-10 ГОСТ 9113-67 Под заказ -
27
700А.35.00.033-11 Труба Под заказ -
28
Штуцер 1-10 ГОСТ 9113-67 Штуцер 1-10 ГОСТ 9113-67 Под заказ -
29
700А.35.00.033-10 Труба Под заказ -
30
Тройник 10 ГОСТ 9119-67 Тройник 10 ГОСТ 9119-67 Под заказ -
31
Штуцер 1-14 ГОСТ 9113-67 Штуцер 1-14 ГОСТ 9113-67 Под заказ -
32
700А.35.00.012 Переходник Под заказ -
33
700.35.00.100-1 Кран КР-22 Под заказ -
34
700А.35.00.060 Лента в сборе Под заказ -
35
Шайба 8.01 ГОСТ 1137 1-78 Шайба 8.01 ГОСТ 1137 1-78 Под заказ -
36
Угольник 1-10 ГОСТ 9115-67 Угольник 1-10 ГОСТ 9115-67 Под заказ -
37
700А.35.00.033-58 Труба Под заказ -
38
700А.35.00.033-71 Труба Под заказ -
39
700А.35.00.039 Тройник ввертный Под заказ -
40
700А.35.00.033-04 Труба Под заказ -
41
700А.35.00.033-69 Труба Под заказ -
42
Рукав 30Х20-10 ГОСТ 10362-76: L=100мм Рукав 30Х20-10 ГОСТ 10362-76: L=100мм Под заказ -
43
700А.35.00.033-44 Труба Под заказ -
44
700А.35.00.033-05 Труба Под заказ -
45
700А.35.00.033-43 Труба Под заказ -
46
700.35.06.051 Тройник Под заказ -
47
Муфта 5 ГОСТ 9121-67 Муфта 5 ГОСТ 9121-67 Под заказ -
48
Гайка 1-5 ГОСТ 9122-67 Гайка 1-5 ГОСТ 9122-67 Под заказ -
49
700.35.00.100 Клапан баллонов предохранительный Под заказ -
50
700А.35.00.051 Тройник Под заказ -
51
700.35.00.067 Штуцер специальный Под заказ -
52
700.35.00.068 Шарик Под заказ -
53
700.35.00.066 Корпус Под заказ -
54
700.15.00.016 Прокладка Под заказ -
55
700.35.06.036-2 Пробка Под заказ -
56
700.14.00.053 Звено цепочки Под заказ -
57
700.35.00.080 Клапан буксирный Под заказ -
58
А52426-24 Рамка хомута ОСТ 3-408-70 Под заказ -
59
Лента ХЛ 225 ГОСТ 503-71 Лента ХЛ 225 ГОСТ 503-71 Под заказ -
60
Рукав 14Х22.5-16 ГОСТ 10362-76: L=100мм Рукав 14Х22.5-16 ГОСТ 10362-76: L=100мм Под заказ -
61
Штифт 4Пр2аХ18 ГОСТ 3128-70 Штифт 4Пр2аХ18 ГОСТ 3128-70 Под заказ -
62
700.35.06.038 Ушко Под заказ -
63
Шайба 10.01 ГОСТ 11371-78 Шайба 10.01 ГОСТ 11371-78 Под заказ -
64
700.17.19.055-3 Валик Под заказ -
65
Шплинт 2.5Х20 ГОСТ 397-79 Шплинт 2.5Х20 ГОСТ 397-79 Под заказ -
66
700.35.00.113 Проушина Под заказ -
67
700.35.00.109 Пружина В наличии шт 78 ₽78 ₽
68
Ось 22-10Х5Х40 ГОСТ 9650-71 Ось 22-10Х5Х40 ГОСТ 9650-71 Под заказ -
69
700.35.00.094 Валик Под заказ -
70
700А.35.00.160 Педаль тормозная передняя в сборе Под заказ -
71
700.35.00.074-2 Вилка Под заказ -
72
Гайка М12Х1.25 ГОСТ 5927-70 Гайка М12Х1.25 ГОСТ 5927-70 Под заказ -
73
700.35.00.077-3 Вилка Под заказ -
74
700А.35.00.016 Тяга Под заказ -
75
700А.35.00.024 Шток Под заказ -
76
700.35.00.079 Пружина Под заказ -
77
700.35.00.075-1 Вилка Под заказ -
78
Гайка М10 ГОСТ 5927-70 Гайка М10 ГОСТ 5927-70 Под заказ -
79
Шайба 10.65Г ГОСТ 6402-70 Шайба 10.65Г ГОСТ 6402-70 Под заказ -
80
700.35.00.088-1 Рычаг Под заказ -
81
Болт М10Х 45 ГОСТ 7811-70 Болт М10Х 45 ГОСТ 7811-70 Под заказ -
82
700.35Ж106 Мостик переходной Под заказ -
83
Шайба 12.01 ГОСТ 11371-78 Шайба 12.01 ГОСТ 11371-78 Под заказ -
84
700А.35.00.023 Втулка распорная Под заказ -
85
Болт М8Х25 ГОСТ 7808-70 Болт М8Х25 ГОСТ 7808-70 Под заказ -
86
Шпонка 5Х7.5 ГОСТ 8795-68 Шпонка 5Х7.5 ГОСТ 8795-68 Под заказ -
87
Ось 22-10Х5Х36 ГОСТ 9650-71 Ось 22-10Х5Х36 ГОСТ 9650-71 Под заказ -
88
700А.35.00.040 Валик в сборе Под заказ -
89
Угольник 1-5 ГОСТ 9115-67 Угольник 1-5 ГОСТ 9115-67 Под заказ -
90
700А.35.00.020 Тяга в сборе Под заказ -
91
700А.35.00.033-66 Труба Под заказ -
92
701.35.00.012-06 Труба Под заказ -
93
701.35.00.012-13 Труба Под заказ -
94
700А.35.00.033-02 Труба Под заказ -
95
700А.35.00.029 Крестовина Под заказ -
96
700.82.00.017 Ниппель Под заказ -
97
700А.35.00.033-03 Труба Под заказ -
98
700А.35.00.033-74 Труба Под заказ -
99
700А.35.00.033-52 Труба Под заказ -
100
700А.35.00.052 Угольник Под заказ -
101
Пробка КГ 1/4" ГОСТ 12720-67 Пробка КГ 1/4" ГОСТ 12720-67 Под заказ -
102
700.35.06.046 Тройник ввертной угловой Под заказ -
103
Угольник 2-10 ГОСТ 9115-67 Угольник 2-10 ГОСТ 9115-67 Под заказ -
104
Тройник 14 ГОСТ 9119-67 Тройник 14 ГОСТ 9119-67 Под заказ -
105
Болт М10Х120 ГОСТ 7811-70 Болт М10Х120 ГОСТ 7811-70 Под заказ -
106
700.35.00.090-3 Кран тормозной в сборе Под заказ -
107
700А.35.00.033-38 Труба Под заказ -
108
700А.35.00.033-40 Труба Под заказ -
109
700А.35.00.033-39 Труба Под заказ -
110
700А.35.00.033-41 Труба Под заказ -
111
Пробка КГ 3/8" ГОСТ 12720-67 Пробка КГ 3/8" ГОСТ 12720-67 Под заказ -
112
700.35.06.047-6 Трубка 14пХ1 ГОСТ 9567-60 Под заказ -
113
700А.35.00.210 Рукав Под заказ -
114
700А.35.00.033-57 Труба Под заказ -
115
700.35.00.081 Вилка Под заказ -
116
3408-1 Шплинт хомута 6.3 ОСТ 3-408-70 Под заказ -
117
700А.35.00.190 Педаль Под заказ -
118
700А.35.00.180 Тяга Под заказ -
119
700.17.19.055-2 Валик Под заказ шт 218 ₽218 ₽
120
Шплинт 2Х20 ГОСТ 397-79 Шплинт 2Х20 ГОСТ 397-79 Под заказ -
121
Хомутик ХПО-10Х7 ЛК 0034-00 Хомутик ХПО-10Х7 ЛК 0034-00 Под заказ -
122
Хомутик ХПО-15Х9 ЛК 0034-00 Хомутик ХПО-15Х9 ЛК 0034-00 Под заказ -
123
Хомутик ХПО-10Х9 ЛК 0034-00 Хомутик ХПО-10Х9 ЛК 0034-00 Под заказ -
124
Болт М8Х16 ГОСТ 7808-70 Болт М8Х16 ГОСТ 7808-70 Под заказ -
125
700А.11.00.057-01 Втулка Под заказ -
126
Болт М6Х16 ГОСТ 7805-70 Болт М6Х16 ГОСТ 7805-70 Под заказ -
127
Шайба 6.65 Г ГОСТ 6402-70 Шайба 6.65 Г ГОСТ 6402-70 Под заказ -
128
700.10.00.047 Хомут Под заказ -
129
700А.35.00.037-1 Кронштейн Под заказ -
130
Шплинт 4Х25 ГОСТ 397-79 Шплинт 4Х25 ГОСТ 397-79 Под заказ -
131
701.35.00.033-42 Труба Под заказ -
132
701.35.00.033-50 Труба Под заказ -
Содержащиеся в справочниках-каталогах запасные части и детали не предлагаются к продаже, а носят исключительно информационный характер


Наши преимущества