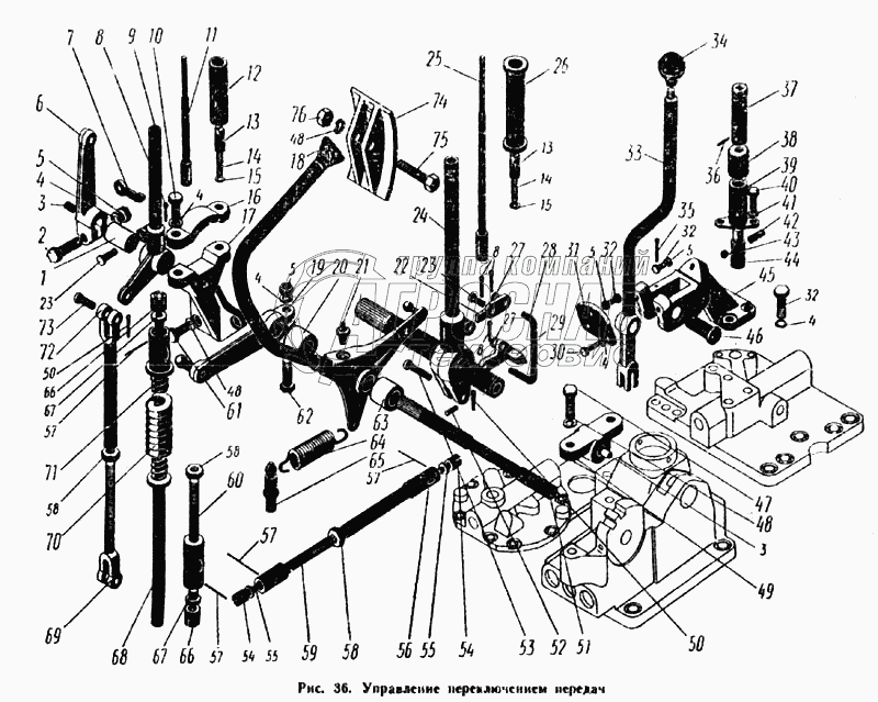
Каталог запасных частей к технике: ПТЗ К-700. Управление переключением передач

Управление переключением передач

zoom-in zoom-out enlarge shrink circle-right circle-left file-text2 info cart
9
10
11
11
12
12
12
12
12
13
13
13
13
14
15
16
16
16
17
18
19
20
21
21
22
22
23
23
24
25
26
27
28
29
30
31
31
32
33
34
35
35
36
37
38
39
40
40
40
41
42
43
44
45
46
47
48
49
50
51
52
53
54
55
56
56
56
57
58
58
59
60
61
62
62
63
63
64
65
65
65
65
66
66
66
67
68
69
70
71
72
73
74
74
75
75
76
77
78
79
80
81
82
83
84
Изображение Артикул товара Наименование Наличие Единица измерения Количество Цена Корзина
1
700.17.19.530-1 Рычаг в сборе Под заказ -
2
700.17.19.600-4 Привод переключения передач (селектор) Под заказ -
3
700.17.19.000-2 Управление переключением передач Под заказ -
4
700.17.19.330-1 Тяга в сборе Под заказ -
5
700.17.19.350-2 Тяга в сборе Под заказ -
6
700.17.19.510-3 Рычаг в сборе Под заказ -
7
700.17.19.380-1 Тяга в сборе Под заказ -
8
700.17.19.580-1 Рычаг в сборе Под заказ -
9
700.17.19.111 Втулка Под заказ -
10
Болт М10Х45-021 ГОСТ 7811-62 Болт М10Х45-021 ГОСТ 7811-62 Под заказ -
11
700.17.19.016-1 Заглушка Под заказ -
12
Шайба пружинная 10Н ГОСТ 6402-61 Шайба пружинная 10Н ГОСТ 6402-61 Под заказ -
13
Гайка М10-011 ГОСТ 5927-62 Гайка М10-011 ГОСТ 5927-62 Под заказ -
14
700.17.19.012 Рычаг Под заказ -
15
700.17.19.091 Стопор Под заказ -
16
Шплинт 2Х16-001 ГОСТ 397-66 Шплинт 2Х16-001 ГОСТ 397-66 Под заказ -
17
700.17.19.550-1 Рычаг в сборе Под заказ -
18
Болт М10Х30-021 ГОСТ 7808-62 Болт М10Х30-021 ГОСТ 7808-62 Под заказ -
19
700.17.19.650-02 Стержень в сборе Под заказ -
20
700.17.17.065 Рукоятка Под заказ -
21
700.17.19.033-3 Втулка Под заказ -
22
700.17.01.295 Пружина Под заказ -
23
700.17.19.161 Шайба Под заказ -
24
700.17.19.097-1 Сектор Под заказ -
25
700.17.19.108 Кронштейн Под заказ -
26
700.17.19.520 Рычаг в сборе Под заказ -
27
700.17.19.080-1 Рычаг в сборе Под заказ -
28
700.17.19.109-02 Втулка Под заказ -
29
Масленка 1-А1 ГОСТ 1303-56 Масленка 1-А1 ГОСТ 1303-56 Под заказ -
30
700.17.19.105 Балансир Под заказ -
31
700.17.19.055-4 Валик Под заказ -
32
700.17.19.540-3 Рычаг в сборе Под заказ -
33
700.17.19.650-01 Стержень в сборе Под заказ -
34
700.17.19.057 Рукоятка Под заказ -
35
Шайба 8-001 ГОСТ 11371-68 Шайба 8-001 ГОСТ 11371-68 Под заказ -
36
700.17.19.106 Поводок Под заказ -
37
700.17.19.102-2 Стопор Под заказ -
38
Болт М10Х18-021 ГОСТ 7808-62 Болт М10Х18-021 ГОСТ 7808-62 Под заказ -
39
700.17.19.154 Планка Под заказ -
40
Болт М10Х25-021 ГОСТ 7808-62 Болт М10Х25-021 ГОСТ 7808-62 Под заказ -
41
700.17.19.610-2 Рычаг в сборе Под заказ -
42
700.17.17.035 Ручка шаровая Под заказ -
43
Шплинт 4Х45-001 ГОСТ 397-66 Шплинт 4Х45-001 ГОСТ 397-66 Под заказ -
44
Штифт цилиндрический 4Пр2/2аХ18 ГОСТ 312 Штифт цилиндрический 4Пр2/2аХ18 ГОСТ 3128-60 Под заказ -
45
700.17.19.640 Втулка в сборе Под заказ -
46
700.17.19.126 Колпачок Под заказ -
47
700.17.19.125 Стакан Под заказ -
48
Болт М8Х16-021 ГОСТ 7808-62 Болт М8Х16-021 ГОСТ 7808-62 Под заказ -
49
Шайба пружинная 8Н ГОСТ 6402-61 Шайба пружинная 8Н ГОСТ 6402-61 Под заказ -
50
700.17.17.037 Пружина Под заказ -
51
Шарик БV 9,525 мм Н ГОСТ 3722-60 Шарик БV 9,525 мм Н ГОСТ 3722-60 Под заказ -
52
700.17.19.590-1 Втулка в сборе Под заказ -
53
700.17.19.131-4 Кронштейн Под заказ -
54
700.17.19.153-1 Валик В наличии шт 83 ₽83 ₽
55
Болт М12Х35-021 ГОСТ 7808-62 Болт М12Х35-021 ГОСТ 7808-62 Под заказ -
56
Шайба пружинная 12Н ГОСТ 6402-61 Шайба пружинная 12Н ГОСТ 6402-61 Под заказ -
57
700.17.19.103-2 Кронштейн Под заказ -
58
Шплинт 2,5Х10-001 ГОСТ 397-66 Шплинт 2,5Х10-001 ГОСТ 397-66 Под заказ -
59
700.17.19.107-2 Валик Под заказ -
60
Штифт цилиндрический 8Пр2/2аХ30 ГОСТ 312 Штифт цилиндрический 8Пр2/2аХ30 ГОСТ 3128-60 Под заказ -
61
700.17.19.055-5 Валик Под заказ -
62
700.17.19.051 Гайка Под заказ -
63
700.17.19.049 Сухарь Под заказ -
64
700.17.19.340-1 Тяга в сборе Под заказ -
65
Проволока КО 1,6Х70 мм ГОСТ 792-67 Проволока КО 1,6Х70 мм ГОСТ 792-67 Под заказ -
66
Гайка М14-011 ГОСТ 5927-62 Гайка М14-011 ГОСТ 5927-62 Под заказ -
67
700.17.19.061 Наконечник Под заказ -
68
700.17.19.088-1 Наконечник Под заказ -
69
Болт М12Х30-021 ГОСТ 7808-62 Болт М12Х30-021 ГОСТ 7808-62 Под заказ -
70
Болт М10Х50-021 ГОСТ 7811-62 Болт М10Х50-021 ГОСТ 7811-62 Под заказ -
71
700.17.19.109-01 Втулка Под заказ -
72
700.17.19.077-1 Пружина В наличии шт 108 ₽108 ₽
73
700.17.19.121 Зацеп Под заказ -
74
700.17.19.042 Гайка Под заказ -
75
700.17.19.041 Сухарь Под заказ -
76
700.17.19.390-1 Тяга в сборе Под заказ -
77
700.17.19.360 Тяга в сборе Под заказ -
78
700.17.19.144 Пружина Под заказ -
79
700.17.19.039-1 Наконечник Под заказ -
80
700.17.19.370-2 Тяга в сборе Под заказ -
81
700.17.19.055-3 Валик Под заказ -
82
700.00.17.260 Педаль в сборе Под заказ -
83
Болт М12Х55-021 ГОСТ 7811-62 Болт М12Х55-021 ГОСТ 7811-62 Под заказ -
84
Гайка М8-011 ГОСТ 5927-62 Гайка М8-011 ГОСТ 5927-62 Под заказ -
Содержащиеся в справочниках-каталогах запасные части и детали не предлагаются к продаже, а носят исключительно информационный характер


Наши преимущества