Каталог запасных частей к технике: ПТЗ К-700. Цилиндр поворота

Цилиндр поворота

zoom-in zoom-out enlarge shrink circle-right circle-left file-text2 info cart
6
7
8
9
10
11
12
13
14
15
15
16
17
18
19
19
19
20
21
22
22
22
22
23
23
23
23
24
24
24
24
25
25
26
27
28
29
30
31
32
33
34
35
36
37
38
39
40
40
41
41
42
42
43
44
45
45
46
47
48
49
50
51
52
53
53
54
55
56
57
Изображение Артикул товара Наименование Наличие Единица измерения Количество Цена Корзина
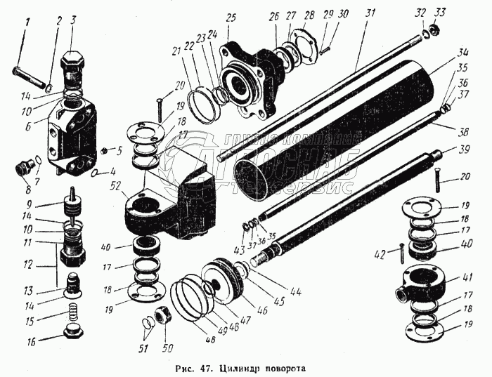
1
700.34.29.070-1 Коробка клапанная в сборе Под заказ -
2
700.34.29.030 Гайка в сборе Под заказ -
3
700.34.29.020-1 Шток в сборе Под заказ -
4
700.34.29.010-1 Крышка задняя в сборе Под заказ -
5
700.34.29.000-1 Цилиндр поворота Под заказ -
6
Болт М14Х1,5Х90-026 ГОСТ 7811-62 Болт М14Х1,5Х90-026 ГОСТ 7811-62 Под заказ -
7
Шайба пружинная 14Н ГОСТ 6402-61 Шайба пружинная 14Н ГОСТ 6402-61 Под заказ -
8
700.34.29.080 Клапан в сборе Под заказ -
9
Кольцо Н1-22 Х18-4 ГОСТ 9833-61 Кольцо Н1-22 Х18-4 ГОСТ 9833-61 Под заказ -
10
Пробка КГ1/8"-026 ГОСТ 12720-67 Пробка КГ1/8"-026 ГОСТ 12720-67 Под заказ -
11
700.34.29.057-2 Коробка клапанная Под заказ -
12
Кольцо Н1-25Х20-2 ГОСТ 0833-61 Кольцо Н1-25Х20-2 ГОСТ 0833-61 Под заказ -
13
700.34.29.063 Штуцер Под заказ -
14
700.34.29.058-1 Толкатель Под заказ -
15
Кольцо У-40Х35-2 ГОСТ 9833-61 Кольцо У-40Х35-2 ГОСТ 9833-61 Под заказ -
16
700.34.29.059 Корпус клапана Под заказ -
17
Проволока КО 1Х30 мм ГОСТ 792-67 Проволока КО 1Х30 мм ГОСТ 792-67 Под заказ -
18
700.34.29.061 Клапан Под заказ -
19
Кольцо У -32Х0-2 ГОСТ 9633-61 Кольцо У -32Х0-2 ГОСТ 9633-61 Под заказ -
20
700.46.19.027 Пружина Под заказ -
21
700.34.29.062 Пробка Под заказ -
22
700.34.29.012 Кольцо Под заказ -
23
700.34.29.013 Сальник Под заказ -
24
700.34.29.014 Крышка Под заказ -
25
Заклепка 8Х60 ГОСТ 10300-68 Заклепка 8Х60 ГОСТ 10300-68 Под заказ -
26
Кольцо У-100Х95-4 ГОСТ 9833-61 Кольцо У-100Х95-4 ГОСТ 9833-61 Под заказ -
27
700.34.29.044-2 Прокладка Под заказ -
28
Кольцо Н1-52Х45-4 ГОСТ 9833-61 Кольцо Н1-52Х45-4 ГОСТ 9833-61 Под заказ -
29
700.34.29.044-3 Прокладка Под заказ -
30
700.34.29.025 Крышка передняя Под заказ -
31
700.34.29.026 Манжета Под заказ -
32
700.34.29.027 Скребок Под заказ -
33
700.34.29.028 Крышка Под заказ -
34
Шайба пружинная 6Н ГОСТ 6402-61 Шайба пружинная 6Н ГОСТ 6402-61 Под заказ -
35
Болт М6Х16-021 ГОСТ 7305-62 Болт М6Х16-021 ГОСТ 7305-62 Под заказ -
36
700.34.29.029 Шпилька Под заказ -
37
Шайба пружинная 18Н ГОСТ 6402-61 Шайба пружинная 18Н ГОСТ 6402-61 Под заказ -
38
Гайка М18Х1,5-016 ГОСТ 5927-62 Гайка М18Х1,5-016 ГОСТ 5927-62 Под заказ -
39
700.34.29.024 Корпус цилиндра Под заказ -
40
700.34.29.043 Шайба маслопровода Под заказ -
41
700.34.29.044-4 Прокладка Под заказ -
42
Кольцо Н1-20Х16-4 ГОСТ 9833-61 Кольцо Н1-20Х16-4 ГОСТ 9833-61 Под заказ -
43
700.34.29.023 Маслопровод Под заказ -
44
700.34.29.016-1 Шток Под заказ -
45
Шарнирный подшипник ШС-40 ГОСТ 3635-54 Шарнирный подшипник ШС-40 ГОСТ 3635-54 Под заказ -
46
700.34.29.017-1 Головка Под заказ -
47
Заклепка 8Х55 ГОСТ 10300-62 Заклепка 8Х55 ГОСТ 10300-62 Под заказ -
48
Шайба пружинная 12Н ГОСТ 6402-61 Шайба пружинная 12Н ГОСТ 6402-61 Под заказ -
49
Кольцо У-30Х25-4 ГОСТ 9833-61 Кольцо У-30Х25-4 ГОСТ 9833-61 Под заказ -
50
700.34.29.087 Шайба Под заказ -
51
700.34.29.022 Поршень Под заказ -
52
700.34.29.086 Шайба Под заказ -
53
700.34.29.044-1 Прокладка Под заказ -
54
Кольцо Н1-1 00Х90-4 ГОСТ 9833-61 Кольцо Н1-1 00Х90-4 ГОСТ 9833-61 Под заказ -
55
700.34.29.018 Гайка Под заказ -
56
700.34.29.019 Кольцо Под заказ -
57
700.34.29.011-1 Крышка задняя Под заказ -
Содержащиеся в справочниках-каталогах запасные части и детали не предлагаются к продаже, а носят исключительно информационный характер


Наши преимущества