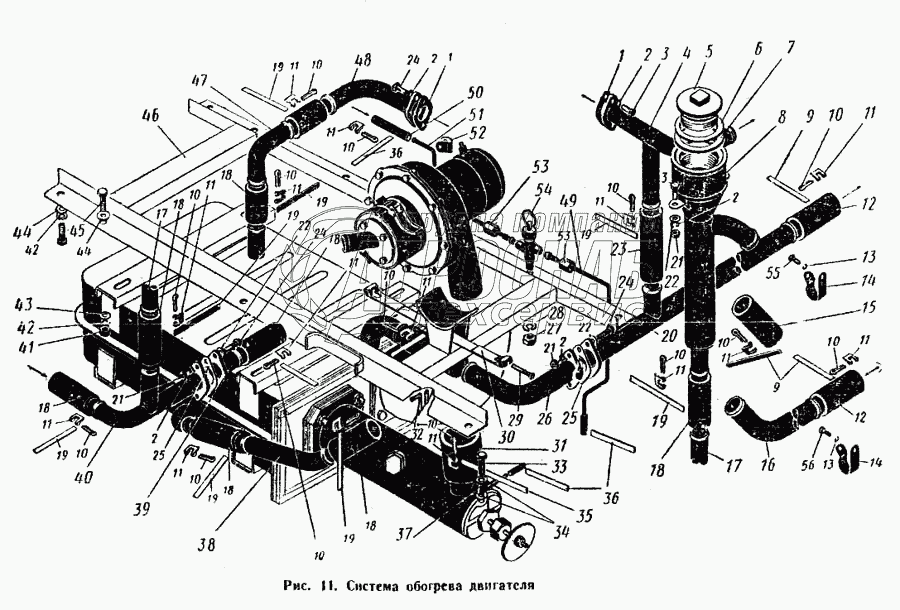
Каталог запасных частей к технике: ПТЗ К-700. Система обогрева двигателя

Система обогрева двигателя

zoom-in zoom-out enlarge shrink circle-right circle-left file-text2 info cart
3
3
4
4
4
4
4
5
5
6
7
8
9
10
11
11
12
12
12
12
12
12
12
12
12
12
12
12
12
12
13
13
13
13
13
13
13
13
13
13
13
13
13
13
14
14
15
15
16
16
17
18
19
19
20
20
20
20
20
20
20
21
21
21
21
21
21
21
21
22
23
23
23
24
24
24
25
26
26
26
27
27
28
29
30
31
32
33
34
35
36
37
38
38
39
40
41
42
43
44
44
45
46
45
46
45
46
47
48
49
50
51
52
53
54
55
55
56
57
57
Изображение Артикул товара Наименование Наличие Единица измерения Количество Цена Корзина
1
700.15.04.000-5 Трубопроводы системы обогрела Под заказ -
2
700.15.00.000-6 Система обогрева Под заказ -
3
700.15.00.034 Прокладка Под заказ -
4
Шайба пружинная 8Н ГОСТ 6402-61 Шайба пружинная 8Н ГОСТ 6402-61 Под заказ -
5
Болт М8Х20-021 ГОСТ 7808-62 Болт М8Х20-021 ГОСТ 7808-62 Под заказ -
6
700.15.04.200 Труба в сборе Под заказ -
7
700.00.17.024-2 Пробка Под заказ шт 0 ₽
8
700.00.17.011 Кольцо Под заказ -
9
700.13.00.057 Прокладка Под заказ -
10
700.15.04.210-2 Горловина заливная Под заказ -
11
Лента ХЛ-400 Лента ХЛ-400 Под заказ -
12
Шплинт хомутика ХШ Шплинт хомутика ХШ Под заказ -
13
Рамка хомутика ХР Рамка хомутика ХР Под заказ -
14
Рукав 1У32-15Х90 Рукав 1У32-15Х90 Под заказ -
15
Шайба пружинная 6Н ГОСТ 6402-61 Шайба пружинная 6Н ГОСТ 6402-61 Под заказ -
16
Хомутик подвесной одноместный ХПО 32Х7Ц6 Хомутик подвесной одноместный ХПО 32Х7Ц6Хр Под заказ -
17
Рукав 1У32-15Х120 Рукав 1У32-15Х120 Под заказ -
18
700.15.04.057 Труба Под заказ -
19
700.15.04.058 Труба Под заказ -
20
Рукав 1У28-15Х90 Рукав 1У28-15Х90 Под заказ -
21
Лента ХЛ-350 Лента ХЛ-350 Под заказ -
22
700.15.04.130-4 Труба а сборе Под заказ -
23
Гайка М8 кл. 2-011 ГОСТ 5927-62 Гайка М8 кл. 2-011 ГОСТ 5927-62 Под заказ -
24
Шайба 8-001 ГОСТ 11371-68 Шайба 8-001 ГОСТ 11371-68 Под заказ -
25
Рукав 1У28-15Х170 Рукав 1У28-15Х170 Под заказ -
26
Болт М8Х30-021 ГОСТ 7808-62 Болт М8Х30-021 ГОСТ 7808-62 Под заказ -
27
700.15.00.061 Прокладка Под заказ -
28
700.15.04.170-5 Трубка в сборе Под заказ -
29
Гайка М12Х1,25-011 ГОСТ 5927-62 Гайка М12Х1,25-011 ГОСТ 5927-62 Под заказ -
30
Шайба пружинная 12Н ГОСТ 6402-61 Шайба пружинная 12Н ГОСТ 6402-61 Под заказ -
31
700.15.00.047 Винт Под заказ -
32
700.15.00.110 Лента в сборе Под заказ -
33
Рукав 4У54-15Х95 Рукав 4У54-15Х95 Под заказ -
34
700.15.00.078-1 Змеевик Под заказ -
35
700.11.00.039 Болт зажимной Под заказ -
36
Прокладка 12Х18 Прокладка 12Х18 Под заказ -
37
Лента ХЛ-525 Лента ХЛ-525 Под заказ -
38
Лента ХЛ-200 Лента ХЛ-200 Под заказ -
39
700.15.04.090-3 Труба в сборе Под заказ -
40
700.15.04.083-03 Труба Под заказ -
41
700.15.04.180-2 Труба в сборе Под заказ -
42
700.15.04.120-2 Труба в сборе Под заказ -
43
Гайка М10-011 ГОСТ 5927-62 Гайка М10-011 ГОСТ 5927-62 Под заказ -
44
Шайба пружинная 10Н ГОСТ 6402-61 Шайба пружинная 10Н ГОСТ 6402-61 Под заказ -
45
Шайба 10-001 ГОСТ 11371-68 Шайба 10-001 ГОСТ 11371-68 Под заказ -
46
Шайба 10-001 ГОСТ 11371-68 Шайба 10-001 ГОСТ 11371-68 Под заказ -
47
Болт М10Х30-021 ГОСТ 7808--62 Болт М10Х30-021 ГОСТ 7808--62 Под заказ -
48
700.15.00.090-5 Рама в сборе Под заказ -
49
700.15.04.083-02 Труба Под заказ -
50
700.15.04.150-1 Труба а сборе Под заказ -
51
700.15.04.080-4 Труба в сборе Под заказ -
52
Рукав 1У8-15Х80 Рукав 1У8-15Х80 Под заказ -
53
700.15.04.110-3 Трубка в сборе Под заказ -
54
Хомутик подвесной одноместный ХПО 8Х9Ц6Х Хомутик подвесной одноместный ХПО 8Х9Ц6Хр Под заказ -
55
700.15.04.026 Гайка накидная Под заказ -
56
700.15.00.070-2 Кран Под заказ -
57
Болт М6Х16-021 ГОСТ 7808-62 Болт М6Х16-021 ГОСТ 7808-62 Под заказ -
Содержащиеся в справочниках-каталогах запасные части и детали не предлагаются к продаже, а носят исключительно информационный характер


Наши преимущества