Каталог запасных частей к технике: ПТЗ К-700. Масляный насос

Масляный насос

zoom-in zoom-out enlarge shrink circle-right circle-left file-text2 info cart
22
23
24
25
26
27
69
70
26
27
69
70
28
29
30
31
32
33
32
33
32
33
34
35
36
37
38
39
40
41
42
41
42
43
44
45
46
47
48
49
50
51
51
52
53
54
55
55
56
57
58
59
60
61
62
63
64
65
66
67
68
26
27
69
70
26
27
69
70
71
72
71
72
73
74
75
76
77
78
Изображение Артикул товара Наименование Наличие Единица измерения Количество Цена Корзина
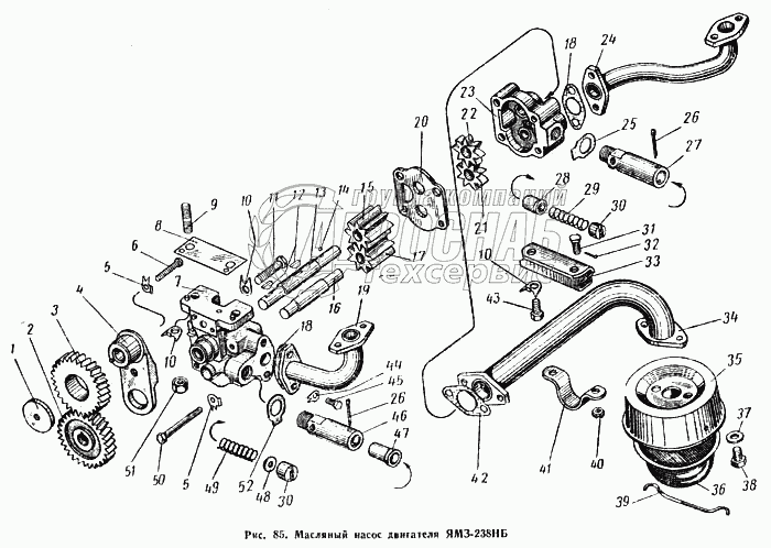
1
313404-П2 Штифт шатуна Под заказ -
2
236-1011034 Втулка валика масляного насоса Под заказ -
3
313404-П2 Штифт шатуна Под заказ -
4
258611-П2 Штифт Под заказ -
5
236-1011240 Шестерня привода масляного насоса промежуточная Под заказ -
6
236-1011030-Б Шестерня нагнетающей секция ведомая в сборе Под заказ -
7
236-1011040-Б Шестерня нагнетающей секции ведущая в сборе Под заказ -
8
204Б-1011300 Чашка заборника в сборе Под заказ -
9
238-1011399 Трубка всасывающая с чашкой заборника в сборе Под заказ -
10
238-1011398-Б2 Трубка всасывающая с заборником в сборе Под заказ -
11
236-1011208 Ось промежуточной шестерни Под заказ -
12
236-1011021-Б Корпус радиаторной секции масляного насоса Под заказ -
13
236-1011206 Втулка промежуточной шестерни масляного насоса Под заказ -
14
206В-1011037 Втулка установочная Под заказ -
15
258623-П2 Заглушка Под заказ -
16
258637-П2 Заглушка Под заказ -
17
236-1011363-Б Клапан радиаторной секции предохранительный в сборе Под заказ -
18
236-1001014-Б Масляный насос в сборе Под заказ -
19
236-1011015-Б Корпус нагнетающей секции масляного насоса в сборе Под заказ -
20
236-1011048-Б Клапан нагнетающей секции редукционный в сборе Под заказ -
21
236-1011020-Б Корпус нагнетающей секции масляного насоса Под заказ -
22
236-1011217 Фланец упорный Под заказ -
23
236-1011230 Шестерня привода масляного насоса ведомая Под заказ -
24
236-1011202 Шестерня привода масляного насоса промежуточная в сборе Под заказ -
25
236-1011207 Ось промежуточной шестерни в сборе Под заказ -
26
312533-П15 Шайба замковая Под заказ -
27
312533-П15 Шайба замковая Под заказ -
28
310226-П Болт крепления упорного фланца Под заказ -
29
236-1011018-Б Корпус нагнетающей секции масляного насоса с втулками в сборе Под заказ -
30
236-1011380 Прокладка регулировочная Под заказ -
31
310436-П Шпилька крепления насоса Под заказ -
32
312534-П2 Шайба замковая Под заказ -
33
312534-П2 Шайба замковая Под заказ -
34
310203-П2 Болт крепления оси Под заказ -
35
314005-П2 Шпонка сегментная Под заказ -
36
236-1011042-Б Валик масляного насоса ведущий Под заказ -
37
201-1015434 Шарик стопорный Под заказ -
38
236-1011045-Б Шестерня нагнетающей секции ведущая Под заказ -
39
236-1011025-Б Ось ведомых шестерен масляного насоса Под заказ -
40
236-1011032-Б Шестерня нагнетающей секции ведомая Под заказ -
41
236-1011358 Поокладка фланца трубки Под заказ -
42
236-1011358 Поокладка фланца трубки Под заказ -
43
236-1011350-Б2 Трубка нагнетающей секции в сборе отводная Под заказ -
44
236-1011049 Проставка масляного насоса Под заказ -
45
236-1011114 Шестерня радиаторной секции ведомая Под заказ -
46
236-1011100 Шестерня радиаторной секции ведущая Под заказ -
47
236-1011019-Б Корпус радиаторной секции масляного насоса а сборе Под заказ -
48
236-1011420-Б2 Трубка радиаторной секции в сборе отводная Под заказ -
49
312559-П2 Шайба предохранительного клапана радиаторной секции замковая Под заказ -
50
312571-П2 Шайба редукционного клапана нагнетающей секции замковая Под заказ -
51
258056-П29С Шплинт разводной Под заказ -
52
236-1011365-Б Корпус предохранительного клапана радиаторной секции Под заказ -
53
236-1011364 Клапан радиаторной секции предохранительный Под заказ -
54
236-1011368-Б Пружина предохранительного клапана радиаторной секции Под заказ -
55
236-1011071-В2 Колпачок Под заказ -
56
205417-П2 Болт крепления скобы Под заказ -
57
258013-П29С Шплинт разводной Под заказ -
58
236-1011320 Кронштейн крепления всасывающей трубки Под заказ -
59
238-1011400-В2 Трубка всасывающая в сборе Под заказ -
60
204А-1011304-Б Чашка заборника Под заказ -
61
204А-10П310-В Сетка заборника масляного насоса с ободком в сборе Под заказ -
62
252005-П Шайба Под заказ -
63
206513-П2 Болт крепления чашки заборника Под заказ -
64
204А-1011318-Б Крючок крепления сетки заборника Под заказ шт 116 ₽116 ₽
65
250985-П2 Гайка Под заказ -
66
236-1011322 Скоба крепления всасывающей трубки Под заказ -
67
236-1011296 Прокладка переднего фланца Под заказ шт 14 ₽14 ₽
68
201493-П29 Болт крепления кронштейна Под заказ -
69
312533-П15 Шайба замковая Под заказ -
70
312533-П15 Шайба замковая Под заказ -
71
201456-П29 Болт крепления сапуна Под заказ шт 19 ₽19 ₽
72
201456-П29 Болт крепления сапуна Под заказ шт 19 ₽19 ₽
73
236-1011050-Б Корпус редукционного клапана нагнетающей секции Под заказ -
74
236-1011054-Б Клапан нагнетающей секции редукционный Под заказ -
75
312485-П2 Шайба регулировочная Под заказ -
76
236-1011058-Б Пружина редукционного клапана нагнетающей секции Под заказ -
77
200276-П29 Болт масляного насоса стяжной Под заказ -
78
250513-П29 Гайка Под заказ -
Содержащиеся в справочниках-каталогах запасные части и детали не предлагаются к продаже, а носят исключительно информационный характер


Наши преимущества