| № | Изображение | Артикул товара | Наименование | Наличие | Единица измерения | Количество | Цена | Корзина | |
|---|---|---|---|---|---|---|---|---|---|
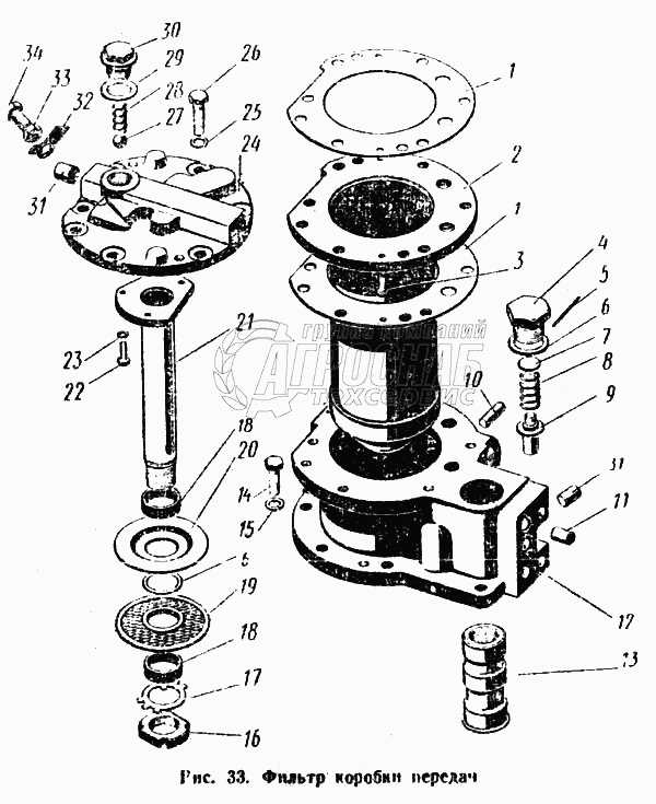
| 1 | 700.17.16.110 | Крышка в сборе | Под заказ | - | |||||
| 2 | 700.17.16.090 | Корпус в сборе | Под заказ | - | |||||
| 3 | 700.17.16.000-3 | Фильтр коробка передач а сборе | Под заказ | - | |||||
| 4 | 700.17.16.078 | Прокладка | Под заказ | - | |||||
| 5 | 700.17.16.100 | Стакан в сборе | Под заказ | - | |||||
| 6 | Винт М6Х12-001 ГОСТ 1489-62 | Винт М6Х12-001 ГОСТ 1489-62 | Под заказ | - | |||||
| 7 | 700.17.16.076 | Пробка | Под заказ | - | |||||
| 8 | Проволока КО 1,2Х700 мм ГОСТ 792-67 | Проволока КО 1,2Х700 мм ГОСТ 792-67 | Под заказ | - | |||||
| 9 | 700.17.16.094-02 | Прокладка | Под заказ | - | |||||
| 10 | 700.17.16.082 | Прокладка | Под заказ | - | |||||
| 11 | 700.39.16.015 | Пружина | Под заказ | - | |||||
| 12 | 700.17.16.081 | Клапан | Под заказ | - | |||||
| 13 | Штифт цилиндрический 10Пр2/2аХ28 ГОСТ 31 | Штифт цилиндрический 10Пр2/2аХ28 ГОСТ 3128-60 | Под заказ | - | |||||
| 14 | 700.17.16.033-02 | Заглушка | Под заказ | - | |||||
| 15 | 700.17.16.034-3 | Корпус | Под заказ | - | |||||
| 16 | 700.17.16.066 | Гильза | Под заказ | - | |||||
| 17 | Болт М10Х25 ГОСТ 7808-62 | Болт М10Х25 ГОСТ 7808-62 | Под заказ | - | |||||
| 18 | Шайба пружинная 10Н ГОСТ 6402-61 | Шайба пружинная 10Н ГОСТ 6402-61 | Под заказ | - | |||||
| 19 | 700.17.16.099 | Гайка | Под заказ | - | |||||
| 20 | Шайба стопорная 27-001 ГОСТ 11872-66 | Шайба стопорная 27-001 ГОСТ 11872-66 | Под заказ | - | |||||
| 21 | 700.17.16.077 | Втулка | Под заказ | - | |||||
| 22 | 700.17.16.170 | Секция фильтра в сборе | В наличии | шт | 189 ₽189 ₽ | ||||
| 23 | 700.17.16.073 | Отражатель | Под заказ | - | |||||
| 24 | 700.17.16.120 | Основание в сборе | Под заказ | - | |||||
| 25 | Болт М6Х16-021 ГОСТ 7805-62 | Болт М6Х16-021 ГОСТ 7805-62 | Под заказ | - | |||||
| 26 | Шайба пружинная 6Н ГОСТ 6402-61 | Шайба пружинная 6Н ГОСТ 6402-61 | Под заказ | - | |||||
| 27 | 700.17.16.036-4 | Крышка | Под заказ | - | |||||
| 28 | Шайба пружинная 10Н ГОСТ 6402-61 | Шайба пружинная 10Н ГОСТ 6402-61 | Под заказ | - | |||||
| 29 | Болт М10Х35-021 ГОСТ 7808-62 | Болт М10Х35-021 ГОСТ 7808-62 | Под заказ | - | |||||
| 30 | Шарик БV 16 мм Н ГОСТ 3722-60 | Шарик БV 16 мм Н ГОСТ 3722-60 | Под заказ | - | |||||
| 31 | 700.46.14.039 | Пружина | Под заказ | - | |||||
| 32 | 700.17.16.094-01 | Прокладка | Под заказ | - | |||||
| 33 | 700.17.16.093 | Пробка | Под заказ | - | |||||
| 34 | 700.17.16.083-01 | Заглушка | Под заказ | - | |||||
| 35 | Шайба стопорная 13-2 | Шайба стопорная 13-2 | Под заказ | - | |||||
| 36 | Гайка М12-010 ГОСТ 5927-62 | Гайка М12-010 ГОСТ 5927-62 | Под заказ | - | |||||
| 37 | Болт М12Х40-021 ГОСТ 7808-52 | Болт М12Х40-021 ГОСТ 7808-52 | Под заказ | - |