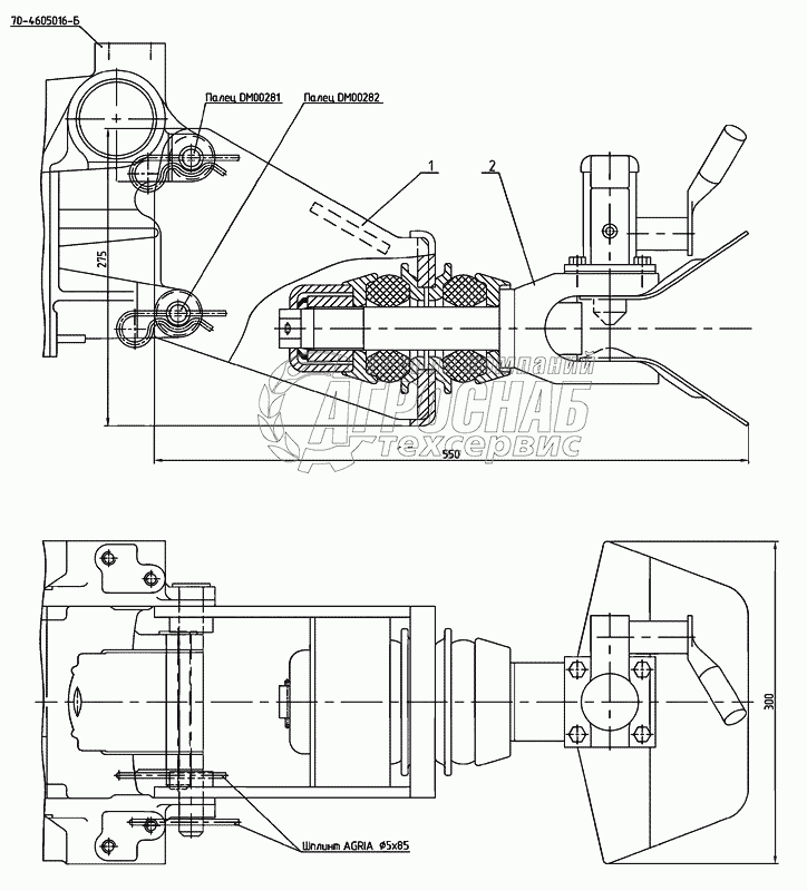
Каталог запасных частей к технике: МТЗ-920.4/952.4. Устройство буксирное

Устройство буксирное

zoom-in zoom-out enlarge shrink circle-right circle-left file-text2 info cart
1
2
3
Изображение Артикул товара Наименование Наличие Единица измерения Количество Цена Корзина
1
70-4605016-Б Кронштейн В наличии шт 7 425 ₽7 425 ₽
2
5500364-2 Кронштейн Под заказ -
3
ACV-40 Устройство буксирное Под заказ -
Содержащиеся в справочниках-каталогах запасные части и детали не предлагаются к продаже, а носят исключительно информационный характер


Наши преимущества