| № | Изображение | Артикул товара | Наименование | Наличие | Единица измерения | Количество | Цена | Корзина | |
|---|---|---|---|---|---|---|---|---|---|
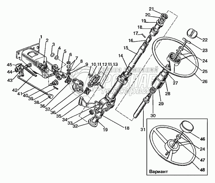
| 1 | 85-3401010 | Колонка рулевая для насоса-дозатора НД-80 и щитка приборов 80-3805010 в сборе | В наличии | шт | 8 266 ₽8 266 ₽ | ||||
| 2 | 85-3401150 | Кардан для ОSРВ-100 в сборе | В наличии | шт | 1 445 ₽1 445 ₽ | ||||
| 3 | 85-3401120 | Кронштейн | Под заказ | - | |||||
| 4 | 85-3401016 | Втулка | Под заказ | шт | 10 ₽10 ₽ | ||||
| 5 | С20 | Кольцо | Под заказ | шт | 0 ₽ | ||||
| 5 | С20 | Кольцо | В наличии | шт | 10 ₽10 ₽ | ||||
| 6 | 80-3401019 | Шайба | Под заказ | - | |||||
| 7 | 85-3401156-Б | Вилка (ОSРВ-100) | Под заказ | - | |||||
| 8 | С19 | Кольцо | Под заказ | - | |||||
| 9 | 904700 | Подшипник роликовый игольчатый | Под заказ | - | |||||
| 10 | 50-3401064 | Сальник | Под заказ | - | |||||
| 11 | 50-3401063 | Обойма | Под заказ | - | |||||
| 12 | М10-6Н.04.019 | Гайка | Под заказ | - | |||||
| 13 | 80-3401013 | Шайба | Под заказ | - | |||||
| 14 | 50-3401061-А | Вилка | Под заказ | - | |||||
| 15 | M10-6gx45.88.35.019 | Болт | Под заказ | - | |||||
| 16 | СШ-510 | Шпонка | Под заказ | - | |||||
| 17 | 70-3401055 | Вал промежуточный | Под заказ | шт | 500 ₽500 ₽ | ||||
| 18 | 70-3401050-Б | Вал со штифтом и хвостовиком в сборе | Под заказ | - | |||||
| 19 | 70-3401054-Б | Хвостовик вала | Под заказ | - | |||||
| 20 | ШЦК8x36 | Штифт | Под заказ | - | |||||
| 21 | 70-3401077-Б | Амортизатор | Под заказ | - | |||||
| 22 | 70-3401076 | Втулка | Под заказ | шт | 27 ₽27 ₽ | ||||
| 23 | 70-3401078 | Гайка | Под заказ | - | |||||
| 24 | 70-3401079 | Контргайка | Под заказ | - | |||||
| 25 | 80-3401082 | Крышка головки | Под заказ | - | |||||
| 26 | 80-3401140 | Зажим | Под заказ | - | |||||
| 27 | М16x1,5-61-1.6.019 | Гайка | Под заказ | - | |||||
| 28 | 50-3401091 | Шайба | Под заказ | - | |||||
| 29 | 80-3402015 | Колесо | Под заказ | - | |||||
| 30 | 80-3709025 | Втулка | Под заказ | - | |||||
| 31 | 80-3709026-Б | Втулка | Под заказ | - | |||||
| 32 | 80-3709024 | Чехол | Под заказ | - | |||||
| 33 | 50-4608057 | Пружина | Под заказ | - | |||||
| 34 | 85-3401175 | Вал | Под заказ | - | |||||
| 35 | 600-3401012 | Шайба | Под заказ | - | |||||
| 36 | 70-3003032 | Гайка | Под заказ | шт | 93 ₽93 ₽ | ||||
| 36 | 70-3003032 | Гайка | Под заказ | шт | 14 ₽14 ₽ | ||||
| 37 | 8x28.01.019 | Заклепка | Под заказ | - | |||||
| 38 | 600-3401160 | Сектор | Под заказ | - | |||||
| 39 | 50-3401062 | Крестовина | Под заказ | шт | 0 ₽ | ||||
| 40 | 85-3401067 | Вилка | Под заказ | - | |||||
| 41 | 70-3709012-А | Ручка переключателя | Под заказ | - | |||||
| 42 | 4x25.019 | Шплинт | Под заказ | - | |||||
| 43 | 85-3401011 | Винт | Под заказ | - | |||||
| 44 | 80-3401001 | Тяга | Под заказ | - | |||||
| 45 | 50-1310158-Б | Пружина | Под заказ | - | |||||
| 46 | 1,6x12.019 | Шплинт | Под заказ | - | |||||
| 47 | С18 | Кольцо | Под заказ | - | |||||
| 48 | 85-3401014 | Фиксатор | Под заказ | - | |||||
| 49 | 822-3401140-А1 | Зажим | Под заказ | - | |||||
| 50 | 16ОТ | Шайба ОСТ 37.001.115-75 | Под заказ | - | |||||
| 51 | 70-3402015-А | Рулевое колесо | Под заказ | - |