| № | Изображение | Артикул товара | Наименование | Наличие | Единица измерения | Количество | Цена | Корзина | |
|---|---|---|---|---|---|---|---|---|---|
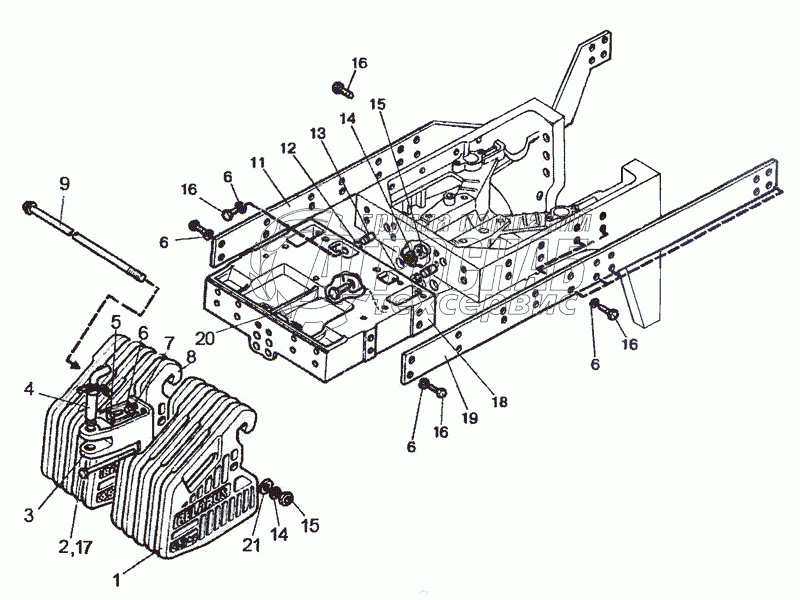
| 1 | 80-4235011-А | Груз | Под заказ | - | |||||
| 2 | 1025-4235012 | Болт | Под заказ | - | |||||
| 3 | 85-4235025-Б | Проушина | Под заказ | - | |||||
| 4 | 70-4235030 | Шкворень | Под заказ | - | |||||
| 5 | M16-6gx45.88.35.019 | Болт | Под заказ | - | |||||
| 6 | 16ОТ | Шайба ОСТ 37.001.115-75 | Под заказ | - | |||||
| 7 | С16.01.019 | Шайба | Под заказ | - | |||||
| 8 | 1521-4235011-А | Груз | Под заказ | - | |||||
| 9 | 1025-4235015-01 | Струна | Под заказ | - | |||||
| 10 | 1025Д-4235028 | Полоса | Под заказ | - | |||||
| 11 | 54.38.619 | Кольцо | Под заказ | - | |||||
| 12 | 50-4605027 | Штифт | Под заказ | - | |||||
| 13 | 20ОТ | Шайба | Под заказ | - | |||||
| 14 | М20-6Н.6.019 | Гайка | Под заказ | - | |||||
| 15 | M16-6gx40.88.35.019 | Болт | Под заказ | - | |||||
| 16 | М18-6Н.6.019 | Гайка | Под заказ | - | |||||
| 17 | 923-4235016 | Кронштейн | Под заказ | - | |||||
| 18 | 1025Д-4235029 | Полоса | Под заказ | - | |||||
| 19 | 70-4605036-03 | Болт | Под заказ | - | |||||
| 20 | 40-3502084 | Шайба | Под заказ | - |