Каталог запасных частей к технике: МТЗ-900/920/950/952. Балласт передний

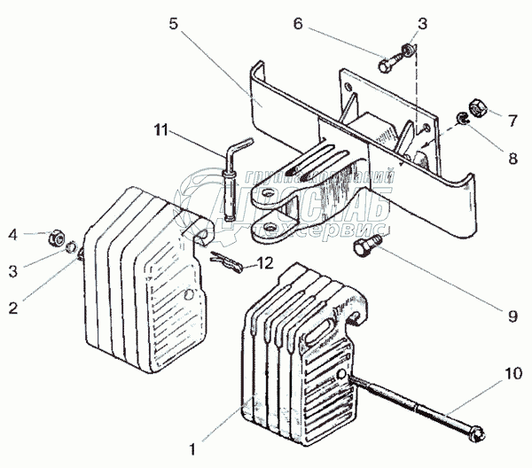
Балласт передний

zoom-in zoom-out enlarge shrink circle-right circle-left file-text2 info cart
1
2
3
3
4
5
6
7
8
9
10
11
12
Изображение Артикул товара Наименование Наличие Единица измерения Количество Цена Корзина
1
70-4235011 Груз В наличии шт 2 764 ₽2 764 ₽
2
С16.01.019 Шайба Под заказ -
3
16ОТ Шайба ОСТ 37.001.115-75 Под заказ -
4
М16-6Н.6.019 Гайка Под заказ -
5
70-4235020 Кронштейн Под заказ -
6
M16-6gx32.88.019 Болт Под заказ -
7
М20-6Н.6.019 Гайка Под заказ -
8
20ОТ Шайба Под заказ -
9
70-4605036 Болт Под заказ -
10
80-4235015 Струна Под заказ шт 518 ₽518 ₽
11
50-4605079-Б Шкворень В наличии шт 682 ₽682 ₽
11
50-4605079-Б Шкворень В наличии шт 711 ₽711 ₽
12
А61.07.001 Шплинт Под заказ -
Содержащиеся в справочниках-каталогах запасные части и детали не предлагаются к продаже, а носят исключительно информационный характер


Наши преимущества