Каталог запасных частей к технике: МТЗ-900. Привод регулятора.

Привод регулятора.

zoom-in zoom-out enlarge shrink circle-right circle-left file-text2 info cart
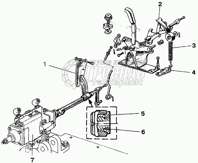
1
2
3
4
5
6
7
Изображение Артикул товара Наименование Наличие Единица измерения Количество Цена Корзина
1
80В-4616050 Кронштейн Под заказ -
2
85-4616090Б Сектор Под заказ -
3
80В-4616014 Пружина Под заказ -
4
80В-4616024 Пластина Под заказ -
5
80В-4616023 Втулка Под заказ -
6
80В-4616022 Сфера Под заказ -
7
80-4614020 Регулятор В наличии шт 8 713 ₽8 713 ₽
Содержащиеся в справочниках-каталогах запасные части и детали не предлагаются к продаже, а носят исключительно информационный характер


Наши преимущества