| № | Изображение | Артикул товара | Наименование | Наличие | Единица измерения | Количество | Цена | Корзина | |
|---|---|---|---|---|---|---|---|---|---|
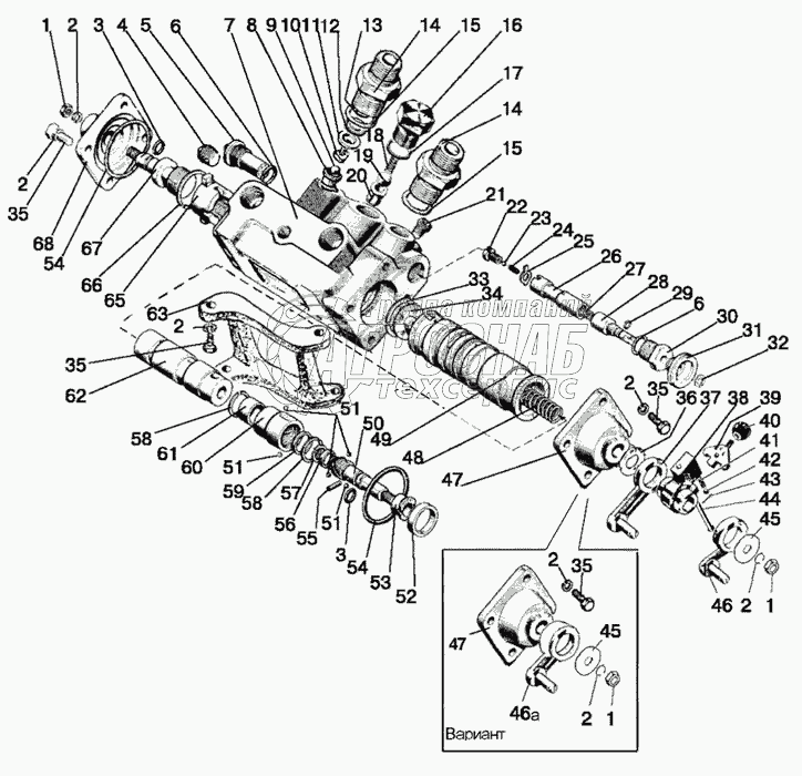
| 1 | 80-4614210 | Регулятор с кронштейном | Под заказ | - | |||||
| 2 | 80-4614020 | Регулятор | В наличии | шт | 8 713 ₽8 713 ₽ | ||||
| 3 | 80-4614050 | Рычаг | Под заказ | - | |||||
| 4 | 80П-4614210 | Регулятор с кронштейном | Под заказ | - | |||||
| 5 | 80-4614090 | Клапан | Под заказ | - | |||||
| 6 | М10-6Н.6.019 | Гайка | Под заказ | - | |||||
| 7 | 10 ОТ | Шайба | Под заказ | - | |||||
| 8 | 011-016-30-2-4 | Кольцо | Под заказ | - | |||||
| 9 | "КГ1/4"".А12.019" | Пробка | Под заказ | - | |||||
| 10 | 80-4614087 | Пробка | Под заказ | - | |||||
| 11 | 018-022-25-2-3 | Кольцо | Под заказ | - | |||||
| 12 | 80-4614011-01 | Корпус регулятора | Под заказ | - | |||||
| 13 | 80-4614091 | Седло | Под заказ | - | |||||
| 14 | 7,938-100 | Шарик | Под заказ | - | |||||
| 15 | 80-4614093 | Направляющая | Под заказ | - | |||||
| 16 | 80-4614094 | Кольцо защитное | Под заказ | - | |||||
| 17 | 014-017-19-2-4 | Кольцо | Под заказ | - | |||||
| 18 | 80-4614092 | Пружина | Под заказ | - | |||||
| 19 | 70-1405089 | Штуцер | Под заказ | - | |||||
| 20 | 017-022-30-1-4 | Кольцо | Под заказ | - | |||||
| 21 | Р50-4614019-Б | Корпус клапана | Под заказ | - | |||||
| 22 | 022-027-30-2-2 | Кольцо | Под заказ | - | |||||
| 23 | А61-072 | Пружина | Под заказ | - | |||||
| 24 | 14,288-60 | Шарик | Под заказ | - | |||||
| 25 | Р50-4614018 | Седло | Под заказ | - | |||||
| 26 | "КГ 1/8"". А12.019" | Пробка | Под заказ | - | |||||
| 27 | 80-4614085 | Пробка | Под заказ | - | |||||
| 28 | 6,350-100 | Шарик | Под заказ | - | |||||
| 29 | 80-4614058 | Пружина | Под заказ | - | |||||
| 30 | 80-4614065 | Шайба | Под заказ | - | |||||
| 31 | 80-4614070 | Плунжер | Под заказ | - | |||||
| 32 | 80-4614064 | Плунжер | Под заказ | - | |||||
| 33 | 80-4614086 | Пружина | Под заказ | - | |||||
| 34 | 80-4614063 | Винт | Под заказ | - | |||||
| 35 | 005-008-19-1-4 | Кольцо | Под заказ | - | |||||
| 36 | 80-4614037 | Заглушка | Под заказ | - | |||||
| 37 | 80-4614071 | Маховичок | Под заказ | - | |||||
| 38 | В8 | Кольцо | Под заказ | - | |||||
| 39 | С36 | Кольцо | Под заказ | - | |||||
| 40 | Р50-4614017 | Шайба | Под заказ | - | |||||
| 41 | M10-6gx20.88.35.019 | Болт | Под заказ | - | |||||
| 42 | Р50-4614052 | Шайба | Под заказ | - | |||||
| 43 | Р50-4614080-А | Рычаг | Под заказ | - | |||||
| 44 | Р50-41614048-Б1 | Муфта | Под заказ | - | |||||
| 45 | Р50-4614049-Б | Фиксатор | Под заказ | - | |||||
| 46 | Р50-4614054 | Ручка | Под заказ | - | |||||
| 47 | Р50-4614072 | Пружина | Под заказ | - | |||||
| 48 | 5,556-60 | Шарик | Под заказ | - | |||||
| 49 | 2x12.019 | Шплинт | Под заказ | - | |||||
| 50 | Р50-4614051 | Ось | Под заказ | - | |||||
| 51 | Р50-4614053 | Шайба | Под заказ | - | |||||
| 52 | Р50-4614090 | Рычаг | Под заказ | - | |||||
| 53 | 80-4614060 | Крышка левая со втулкой в сборе | Под заказ | - | |||||
| 54 | 80-4614014 | Пружина | Под заказ | - | |||||
| 55 | 80-4614012 | Гильза | Под заказ | - | |||||
| 56 | 80-4614040 | Винт золотника | Под заказ | - | |||||
| 57 | 80-4614041 | Винт золотника | Под заказ | - | |||||
| 58 | 3,969-100 | Шарик | Под заказ | - | |||||
| 59 | 80-4614027 | Шайба | Под заказ | - | |||||
| 60 | 80-4614043 | Втулка | Под заказ | - | |||||
| 61 | 056-060-25-2-2 | Кольцо | Под заказ | - | |||||
| 62 | А.4х20.65Г | Штифт | Под заказ | - | |||||
| 63 | 80-4614044 | Шайба | Под заказ | - | |||||
| 64 | С15 | Кольцо | Под заказ | - | |||||
| 65 | С25 | Кольцо | Под заказ | - | |||||
| 66 | 80-4614046 | Втулка | Под заказ | - | |||||
| 67 | 80-4614042 | Гайка золотника | Под заказ | - | |||||
| 68 | 80-4614045 | Втулка | Под заказ | - | |||||
| 69 | 80-4614013 | Золотник | Под заказ | - | |||||
| 70 | 70-4614032-А | Кронштейн | Под заказ | - | |||||
| 71 | 80-4614024 | Гайка гильзы | Под заказ | - | |||||
| 72 | С38 | Кольцо | Под заказ | - | |||||
| 73 | 80-4614030 | Винт гильзы с гайкой в сборе | Под заказ | - | |||||
| 74 | 80-4614022 | Винт гильзы | Под заказ | - | |||||
| 75 | Р50-4614015-Б-01 | Крышка правая | Под заказ | - |