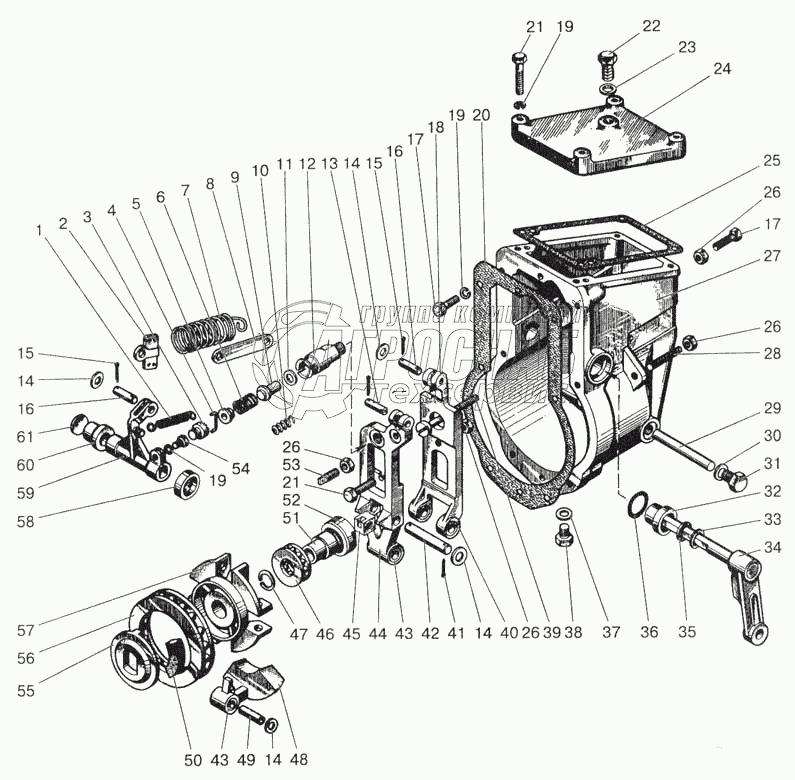
Каталог запасных частей к технике: МТЗ-822. Регулятор топливного насоса

Регулятор топливного насоса

zoom-in zoom-out enlarge shrink circle-right circle-left file-text2 info cart
1
2
6
7
8
9
10
11
12
13
14
15
16
17
18
19
19
19
19
20
20
21
21
22
22
23
24
25
25
25
26
27
27
28
29
30
31
32
32
32
32
33
34
35
36
37
38
39
40
41
42
43
44
45
46
47
48
49
50
51
51
52
53
54
55
56
57
58
59
60
61
62
63
64
65
66
67
68
69
70
71
Изображение Артикул товара Наименование Наличие Единица измерения Количество Цена Корзина
1
4УТНМ-Т-1110010-01 Регулятор в сборе Под заказ -
2
4УТНМ-1110010-40 Регулятор Под заказ -
3
УТН-5-1110160-Е Груз со втулкой в сборе Под заказ -
4
УТН-5-1110230-В3 Корректор в сборе Под заказ -
5
УТН-5-1110240-И Ступица в сборе Под заказ -
6
УТН-5-1110193 Пружина Под заказ -
7
УТН-3-1110171-Г Серьга Под заказ -
8
УТН-5-1110235-Б2 Винт Под заказ -
9
УТН-5-1110237 Скоба Под заказ -
10
УТН-5-1110238-А1 Тарелка Под заказ -
11
УТН-5-1110234-Д Пружина Под заказ -
12
УТН-5-1110187-Д Пружина Под заказ -
13
4УТНМ-1110304 Тяга Под заказ -
14
УТН-5-1110233-Б2 Шток Под заказ -
15
4УТНМ-1110446 Пружина Под заказ -
16
УТН-5-1110232 Прокладка Под заказ -
17
УТН-5-1110231-Б Корпус Под заказ -
18
УТН-5-1110403 Палец Под заказ -
19
УТН-5-1110242-Б Шайба Под заказ -
20
2х10 Шплинт Под заказ -
21
ОНМ-087 Палец Под заказ -
22
М6х25 Винт Под заказ -
23
УТН-5-1110274-А4 Рычаг основной Под заказ -
24
УТНМ-Т-1110274-11 Рычаг основной Под заказ -
25
ШП6 Шайба Под заказ -
26
УТН-5-1110303-01 Прокладка Под заказ -
27
М6х20 Винт Под заказ -
28
УТН-5-1110402 Пробка Под заказ -
29
16-006 Прокладка Под заказ -
30
4УТНМ-1110301 Крышка Под заказ -
31
УТН-5-1110302-А Прокладка Под заказ -
32
М6 Гайка Под заказ -
33
4УТНМ-1110025-30 Корпус регулятора Под заказ -
34
4УТНМ-Т-1110020-20 Корпус Под заказ -
35
УТН-5-1110401-Б3 Винт Под заказ -
36
4УТНМ-1110365 Ось рычагов Под заказ -
37
Д40-1110386-А Прокладка Под заказ -
38
УТН-5-1110409 Заглушка Под заказ -
39
УТН-5-1110320-В Втулка с сальником и обоймой в сборе Под заказ -
40
УТН-5-1110321-Б1 Втулка Под заказ -
41
УТН-5-1110323-Б Обойма Под заказ -
42
УТН-5-1110308-Д Рычаг управления Под заказ -
43
17-004-А Сальник Под заказ -
44
16-240 Кольцо уплотнительное Под заказ -
45
ОНМ-086-1 Прокладка Под заказ -
46
ОНМ-019-2 Болт Под заказ -
47
УТН-3-1110026 Упор Под заказ -
48
ОНМ-170 Втулка Под заказ -
49
2х16 Шплинт Под заказ -
50
УТН-5-1110191 Ось ролика Под заказ -
51
УТН-5-1110166 Втулка Под заказ -
52
УТН-5-1110200-8 Рычаг (43, 44) Под заказ -
53
УТН-5-1110195-К Рычаг Под заказ -
54
УТН-5-1110153-Г2 Пята Под заказ -
55
8202У Подшипник Под заказ -
56
УТН-3-1110311 Кольцо Под заказ -
57
УТН-3-1110311-Б Кольцо Под заказ -
58
УТН-5-1110165-Е Груз Под заказ -
59
УТН-5-1110241 Ось грузов Под заказ -
60
236-1110517-62 Сухарь Под заказ -
61
УТН-3-1110145 Втулка Под заказ -
62
УТН-3-1110144-Б1 Муфта Под заказ -
63
УТН-5-1110196-А Шпилька Под заказ -
64
М6х12 Винт Под заказ -
65
УТН-5-1110251-Г2 Шайба Под заказ -
66
8110 Шарикоподшипник ГОСТ 6874-75 Под заказ шт 330 ₽330 ₽
67
УТН-5-1110132-М3 Ступица Под заказ -
68
УТН-5-1110281-Б Втулка Под заказ -
69
УТН-5-1110155-Г5 Рычаг Под заказ -
70
4УТНМ-1110021-Е Втулка Под заказ -
71
17-071 Заглушка Под заказ -
Содержащиеся в справочниках-каталогах запасные части и детали не предлагаются к продаже, а носят исключительно информационный характер


Наши преимущества