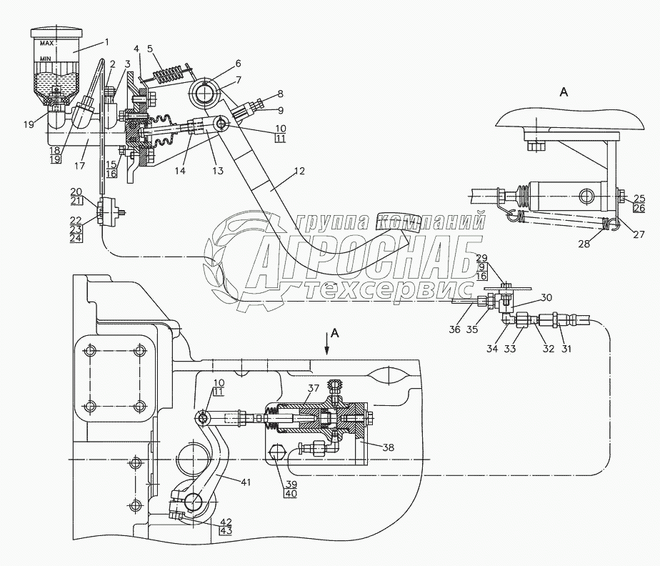
Каталог запасных частей к технике: МТЗ-821/921. Управление сцеплением

Управление сцеплением

zoom-in zoom-out enlarge shrink circle-right circle-left file-text2 info cart
1
2
3
4
5
6
7
8
9
10
10
11
11
12
12
13
14
15
16
17
17
18
19
20
20
21
22
23
24
25
26
27
28
29
30
31
32
33
34
35
36
37
38
39
40
41
42
43
44
Изображение Артикул товара Наименование Наличие Единица измерения Количество Цена Корзина
1
921-1602010 Управление сцеплением Под заказ -
2
822-1602120 Бачок Под заказ -
3
142-1602377 Колпачок Под заказ -
4
1522-1602371 Клапан перепускной Под заказ -
5
80-1602116 Ушко Под заказ -
6
70-4616033 Пружина Под заказ -
7
4x36 Шплинт Под заказ -
8
50-3406037 Шайба упорная Под заказ -
9
М8х40 Болт Под заказ -
10
М8 Гайка Под заказ -
11
3,2x18 Шплинт Под заказ -
12
12x32 Палец Под заказ -
13
822-1602020 Педаль Под заказ -
14
822-3502203 Вилка Под заказ -
15
М10 Гайка Под заказ -
16
М8х35 Болт Под заказ -
17
ШП8Т Шайба Под заказ -
18
S73067386 Цилиндр «CARLISLE» Под заказ -
19
822-3503083 Штуцер Под заказ -
20
Д18-055-А Шайба Под заказ -
21
1522-2407317 Трубка Под заказ -
22
1321-8700019-02 Хомут Под заказ -
23
М6х30 Болт Под заказ -
24
ШЧ6 Шайба Под заказ -
25
ШП6Т Шайба Под заказ -
26
М10x30 Болт Под заказ -
27
ШП 10ОТ Шайба Под заказ -
28
923-1602116 Ушко Под заказ -
29
70-4803019 Пружина Под заказ -
30
М8х25 Болт Под заказ -
31
80В-1602106-Б Угольник Под заказ -
32
2022-1602200-01 Рукав гибкий сцепления Под заказ -
33
923-3503221 Ниппель Под заказ -
34
Д80-4607212 Гайка Под заказ -
35
822-3503037 Угольник ввертной Под заказ -
36
822-3503701 Штуцер Под заказ -
37
921-1602180 Трубопровод Под заказ -
38
822-1602550-Б Цилиндр рабочий Под заказ -
39
921-1602060 Кронштейн Под заказ -
40
М16x32 Болт Под заказ -
41
ШП16 0Т Шайба Под заказ -
42
80-1601219-Б Рычаг В наличии шт 823 ₽823 ₽
43
М12x35 Болт Под заказ -
44
ШП12 0Т Шайба Под заказ -
Содержащиеся в справочниках-каталогах запасные части и детали не предлагаются к продаже, а носят исключительно информационный характер


Наши преимущества