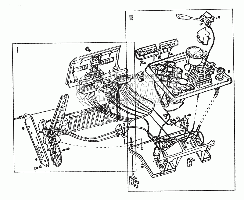
Каталог запасных частей к технике: МТЗ-80 (2002). 3801, 3805 Приборы

3801, 3805 Приборы

zoom-in zoom-out enlarge shrink circle-right circle-left file-text2 info cart
2
3
Изображение Артикул товара Наименование Наличие Единица измерения Количество Цена Корзина
1
3805.90 Основание, приборы (вариант 2) Под заказ -
2
3805.88 Стенка, крышка Под заказ -
3
3805.89 Основание, приборы (вариант 1) Под заказ -
Содержащиеся в справочниках-каталогах запасные части и детали не предлагаются к продаже, а носят исключительно информационный характер


Наши преимущества