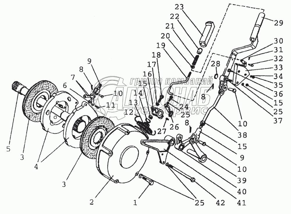
Каталог запасных частей к технике: МТЗ-80 (2002). 3504 Тормоз стояночный

3504 Тормоз стояночный

zoom-in zoom-out enlarge shrink circle-right circle-left file-text2 info cart
3
44
4
5
5
6
7
8
17
37
9
10
10
10
11
11
12
12
12
13
14
15
16
8
17
37
8
17
37
8
17
37
18
19
20
21
22
23
24
25
26
38
27
36
27
36
27
36
28
29
30
31
32
33
34
35
27
36
8
17
37
26
38
39
40
41
42
43
3
44
Изображение Артикул товара Наименование Наличие Единица измерения Количество Цена Корзина
1
70-3507140 Тяга в сборе Под заказ -
2
70-3507120 Рычаг в сборе Под заказ -
3
ГОСТ7795-70 Болт M12-6gx100.88.35.019 Под заказ -
4
50-3502035 Кожух Под заказ -
5
70-3502040-01 Диск Под заказ -
6
50-3502036-Б Диск нажимной В наличии шт 504 ₽504 ₽
7
70-3504055 Вал В наличии шт 1 631 ₽1 631 ₽
8
ГОСТ5915-70 Гайка М6-6Н.6.019 Под заказ -
9
50-3502196 Тяга Под заказ -
10
ГОСТ397-79 Шплинт 3.2x18.019 Под заказ -
11
50-3502203 Вилка Под заказ шт 0 ₽
12
OCT37.001.163-75 Палец 6x18 Под заказ -
13
50-3502198 Палец Под заказ -
14
ГОСТ3482-74 Проволока 1.6-С-200 Под заказ -
15
50-3502202 Чехол В наличии шт 19 ₽19 ₽
16
36-1702358 Кольцо пружинное Под заказ -
17
ГОСТ5915-70 Гайка М6-6Н.6.019 Под заказ -
18
70-3503017-А Рычаг Под заказ -
19
70-3503018 Шайба Под заказ -
20
70-3503019 Болт Под заказ -
21
70-3507122 Тяга Под заказ -
22
ГОСТ6958-70 Шайба С16.01.08кп.019 Под заказ -
23
55-17-27 Пружина Под заказ -
24
А13.19.002 Кнопка Под заказ -
25
А13.19.001 Рукоятка Под заказ -
26
ГОСТ7796-70 Болт М8-6gх20.88.35.019 Под заказ -
27
ОСТ37.001.115-75 Шайба 8Т Под заказ -
28
70-3514107 Рычаг Под заказ -
29
СШ-611 Шпонка Под заказ -
30
50-1022063 Кольцо Под заказ -
31
70-3507130 Рычаг Под заказ -
32
50-1606026 Защелка Под заказ -
33
ГОСТ39779 Шплинт 2x12.019 Под заказ -
34
70-3507024 Ось Под заказ -
35
70-3507021-Б Сектор Под заказ -
36
ОСТ37.001.115-75 Шайба 8Т Под заказ -
37
ГОСТ5915-70 Гайка М6-6Н.6.019 Под заказ -
38
ГОСТ7796-70 Болт М8-6gх20.88.35.019 Под заказ -
39
70-3507132-Б Ось Под заказ -
40
70-3507141 Тяга Под заказ -
41
70-3507060 Валик Под заказ -
42
80-4216050 Рычаг 80-4216057со втулкой в сборе Под заказ -
43
70-3507070 Кронштейн Под заказ -
44
ГОСТ7795-70 Болт M12-6gx100.88.35.019 Под заказ -
Содержащиеся в справочниках-каталогах запасные части и детали не предлагаются к продаже, а носят исключительно информационный характер


Наши преимущества